Zurück zu
Solo
>
Motorsägen
>
Professionelle Motorsägen
>
644
>
ET 10/1991 Druck 9 644 706
>
Starter
Ersatzteillisten für Solo Motorsägen Starter
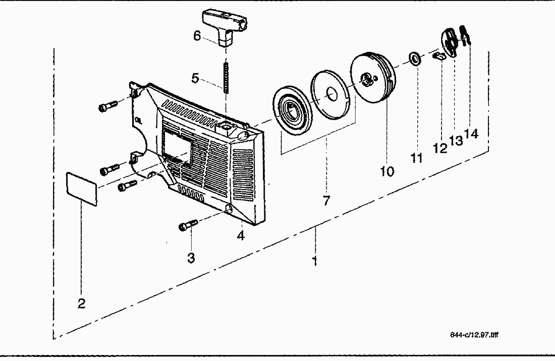
Pos.
Bezeichnung
Ersatzteilnummer
1
STARTER LL.RT.644/651
2600282
2
SKS “SOLO”
0069889
3
Haubenschraube
Haubenschraube
4
STARTERGEHAEUSE RT.
2100578
5
STARTERSEIL3,5X900 GEWACHST
0063186
6
STARTERGRIFF
2074206
7
Federkassette
2600283
10
SEILROLLE
2074419
11
Paßscheibe 10x16x0,5 mm DIN 988
0031260
12
STARTERKLINKE
2074209
13
KULISSE
2074408
14
Federstecker
0073365
Gebrauchsanweisungen
Solo
Pflanzenschutzgeräte
Motorsägen
Professionelle Motorsägen
603
694
690
680
670
667
662
651
644
ET 07/1999 Druck 9 644 707
ET 10/1991 Druck 9 644 706
Starter
Elektronik/Griffheizung
Bügel/Handgriff
Motor
ET 04/1996 Druck 9 644 705
ET 09/1993 Druck 9 644 704
ET 10/1991 Druck 9 644 703
ET 11/1989 Druck 9 644 702
Semiprofessionelle Motorsägen
Hobby-Motorsägen
Elektrosägen
Motorsensen
Motorhacken
Balkenmäher
Vertikutierer
Rasenmäher
Blasgeräte
Multimot
Impressum
(C) by motoruf