Zurück zu
Solo
>
Motorsensen
>
Leichte-Benzimotor-Sensen
>
126
>
ET 01/1994 Druck 9 126 703
>
Flanschgehäuse / Kuppl.-Getr.
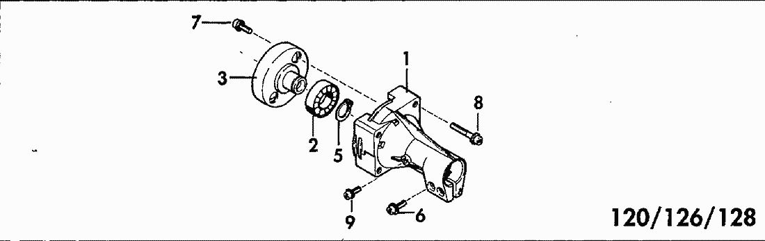
Ersatzteillisten für Solo Motorsensen Flanschgehäuse / Kuppl.-Getr.
Pos.
Bezeichnung
Ersatzteilnummer
1
FLANSCHGEHAEUSE SWZ.
2011726
2
Kugellager 15x35x11 DIN 6202
0050198
3
KU.GLOCKE 59,7 M.NABE N7ZNP.
3500389
3
KU.GLOCKE 59,7 M.NABE 4KT.
3500394
5
Sicherungsring 15x1 DIN 471
0055136
6
Zylinderschraube M5x20 mm
0018337
7
ZYL.SHR.M5X10KXRI.T25 10.9
0018334
8
Zylinderschraube M5x40
0018340
9
Zylinderschraube M5x12,5
0018323
Gebrauchsanweisungen
Solo
Pflanzenschutzgeräte
Motorsägen
Motorsensen
Professionelle Motorsensen
Semiprofessionelle Motorsensen
Leichte-Benzimotor-Sensen
128
126
ET 01/1994 Druck 9 126 703
Werkzeug / Gurt
Zubehör
Anti-Vibrationssystem
Flanschgehäuse / Kuppl.-Getr.
Schaftrohr/ Schutz
Getriebe / Schutz
Griff / Gasbetätigung
Griffrohr/ Gasbetätigung
Motor / Zündung / Vergaser
Gehäuse / Luftfilter
ET 04/1992 Druck 9 126 702
ET 07/1991 Druck 9 126 701
124
120
MT 25
MS 25
119
118
129
121
117
106 L / 106 B / 106 LR / 106 BR
105 L
Elektromotor-Sensen
Motorhacken
Balkenmäher
Vertikutierer
Rasenmäher
Blasgeräte
Multimot
Impressum
(C) by motoruf