Zurück zu
Solo
>
Motorsensen
>
Leichte-Benzimotor-Sensen
>
126
>
ET 01/1994 Druck 9 126 703
>
Schaftrohr/ Schutz
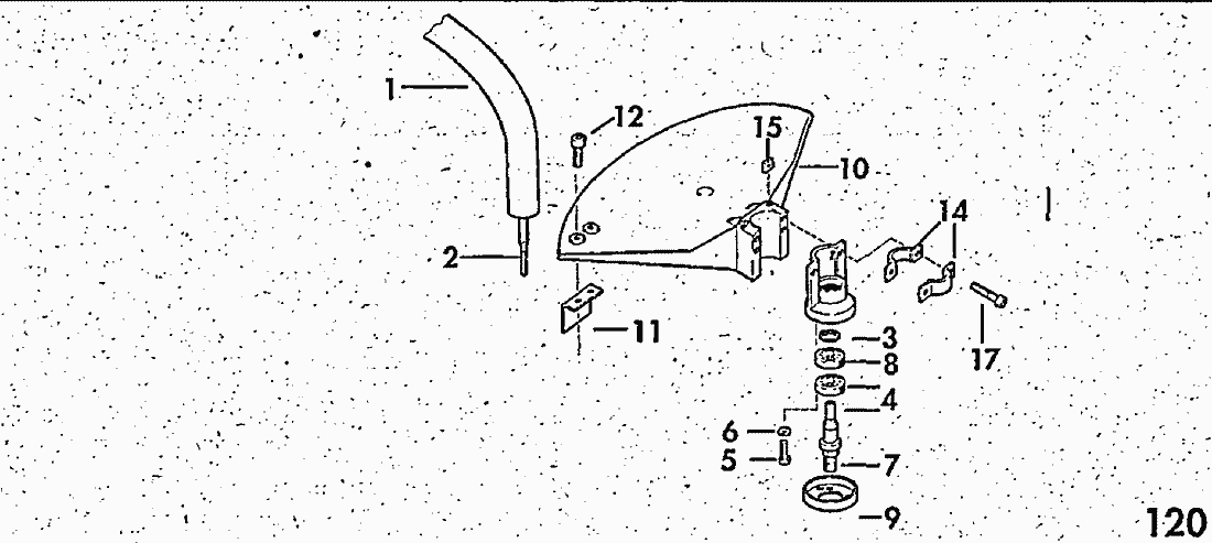
Ersatzteillisten für Solo Motorsensen Schaftrohr/ Schutz
Pos.
Bezeichnung
Ersatzteilnummer
1
SCHAFTROHR24X1,
6300312
2
WELLE6X1325 ANT.FLEXIBEL
6035342
3
GEHAEUSE SWZ.RAL.9005
6073583
4
KUG.LAG.12X28X8 6001 2RSR
0050173
5
Linsenschraube 5x16 mm
0018274
6
Scheibe 5,2x12x0,5 mm
0072140
7
WELLE M10X1,25X75
3031314
8
Sicherungsring 12x1 DIN 471
0055134
9
WICKELSCHUTZ
3043432
10
SCHUTZ RT.
6073589
11
Fadenbegrenzungsmesser
6900721
12
Zylinderschraube M5x16
0018336
14
SCHELLE24X28 GEHAEUSE
6043423
15
Vierkantmutter M5
0021241
17
Zylinderschraube M5x30
0018339
Gebrauchsanweisungen
Solo
Pflanzenschutzgeräte
Motorsägen
Motorsensen
Professionelle Motorsensen
Semiprofessionelle Motorsensen
Leichte-Benzimotor-Sensen
128
126
ET 01/1994 Druck 9 126 703
Werkzeug / Gurt
Zubehör
Anti-Vibrationssystem
Flanschgehäuse / Kuppl.-Getr.
Schaftrohr/ Schutz
Getriebe / Schutz
Griff / Gasbetätigung
Griffrohr/ Gasbetätigung
Motor / Zündung / Vergaser
Gehäuse / Luftfilter
ET 04/1992 Druck 9 126 702
ET 07/1991 Druck 9 126 701
124
120
MT 25
MS 25
119
118
129
121
117
106 L / 106 B / 106 LR / 106 BR
105 L
Elektromotor-Sensen
Motorhacken
Balkenmäher
Vertikutierer
Rasenmäher
Blasgeräte
Multimot
Impressum
(C) by motoruf