Zurück zu
Solo
>
Rasenmäher
>
Aufsitzmäher / Rasentraktoren
>
555 / 555 Hydro
>
2001
>
GETRIEBE TC hy. / TCR hy. / TCP hy.
Ersatzteillisten für Solo Rasenmäher GETRIEBE TC hy. / TCR hy. / TCP hy.
Pos.
Bezeichnung
Ersatzteilnummer
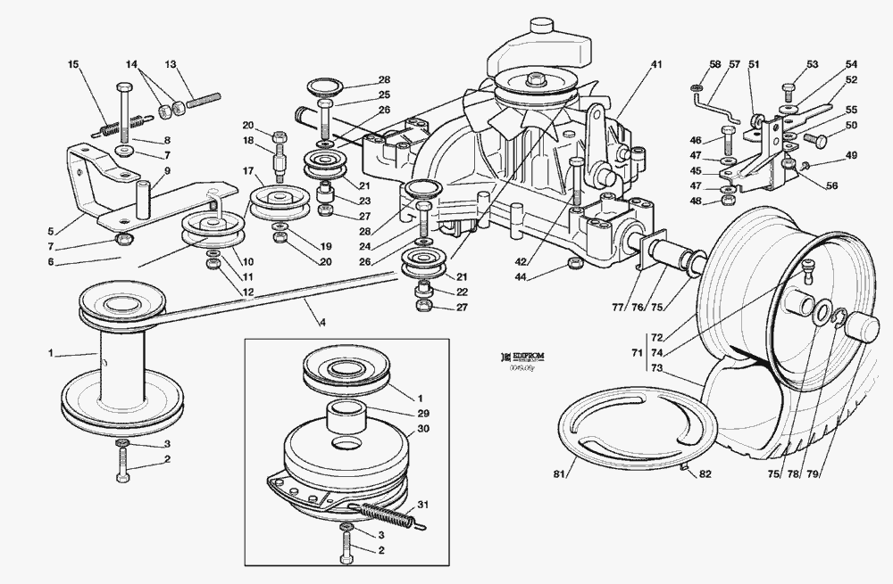
3
SCHEIBE
12543000/0
4
RIEMEN
35062001/0
5
HEBEL
82318165/1
6
SCHRAUBE
12692000/0
7
BÜCHSE
25038002/1
8
MUTTER
12155000/0
9
ENTFERNUNGSSTÜCK
25160027/0
10
RIEMENSCHEIBE
25601554/0
11
SCHEIBE
12523060/0
12
MUTTER
12155000/0
13
SPANNSTANGE
25840010/1
14
MUTTER
12293200/0
15
FEDER
25430219/0
17
RIEMENSCHEIBE
25601555/0
18
BOLZEN
25510036/0
19
SCHEIBE
12523060/0
20
MUTTER
12155000/0
21
RIEMENSCHEIBE
25601558/2
22
LINKER ABSTANDSSTÜCK
25160030/0
23
LANG ABSTANDSSTÜCK
25160024/1
24
SCHRAUBE
12691115/0
25
SCHRAUBE
12691400/0
26
SCHEIBE
12523060/0
27
MUTTER
12155000/0
28
DECKEL
25109521/0
41
HINTERACHSE
18400950/1
42
SCHRAUBE
12691800/0
44
MUTTER
12154210/0
45
HALTER
82785109/0
46
SCHRAUBE (räder 15”)
12691200/0
47
SCHEIBE
12521350/0
48
MUTTER
12155000/0
49
SCHRAUBE
12735120/0
50
SCHRAUBE
12792611/0
51
MUTTER
12293201/0
52
HEBEL
25318157/0
53
SCHRAUBE
12793102/0
54
FEDERSCHEIBE
12369500/0
55
SCHEIBE
25670011/0
56
MUTTER
12155000/0
57
STANGE
25033033/0
58
KRONESCHEIBE
12604896/0
71
TURF SAVER CARLISLE
82680003/0
71
DELI TIRE
82680006/0
72
HINTRERRAD FELGER
82000592/0
73
TURF SAVER CARLISLE
25590001/0
73
DELI TIRE
25590003/0
74
VENTIL
25950000/0
75
SCHEIBE
25670005/1
76
ENTFERNUNGSSTÜCK
25160023/0
77
SCHEIBE
25670017/0
78
SPRENGRING
12001010/0
79
RADNABE DECKEL
22110230/0
81
HINTERRADDECKEL (TCP)
82110251/1
81
HINTERRADDECKEL (TCP - TCB)
82110253/0
82
FEDER
25430209/0
1
RIEMENSCHEIBE
25601568/0
2
SCHRAUBE
12737310/0
1
RIEMENSCHEIBE
25601566/0
2
SCHRAUBE
12737320/0
29
ENTFERNUNGSSTÜCK
25160021/0
30
KUPPLUNG
18399060/0
31
FEDER
25430210/0
Gebrauchsanweisungen
Solo
Pflanzenschutzgeräte
Motorsägen
Motorsensen
Motorhacken
Balkenmäher
Vertikutierer
Rasenmäher
Aufsitzmäher / Rasentraktoren
576 / 576 Hydro
575 / 575 Hydro
572 / 572 Hydro
570 / 570 Hydro
562 Hydro
560 / 560 Hydro
557
556
555 / 555 Hydro
2004
2003
2002
2001
KLEBZETTEL
ZUBEHOERE NACH ANFRAGE
ELEKTRISCHETEILE TC hy. / TCR hy. / TCP hy.
ELEKTRISCHETEILE TC / TCR / TCP
AUFFANGSACK
SCHNEIDWERKZEUG (2)
SCHNEIDWERKZEUG (1)
SCHNEIDWERKZEUG AUFHEBESATZ
GETRIEBE TC hy. / TCR hy. / TCP hy.
GETRIEBE TC / TCR / TCP
MOTOR 15 HP TECUMSEH
MOTOR 13 HP TECUMSEH
MOTOR 18 - 20 - 22 HP B&S (TC hy. / TCR hy. / TCP hy.)
MOTOR 15 - 15,5 - 16 - 17 HP B&S
MOTOR 10,5 - 12 - 12,5 - 13 HP B&S
GETRIEBE UND BREMSE ANTRIEB TC hy. / TCR hy. / TCP hy.
BREMSE UND WECHSEL ANTRIEB TC / TCR / TCP
LENKGETRIEBE
KARROSSERIE TCR / TCR hy.
KARROSSERIE TCP / TCP hy.
KARROSSERIE TC / TC hy.
RAHMENSATZ
2000
1999
555 PM
Benzin-Antriebs-Mäher
Benzin-Schiebe-Mäher
Elektro Rasenmäher
Blasgeräte
Multimot
Impressum
(C) by motoruf