Zurück zu
Solo
>
Rasenmäher
>
Aufsitzmäher / Rasentraktoren
>
555 / 555 Hydro
>
1999
>
GETRIEBE UND BREMSE ANTRIEB F72 hy.
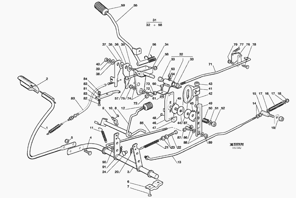
Ersatzteillisten für Solo Rasenmäher GETRIEBE UND BREMSE ANTRIEB F72 hy.
Pos.
Bezeichnung
Ersatzteilnummer
1
PEDAL
84503001/0
2
BRIDEDECKEL
25110267/0
3
ACHSE
84001015/0
4
SCHRAUBE
12793301/0
5
MUTTER
12155000/0
6
PLATTE
27546015/0
7
SCHRAUBE
12731350/0
8
ACHSE
84001011/1
9
PLATTE
25547049/0
10
SCHRAUBE
12731601/0
11
FEDER
27430552/0
12
KNOPF
27395050/0
13
STANGE
27034055/1
14
MUTTER
12292100/0
15
BOLZEN
27510099/0
16
FEDER
25430212/1
17
SCHEIBE
12521330/0
18
MUTTER
12154510/0
19
MUTTER
12155000/0
20
SPLIT
24487997/0
21
FEDER (mod. 122)
25430220/0
22
SCHRAUBE
22943005/0
23
MUTTER
12293200/0
24
GUMMI
27275000/0
31
REIBUNGS EINRICHTUNG, KOMPLETT (32÷58)
84066000/0
32
BRIDE MIT LAGERN
84773568/0
33
LAGER
27045080/0
34
HEBEL
84773561/0
35
SCHEIBE
22672151/0
36
BRIDE
27772101/0
37
BRIDE
27772103/0
38
SCHEIBE
25670011/0
39
SCHEIBE
12523060/0
40
MUTTER
12155010/0
41
SEKTOR
27734055/0
42
SCHRAUBE
12794300/0
43
MUTTER
12155020/0
44
SCHEIBE
27158000/0
45
SCHEIBE
27670053/0
46
BRIDE
84773565/0
47
NOCKEN
27063020/0
48
SCHRAUBE
12735110/0
49
HEBEL
84773563/0
50
FEDER
27430560/0
51
SCHEIBE
12523080/0
52
MUTTER
12155010/0
53
FETTBÜCHSE
12379511/0
54
SCHEIBE
12521330/0
55
HEBEL
84317051/1
56
FEDER
25430226/0
57
SCHRAUBE
12692050/0
58
MUTTER
12155000/0
59
WECHSEL
25394503/1
60
SCHRAUBE
12793301/0
61
MUTTER
12293201/0
71
STANGE
27034057/0
72
BOLZEN
25510040/1
73
MUTTER
12293200/0
74
SCHEIBE
22680007/0
75
MUTTER
12155010/0
76
BRIDE
84773567/0
77
SPLIT
24487998/0
78
SCHRAUBE
12791400/0
79
MUTTER
12154510/0
80
KABEL
84207101/0
81
BRIDE
27772105/0
82
SCHRAUBE
12791400/0
83
SCHEIBE
12521330/0
84
MUTTER
12154510/0
85
STANGE
27034058/0
86
BOLZEN
25510040/1
87
MUTTER
12293200/0
88
SCHEIBE
25670011/0
89
MUTTER
12155010/0
90
SCHEIBE
12521350/0
91
SPLIT
24487998/0
Gebrauchsanweisungen
Solo
Pflanzenschutzgeräte
Motorsägen
Motorsensen
Motorhacken
Balkenmäher
Vertikutierer
Rasenmäher
Aufsitzmäher / Rasentraktoren
576 / 576 Hydro
575 / 575 Hydro
572 / 572 Hydro
570 / 570 Hydro
562 Hydro
560 / 560 Hydro
557
556
555 / 555 Hydro
2004
2003
2002
2001
2000
1999
ELEKTRISCHES SCHEMA 10,5 - 8,5 - 10 HP B&S - 10 HP TECUMSEH (F72 hy.)
ELEKTRISCHES SCHEMA 10,5 - 8,5 - 10 HP B&S - 10 HP TECUMSEH (F72)
ZUBEHOERE NACH ANFRAGE
ELEKTRISCHETEILE F72 hy.
ELEKTRISCHETEILE F72
AUFFANGSACK
SCHNEIDWERKZEUG (2)
SCHNEIDWERKZEUG (1)
SCHNEIDWERKZEUG AUFHEBESATZ
GETRIEBE F72 hy.
GETRIEBE F72
MOTOR 10 HP TECUMSEH
MOTOR 8,5 HP B&S
MOTOR 10,5 HP B&S
GETRIEBE UND BREMSE ANTRIEB F72 hy.
BREMSE UND WECHSEL ANTRIEB F72
LENKGETRIEBE
KARROSSERIE F72 / F72 hy.
RAHMENSATZ
555 PM
Benzin-Antriebs-Mäher
Benzin-Schiebe-Mäher
Elektro Rasenmäher
Blasgeräte
Multimot
Impressum
(C) by motoruf