Zurück zu
Solo
>
Rasenmäher
>
Aufsitzmäher / Rasentraktoren
>
556
>
2003
>
GETRIEBE
Ersatzteillisten für Solo Rasenmäher GETRIEBE
Pos.
Bezeichnung
Ersatzteilnummer
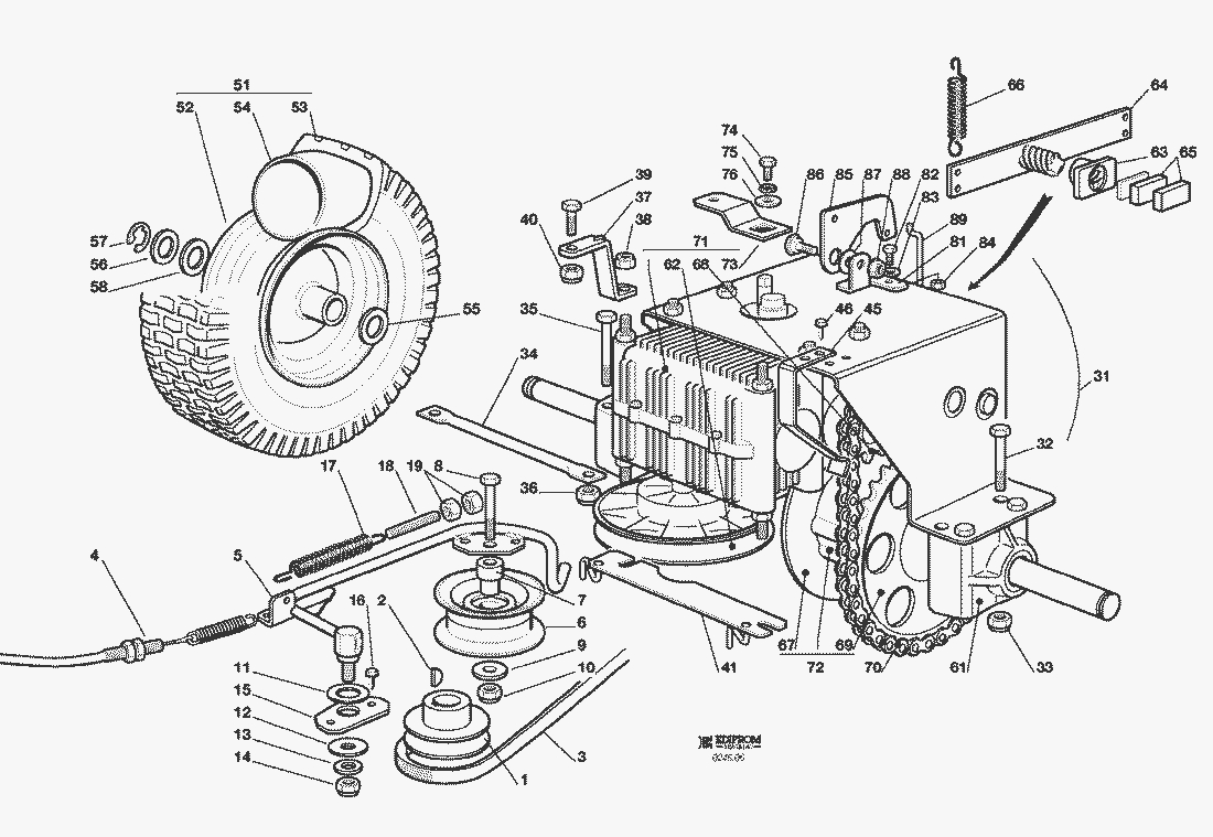
1
RIEMENSCHEIBE
27604006/2
2
KEIL
12139100/0
3
RIEMEN
35061406/0
4
KABEL
84207103/1
5
HEBEL
84317077/0
6
RIEMENSCHEIBE
27604007/0
7
BUCHSE
27047007/0
8
SCHRAUBE (räder 15”)
12691200/0
9
SCHEIBE
12523070/0
10
MUTTER
12155000/0
11
SCHEIBE
27670054/0
12
SCHEIBE
25670011/0
13
SCHEIBE
12523060/0
14
MUTTER
12155000/0
15
PLATTE
27546029/0
16
SCHRAUBE
12734995/0
17
FEDER
25430219/0
18
SPANNSTANGE
25840005/0
19
MUTTER
12293200/0
31
ANTRIEBSGROUPPE
18400970/1
32
SCHRAUBE
12692050/0
33
MUTTER
12154210/0
34
VERSTAERKUNG
27840053/0
35
SCHRAUBE
25943001/0
36
MUTTER
12155000/0
37
VERSTAERKUNG
27650119/0
38
MUTTER
12155000/0
39
SCHRAUBE
12792611/0
40
MUTTER
12155000/0
41
RIEMENFUHRUN
84250051/0
45
FEDER
84394830/0
46
SCHRAUBE
12735104/0
51
HINTERRAD
84680057/0
52
HINTRERRAD FELGER
84044001/0
53
REIFEN
27590055/0
54
REIFENSCHLAUCH
27590057/0
55
SCHEIBE
12520010/0
56
SCHEIBE
25670005/1
57
SPRENGRING
12001010/0
58
SCHEIBE
12521410/0
61
BUCHSE
19700056/0
62
RIEMENSCHEIBE
19700050/0
63
MUTTER
19700051/0
64
HEBEL MIT SCHRAUBE
19700053/0
65
BREMSBELÃGE
19700052/0
66
FEDER
19700048/0
67
BREMSSCHEIBE
19700054/0
68
RITZEL
19700049/0
69
ZAHNKETTENRAD
19700055/0
70
KETTE
19700047/0
71
GETRIEBE (mit 62, 68, 73)
18400972/0
72
DIFFERERENTIAL (mit 67, 69)
18400971/0
73
HEBEL
27315105/0
74
SCHRAUBE
12791011/0
75
SCHEIBE
12540040/0
76
SCHEIBE
22680009/0
81
WINKEL
27753079/0
82
SCHRAUBE
12791200/0
83
SCHEIBE
12523040/0
84
MUTTER
12292102/0
85
BRIDE
27772145/0
86
BOLZEN
22524970/2
87
SCHEIBE
25670011/0
88
MUTTER
12154210/0
89
STANGE
27034076/0
Gebrauchsanweisungen
Solo
Pflanzenschutzgeräte
Motorsägen
Motorsensen
Motorhacken
Balkenmäher
Vertikutierer
Rasenmäher
Aufsitzmäher / Rasentraktoren
576 / 576 Hydro
575 / 575 Hydro
572 / 572 Hydro
570 / 570 Hydro
562 Hydro
560 / 560 Hydro
557
556
2004
2003
KLEBZETTEL
ZUBEHOERE NACH ANFRAGE
ELETRISCHETEILE (Anlassen von Hand)
AUFFANGSACK
ELETRISCHETEILE (Elektrische Anlassen)
SCHNEIDWERKZEUG (2)
SCHNEIDWERKZEUG (1)
SCHNEIDWERKZEUG AUFHEBESATZ
GETRIEBE
MOTOR B&S
BREMSE UND WECHSEL ANTRIEB
LENKGETRIEBE
KARROSSERIE
RAHMENSATZ
2002
555 / 555 Hydro
Benzin-Antriebs-Mäher
Benzin-Schiebe-Mäher
Elektro Rasenmäher
Blasgeräte
Multimot
Impressum
(C) by motoruf