Zurück zu
Solo
>
Rasenmäher
>
Aufsitzmäher / Rasentraktoren
>
556
>
2003
>
LENKGETRIEBE
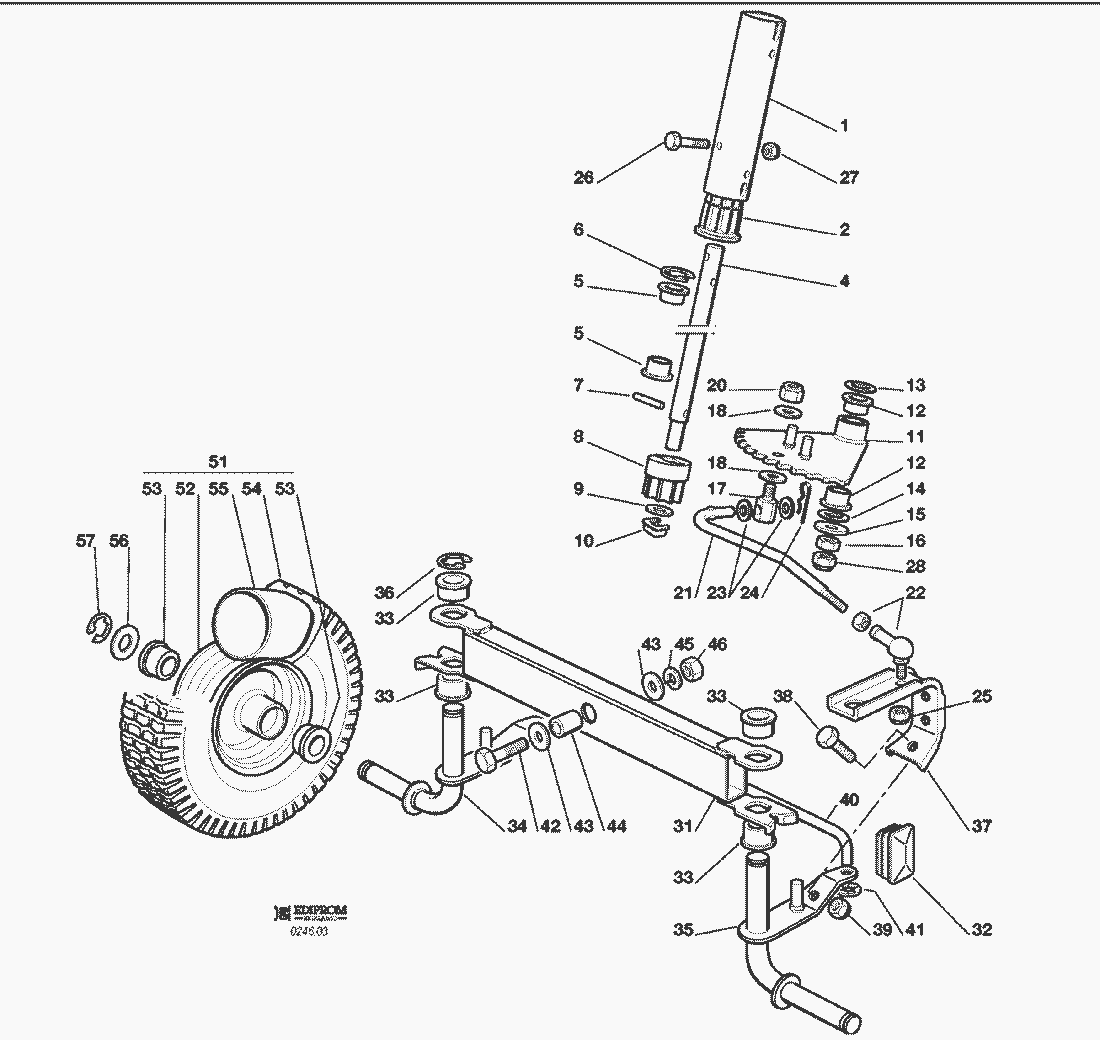
Ersatzteillisten für Solo Rasenmäher LENKGETRIEBE
Pos.
Bezeichnung
Ersatzteilnummer
1
VERLÄNGERUNGSSTÜCK
27340305/1
2
BUCHSE
27047005/1
4
LENKUNGSÄULE
27520052/0
5
BUCHSE
27047004/0
6
SPRENGRING
12001010/0
7
STIFT
12622650/0
8
RITZEL
27570050/0
9
SCHEIBE
12521370/0
10
PLATTECHEN
12436030/0
11
ZAHNKRANZ
84735553/1
12
BUCHSE
27047004/0
13
SCHEIBE
27670054/0
14
SCHEIBE
22672152/0
15
SCHEIBE
12523060/0
16
MUTTER
12293200/0
17
BOLZEN
25510056/0
18
SCHEIBE
25670008/1
20
MUTTER
12156602/0
21
STANGE
27034066/1
22
GELENK
22746601/0
23
SCHEIBE
25670008/1
24
SPLIT
24487998/0
25
MUTTER
12155000/0
26
SCHRAUBE
12689515/0
27
MUTTER
12154510/0
28
MUTTER
12155000/0
31
KIPPHEBEL
84034059/0
32
VERSCHLUSS
18737852/0
33
BUCHSE
27047004/0
34
RECHTER ACHSSCHENKEL
84230405/0
35
LINKER ACHSSCHENKEL
84230407/0
36
SPRENGRING
12000970/0
37
HALTER
27787041/0
38
SCHRAUBE
12793102/0
39
MUTTER
12155000/0
40
SPANNSTANGE
27840051/0
41
KRONESCHEIBE
12604899/0
42
SCHRAUBE
12692695/0
43
SCHEIBE
12523100/0
44
ENTFERNUNGSSTÜCK
25160016/0
45
GROWER
12587100/0
46
MUTTER
12295300/0
51
VORDERRAD
84680056/0
52
VORDERRAD FELGER
84044002/0
53
BUCHSE
27045070/0
54
REIFEN
27590054/0
55
REIFENSCHLAUCH
27590056/0
56
SCHEIBE
12521390/0
57
SPRENGRING
12000970/0
Gebrauchsanweisungen
Solo
Pflanzenschutzgeräte
Motorsägen
Motorsensen
Motorhacken
Balkenmäher
Vertikutierer
Rasenmäher
Aufsitzmäher / Rasentraktoren
576 / 576 Hydro
575 / 575 Hydro
572 / 572 Hydro
570 / 570 Hydro
562 Hydro
560 / 560 Hydro
557
556
2004
2003
KLEBZETTEL
ZUBEHOERE NACH ANFRAGE
ELETRISCHETEILE (Anlassen von Hand)
AUFFANGSACK
ELETRISCHETEILE (Elektrische Anlassen)
SCHNEIDWERKZEUG (2)
SCHNEIDWERKZEUG (1)
SCHNEIDWERKZEUG AUFHEBESATZ
GETRIEBE
MOTOR B&S
BREMSE UND WECHSEL ANTRIEB
LENKGETRIEBE
KARROSSERIE
RAHMENSATZ
2002
555 / 555 Hydro
Benzin-Antriebs-Mäher
Benzin-Schiebe-Mäher
Elektro Rasenmäher
Blasgeräte
Multimot
Impressum
(C) by motoruf