Zurück zu
Solo
>
Rasenmäher
>
Aufsitzmäher / Rasentraktoren
>
562 Hydro
>
1999
>
GETRIEBEJ92 hy. / JP92 hy. / JT92 hy.
Ersatzteillisten für Solo Rasenmäher GETRIEBEJ92 hy. / JP92 hy. / JT92 hy.
Pos.
Bezeichnung
Ersatzteilnummer
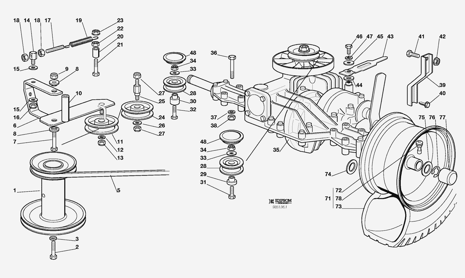
1
RIEMENSCHEIBE
25601548/1
2
SCHRAUBE
12737310/0
3
SCHEIBE
12543000/0
5
RIEMEN
35062010/0
6
HEBEL
82318133/0
7
SCHRAUBE
12692080/0
8
BÜCHSE
25038002/0
9
MUTTER
12155000/0
10
ENTFERNUNGSSTÜCK
25160017/0
11
RIEMENSCHEIBE
25601554/0
12
SCHEIBE
12523060/0
13
MUTTER
12155000/0
14
BOLZEN
25510040/1
15
SCHEIBE
25670011/0
16
MUTTER
12155000/0
17
SPANNSTANGE
25840005/0
18
MUTTER
12293200/0
19
FEDER
25430219/0
20
ENTFERNUNGSSTÜCK
25160017/0
21
SCHRAUBE
25943001/0
22
MUTTER
12293201/0
23
MUTTER
12155000/0
24
RIEMENSCHEIBE
25601555/0
25
BOLZEN
25510036/0
26
SCHEIBE
12523060/0
27
MUTTER
12155000/0
28
RIEMENSCHEIBE
25601558/1
29
KURZ ABSTANDSSTÜCK
25160018/0
30
RECHTER ENTFERNUNGSSTÜCK
25160014/0
31
SCHRAUBE
12691100/0
32
SCHRAUBE (räder 15”)
12691200/0
33
SCHEIBE
12523060/0
34
MUTTER
12155000/0
35
HINTERACHSE
18400920/0
36
SCHRAUBE
12691800/0
37
SCHEIBE
12521350/0
38
MUTTER
12155000/0
39
BRIDE
25774247/0
40
SCHRAUBE
12735150/0
41
SCHRAUBE
12792610/0
42
MUTTER
12293201/0
43
HEBEL
25318149/0
44
SCHEIBE
12521370/0
45
SCHEIBE
12523050/0
46
SCHRAUBE
12735520/0
47
GROWER
12582100/0
48
DECKEL
25109521/0
71
TURF SAVER CARLISLE
82680003/0
72
HINTRERRAD FELGER
82000592/0
73
TURF SAVER CARLISLE
25590001/0
74
SCHEIBE
12521410/0
75
SCHEIBE
25670005/1
76
SPRENGRING
12001010/0
77
RADNABE DECKEL
22110230/0
78
VENTIL
25950000/0
Gebrauchsanweisungen
Solo
Pflanzenschutzgeräte
Motorsägen
Motorsensen
Motorhacken
Balkenmäher
Vertikutierer
Rasenmäher
Aufsitzmäher / Rasentraktoren
576 / 576 Hydro
575 / 575 Hydro
572 / 572 Hydro
570 / 570 Hydro
562 Hydro
2004
2003
2000
1999
ELEKTRISCHES SCHEMA 15,5 HP B&S (J92 hy. JP92 hy. JT92 hy.)
ELEKTRISCHES SCHEMA 10,5 - 12,5 - 13 HP B&S - 13 HP TECUMSEH (J92 hy. JP92 hy. JT92 hy.)
ELEKTRISCHES SCHEMA 15,5 HP B&S (J92 JP92 JT92)
ELEKTRISCHES SCHEMA 10,5 - 12,5 - 13 HP B&S - 13 HP TECUMSEH (J92 JP92 JT92)
ZUBEHOERE NACH ANFRAGE
ELEKTRISCHETEILE J92 hy. / JP92 hy. / JT92 hy.
ELEKTRISCHETEILE J92 / JP92 / JT92
AUFFANGSACK (2. - BEWEGLICHER TEIL)
AUFFANGSACK (1. - FESTER TEIL)
SCHNEIDWERKZEUG (2)
SCHNEIDWERKZEUG (1)
SCHNEIDWERKZEUG AUFHEBESATZ
GETRIEBEJ92 hy. / JP92 hy. / JT92 hy.
GETRIEBE J92 / JP92 / JT92
MOTOR 15,5 HP B&S
MOTOR 13 HP TECUMSEH
MOTOR 10,5 - 12,5 - 13 HP B&S
GETRIEBE UND BREMSE ANTRIEB J92 hy. / JP92 hy. / JT92 hy.
BREMSE UND WECHSEL ANTRIEB
LENKGETRIEBE
KARROSSERIE JT92 / JT92 hy.
KARROSSERIE JP92 / JP92 hy.
RAHMENSATZ
KARROSSERIE J92 / J92 hy.
560 PM
560 / 560 Hydro
557
556
555 / 555 Hydro
Benzin-Antriebs-Mäher
Benzin-Schiebe-Mäher
Elektro Rasenmäher
Blasgeräte
Multimot
Impressum
(C) by motoruf