Zurück zu
Solo
>
Pflanzenschutzgeräte
>
Sprühgeräte
>
Master 412 / Master 412 FP
>
ET 12/1989 Druck 9 412 707
>
Gebläse
Ersatzteillisten für Solo Pflanzenschutzgeräte Gebläse
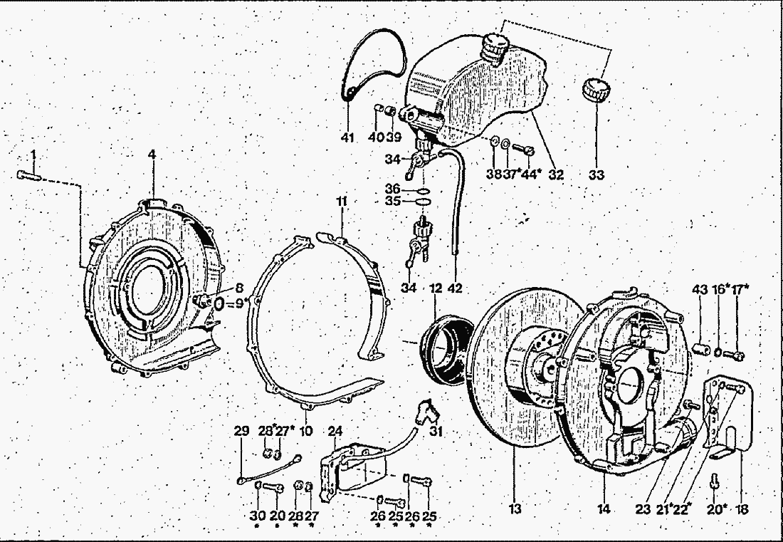
Pos.
Bezeichnung
Ersatzteilnummer
1
ZYL.BL.SHR.4,8X45 7971BZ.
0010504
4
GEBLAESEGEHAEUSE2
4400268
8
6KT.MU.M8X1L/M15 SW.17 SPN.
0021233
9
SI.SCHEIBE8 SCR.
0034115
10
Zwischenflansch 1
4073563
11
Zwischenflansch 2
4073564
12
ABDECKUNG
4074805
13
LUEFTERRAD MAGNET.
4400211
14
*** keine Bezeichnung vorhanden
4400267
16
Federring 6
0034114
17
ZYL.SHR.M6X25 84A-4.8ZN GELB
0010193
18
AUSPUFFSCHUTZ
2500540
20
ZYL.SHR.M5X10 84A-4.8ZN GELB
0010175
21
FEDERRING5 128A ZN VSK
0034147
22
ZYL.BL.SHR.4,8X16 7971C.
0010279
23
ZYL.SHR.M5X75 84A-4.8ZN GELB
0010204
24
ZUENDMODUL PRÜFREX CDI 120/2C
2300487
29
KABEL115 MASSE.SWZ.
0084537
30
Sicherungsscheibe
0034100
31
KERZENSTECKER
2300623
32
BENZINTANK
2700305
33
TANKVERSCHL.32SR.GWD.I.
2700178
DIC.19X27X1,5NBR.45SH.A
0061107
34
BENZINHAHN SENKR.ABG.
2700310
35
O.RING13X3NBR/PERB 70SH.CA.
0062144
36
O.RING9X2NBR/PERB 70SH.CA.
0062116
37
FEDERSCHEIBE6 137B
0034107
38
Scheibe 6,4 mm <- )
0030100
39
Dämpfungsgummi <- )
0094197
40
ROHR8X0,8X7DIST.
4035945
41
DIC.RING95X105X12,5 40SH.ZCHG
0062127
42
SCHLAUCH5X1,5XMT.HERCLOR
0064319
43
RING7X12X3DIST.
0033284
44
ZYL.BL.SHR.5.5X32 7971C.ZN.GB.
0010458
ZAHNSCHEIBE4,3 6797A
0034196
Gebrauchsanweisungen
Solo
Pflanzenschutzgeräte
Druckspritzen
Rückenspritzen
Motor Rückenspritzen
Sprühgeräte
Master 412 / Master 412 FP
ET 12/1989 Druck 9 412 707
Motor
Gebläse
Starter
Behältergestell
Sprührohr
Zubehör
ET 11/1992 Druck 9 412 708
PORT 423 / PORT 423 FP
PORT 423 S
444
450
Fahrbare Sprühgeräte
Granulat-Streuer
Motorsägen
Motorsensen
Motorhacken
Balkenmäher
Vertikutierer
Rasenmäher
Blasgeräte
Multimot
Impressum
(C) by motoruf