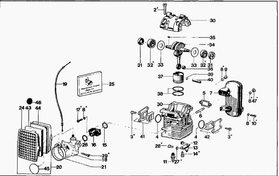
| Pos. | Bezeichnung | Ersatzteilnummer | |
| 2 | ZYL.SHR.M5X45 912-8.8ZN GELB | 0010317 |
| 3 | 6KT.SHR.M4X12FLSH.M6SF-TT.WN78 | 0018209 |
| 4 | O.RING34X2,5 ACM CA. 70 SH. | 0062224 |
| 5 | DIC.AUSPUFF1,2 DICK | 2061308 |
| 6 | STIFTSHR.M5X15 835-8.8 | 0015158 |
| 7 | AUSPUFF | 2500393 |
| 8 | Sicherungsscheibe | 0034100 |
| 9 | 6KT.MU.M5 12HOCH SPEZ. | 0021130 |
| 10 | ZYL.SHR.M5X12 84A-4.8ZN. | 0010166 |
| 11 | ZUENDKERZE W 7AC 0241235619 | 2300101 |
| 12 | DIST.ST.6X10X7,8 | 0033285 |
| 13 | BEFEST.WINKEL | 2043244 |
| 14 | 6KT.SHR.M5X20FLSH.M6SF-TT | 0018188 |
| 15 | O.RING24X2FPM/VITON 80SH. | 0062250 |
| 16 | VERGASERSTUTZEN | 2300595 |
| 17 | ZYL.SHR.M5X16 84A-4.8ZN GELB | 0010177 |
| 18 | VERGASER 1/15/109BING | 2300555 |
| 19 | BOWDENZUG GAS1X401 | 2800262 |
| 20 | FILTER LUFT. | 2500570 |
| 21 | SCHELLE68X10 | 0066404 |
| 24 | DECKEL FILTER. | 2073500 |
| 25 | REP.SET.VERG.44-021/224 | 0510854 |
| 26 | O.RING20X1,5NBR/PERB 70SH.CA. | 0062235 |
| 27 | Federring 6 | 0034114 |
| 28 | ZYL.SHR.M6X16 84-4.8ZN | 0010143 |
| 29 | ZYL.BL.SHR.3,9X50 7971C. ZN | 0010507 |
| 30 | ZYL.42,00 BU.+KGH. | 2100422 |
| 31 | WD.RING15X35X6 RP 2S | 0054256 |
| 32 | KUG.LAG.15X35X11 6202 C4 | 0050102 |
| 33 | SCHEIBE26X37X1 988PA ZN. | 0031502 |
| 34 | KURBELWELLE 3TLG. | 2200776 |
| 35 | Scheibenfeder 2x3,7 mm | 0075100 |
| 36 | NADELKAEFIG10X13X14,5KBK0-2 | 0052206 |
| 37 | KOLBEN 42,00 | 2200825 |
| KOLBEN 42,50 | 2200842 |
| 38 | KOLBENRING42X1,5 | 2048229 |
| 39 | SI.RING10X0,8A SPRG. | 0055144 |
| 40 | KOLBENBOLZEN10/6X32 | 2031238 |
| 41 | UEBERSTROEMKANALD.1D | 2200843 |
| 42 | UEBERSTROEMKANALD.2D | 2200849 |
| 43 | FILTEREINSATZ | 2048157 |
| 44 | FILTERGEHAEUSE | 2500572 |
| 45 | SCHEIBE43X48X2 | 2074252 |
| 46 | TUELLE9X12/16X2/7 KABEL. | 2063229 |
| 47 | 6KT.MU.M5 THE. | 0028105 |
| FEDERRING5 128A ZN VSK | 0034147 |