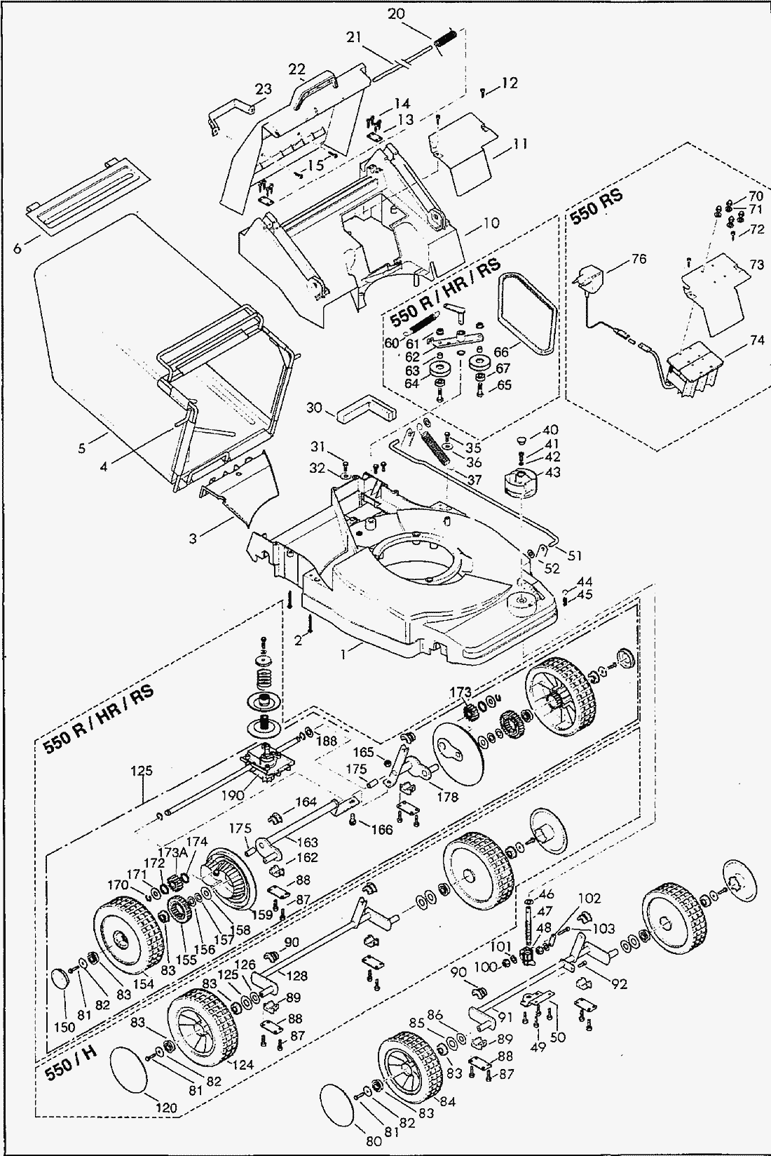
| Pos. | Bezeichnung | Ersatzteilnummer | |
| -- | MOTOR 160CCM4T.5,5PS HONDA | 2000462 |
| -- | B & S Motor 190 ccm | 2000401 |
| -- | STIFTSCHL.SW5/16"6KT.WI.35/100 | 0080522 |
| -- | KOMBISCHLUESSEL21+SHR.DRE.6 ZN | 0080487 |
| 1 | RASENMAEHERGEHAEUSE | 5011714 |
| 2 | Linsenschraube 5x35 | 0018276 |
| 3 | SCHAUFEL 550 | 5073645 |
| 4 | RAHMEN 550 | 5300640 |
| 5 | GRASFANGSACK | 5900772 |
| 6 | Abdeckung | 5900774 |
| 10 | RASENMAEHERGEHAEUSE AUFSATZ | 5073618 |
| 11 | Deckel Aufsatz | 5073670 |
| 12 | LI.SHR.5X18KTKX T25 | 0018258 |
| 13 | HALTEBLECH | 5042818 |
| 14 | Linsenschraube 5x25 mm | 0018257 |
| 15 | LI.SHR.5X18KTKX T25 | 0018258 |
| 20 | FEDER 3X12 DREH. | 0073299 |
| 21 | ACHSE | 5036403 |
| 22 | SCHUTZKLAPPE M.GRIFF ROT VS. | 5300634 |
| -- | Griff, schwarz | 5074562 |
| -- | LI.SHR.5X18KTKX T25 | 0018258 |
| 23 | Griff, schwarz | 5074562 |
| 25 | Linsenschraube 5x25 mm | 0018257 |
| 28 | Abdeckung | 5900774 |
| 30 | DIC.SCHAUMSTOFF | 5048372 |
| 31 | 6KT.SHR.M6X20FLSH.M6SF-TT.WN78 | 0018185 |
| 32 | Scheibe 6,4 mm | 0030125 |
| 35 | 6KT.SHR.M6X20FLSH.M6SF-TT.WN78 | 0018185 |
| 36 | Scheibe 6,4 mm | 0030125 |
| 37 | FEDER 2,5X14,5X165 ZUG. | 0071227 |
| 40 | STOPFEN M16X1,5F111 VERSCHL. | 5074375 |
| 41 | ZYL.SHR.M6X16KXRI.T25 10.9 | 0018346 |
| 42 | Scheibe 6,4 mm <- ) | 0030100 |
| 43 | Verstellknopf | 5074373 |
| 44 | KUG.8 5401KL.3 | 0052116 |
| 45 | FEDER 1X6,5X18 DRK. | 0070208 |
| 46 | SCHEIBE10,2X30X1,5 AN. | 0031497 |
| 47 | GWD.SPINDEL T14X2 2G. | 5031244 |
| 48 | VERST.MU.T14X2 2G. | 5074986 |
| 49 | 6KT.SHR.M6X20FLSH.M6SF-TT.WN78 | 0018185 |
| 50 | FUEHRUNGSBLECH | 5043356 |
| 51 | VERB.STANGE | 5036407 |
| 52 | SI.SCHEIBE8F12/6780 581 | 0055244 |
| 60 | FEDER 1,8X12,7X44 ZUG. | 0071234 |
| 61 | Sechskantmutter M4 | 0028118 |
| 62 | HEBEL SCHALT. | 5800287 |
| 63 | HUELSE8,5X12X8,5DIST. | 0033381 |
| 64 | KEILRIEMENSHB.50X12 | 3015234 |
| 65 | 6KT.SHR.M8X30/14 BND. | 0011311 |
| 66 | KEILRIEMEN 10X8X800 | 0057207 |
| 67 | KUG.LAG.8X22X7 608 2RS | 0050146 |
| 70 | HUTMUTTER M5 986ZN GELB | 0024121 |
| 71 | Scheibe 5,3 mm | 0030108 |
| 72 | Zylinderschraube M5x16 | 0018336 |
| 73 | Deckel Aufsatz | 5073670 |
| 74 | BATTERIE 12 VOLT | 0084572 |
| 76 | LADEGERAET | 7900297 |
| 80 | RADKAPPE 115 ROT | 5074104 |
| 81 | 6KT.SHR.M5X12FLSH.M6SF-TT.WN78 | 0018193 |
| 82 | SCHEIBE5,5X27X1 DRK. | 0031540 |
| 83 | KUG.LAG.12X27X12KL.4.12KON. | 0052272 |
| 84 | RAD 180D NR. 4404.000.00 | 5300613 |
| 85 | SCHEIBE12,2X26X1 AN. | 0031537 |
| 86 | Tellerfeder 12,5x25x0,7 DIN 2093 | 0072155 |
| 87 | Sechskantschraube M5x25 | 0018206 |
| 93 | 6KT.SHR.M6X20FLSH.M6SF-TT.WN78 | 0018185 |
| 88 | ACHSLAGERBLECH | 5042824 |
| 89 | LAGERSCHALE 14,1 UT. | 5074175 |
| 90 | LAGERSCHALE 14,1 OT. | 5074176 |
| 91 | LAGERUNG VORDERRAD. | 5300624 |
| 92 | ZYL.SHR.M6X16 | 0011310 |
| 100 | Sechskantmutter M6 | 0020122 |
| 101 | Scheibe 6,4 mm <- ) | 0030100 |
| 102 | LASCHE | 5042830 |
| 103 | ZYL.SHR.M6X30 6912 8.8ZN | 0010583 |
| 120 | Radkappe Ø 135 mm | 5074102 |
| 124 | Rad Ø 200 mm | 5300632 |
| 125 | ACHSE HINTERRAD.VS. | 5300630 |
| 128 | LAGERUNG HINTERRAD. | 5300625 |
| 150 | RADKAPPE NR. 5600.002.00 | 5074157 |
| 154 | RAD 200D | 5300635 |
| 155 | Zahnrad, 28 Zähne, Mod. 2,5 | 5074301 |
| 156 | SCHEIBE12,2X26X1 AN. | 0031537 |
| 157 | Tellerfeder 12,5x25x0,7 DIN 2093 | 0072155 |
| 158 | SCHEIBE12,2X35X0,5 AN. | 0031552 |
| 159 | Abdeckung | 5073630 |
| 162 | LAGERSCHALE 18,2 UT. | 5074125 |
| 163 | LAGERUNG HINTERRAD.R. | 5300629 |
| 164 | LAGERSCHALE 18,2 OT. | 5074124 |
| 165 | 6KT.MU.M8 980V | 0028107 |
| 166 | 6KT.SHR.M8X20 933-8.8ZN GELB | 0012149 |
| 170 | Sicherungsscheibe 9 DIN 6799 | 0055161 |
| 171 | SCHEIBE12,1X30X1,5 AN. | 0031498 |
| 172 | FILZRING 22,5X27X3,5 | 0061353 |
| 173 | Zahnrad, 14 Zähne, Mod. 2,5 mit Freilauf links | 3400226 |
| 173A | Zahnrad, 14 Zähne, Mod. 2,5 mit Freilauf rechts | 3400225 |
| 174 | SCHEIBE12X18X1,2 988SS | 0031210 |
| 175 | GLEITLAGER12X14X15 | 0053213 |
| 178 | LAGERUNG HINTERRAD.L. | 5300628 |
| 188 | SCHEIBE12,2X26X1 AN. | 0031537 |
| 190 | GETRIEBE RM. | 3000213 |