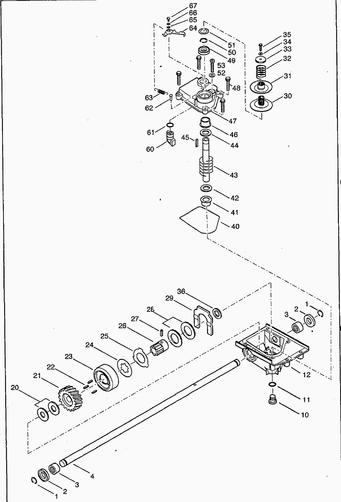
| Pos. | Bezeichnung | Ersatzteilnummer | |
| -- | GETRIEBE RM. | 3000213 |
| 1 | Sicherungsscheibe 9 DIN 6799 | 0055161 |
| 2 | Wellendichtring 12x22x4 | 0054259 |
| 3 | Nadelhülse 12x16x10 | 0052149 |
| 4 | WELLE12X454,3 ABT. | 3031987 |
| 10 | VERSCHL.SHR.M10X1KOMBI-Sternantrieb ZG | 0018387 |
| 11 | Dichtring 10x13,5x1 | 0061210 |
| 12 | Getriebegehäuse Unterteil | 3012825 |
| -- | Getriebe-Öl (MOBIL GEAR 629 VG 150) | 0083167 |
| 20 | Anlaufscheibe 12,2x26x2 | 0031548 |
| 21 | Schneckenrad, 18 Zähne | 3038421 |
| 22 | Spannhülse 3x8 DIN 1481 | 0042122 |
| 23 | Kupplungsglocke Ø 37 mm | 3016367 |
| 24 | Kupplungslamelle N6/16x35x0,8 | 5042775 |
| 25 | Kupplungslamelle 22x36/42x0,8 | 5042774 |
| 26 | Kupplungsnabe 12x19,7x28,8 | 3016357 |
| 27 | Spannstift 4x20 DIN 7344 | 0042300 |
| 28 | Scheibe 20,3x35x2 | 0031596 |
| 29 | Schaltgabel | 3042776 |
| 30 | KEILRIEMENSHB.82X20ZWP.UT. | 3400229 |
| 31 | KEILRIEMENSHB.82X17ZNP.OT. | 3400230 |
| 32 | FEDER 3X30X36 DRK. | 0070295 |
| 33 | NAPF FEDER. | 3031904 |
| 34 | Scheibe 6mm | 0072143 |
| 35 | ZYL.SHR.M6X16KXRI.T25 10.9 | 0018346 |
| 36 | Anlaufscheibe 12,05x20x1,5 | 0031272 |
| 40 | O-Ring 72x1,5 | 0062281 |
| 41 | Buchse 12x14x20x12 | 0053211 |
| 42 | Anlaufscheibe 12,05x20x1,5 | 0031272 |
| 43 | Schneckenwelle | 3031297 |
| 44 | Anlaufscheibe 12,05x20x1,5 | 0031272 |
| 45 | SCHEIBENFEDER4X6,5 6888 | 0075123 |
| 46 | Buchse 12x14x20x12 | 0053211 |
| 47 | Getriebegehäuse Oberteil | 3012882 |
| 48 | Sechskantschraube M5x25 | 0018206 |
| 49 | Wellendichtring 12x22x4 | 0054259 |
| 50 | Sicherungsring 12x1 DIN 471 | 0055134 |
| 51 | SCHEIBE12X18X0,5 988PA | 0031194 |
| 52 | Linsenschraube M5x40 | 0018410 |
| 53 | Dichtring 5x9x1 DIN 7603 | 0061255 |
| 60 | Schaltnocken | 3016417 |
| 61 | O-Ring 10x1,2 | 0062279 |
| 62 | Kerbnagel 3x12 DIN 1476 | 0042301 |
| 63 | FEDER 1X7X28 ZUG.GTR. | 0071218 |
| 64 | Schalthebel | 3043905 |
| 65 | Scheibe 5,2x12x0,5 mm | 0072140 |
| 66 | Scheibe 5,2x12x0,5 mm | 0072140 |
| 67 | ZYL.SHR.M5X10KXRI.T25 10.9 | 0018334 |