Zurück zu
Solo
>
Rasenmäher
>
Aufsitzmäher / Rasentraktoren
>
555 / 555 Hydro
>
2000
>
ELEKTRISCHES SCHEMA 10,5 - 8,5 - 10 HP B&S - 10 HP TECUMSEH (F72 hy.)
>
Gesamtansicht
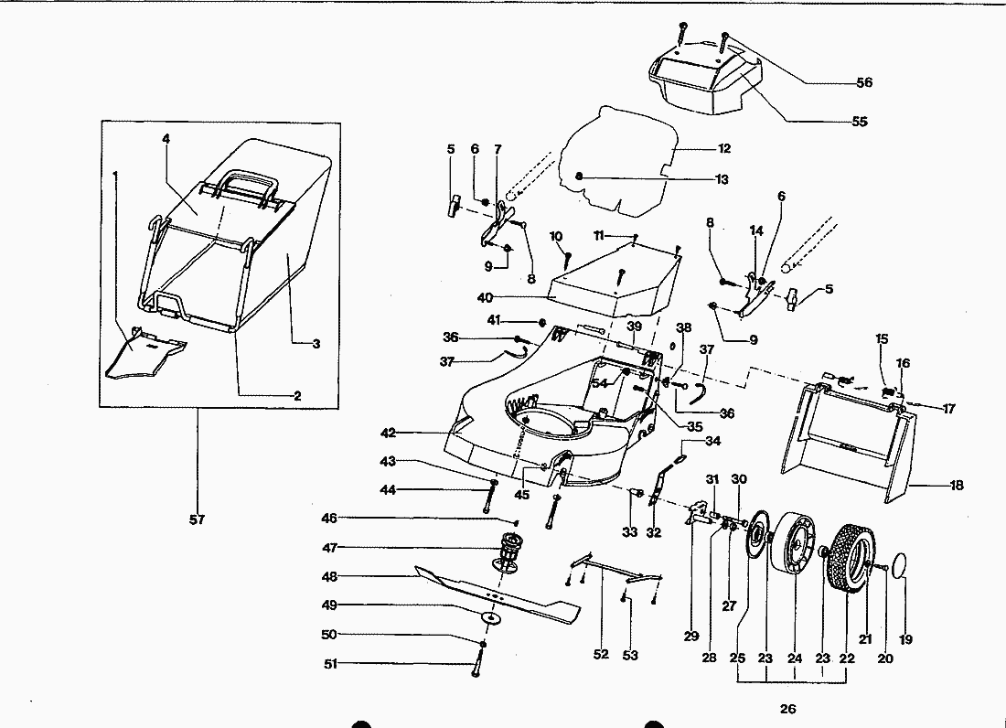
Ersatzteillisten für Solo Rasenmäher Gesamtansicht
Pos.
Bezeichnung
Ersatzteilnummer
45
SCHEIBE
10200141
8
SCHRAUBE
10100261
Pos.
Bezeichnung
Ersatzteilnummer
1
LEITBLECH
2020187
2
GESTELL
00011098
3
GRASFANGSACK 553
3160042
4
SCHUTZ
2020149
5
MUTTER
20200501
6
6KT.MU.M8
1050011
7
HOLMUNTERTEIL
3120095
9
6KT.MU.M8
1050011
10
SENKSHR.M5X40 965
1010082
11
SENKSHR.M5X14 965
1010070
13
6KT.MU.M8
1050011
14
HOLMUNTERTEIL
3120096
15
FEDER2X14,5X32 DREH.
3020027
16
BUCHSE6X11X44,5ZN.
3140238
17
SCHLAUCH3X1X35 PVC
2020203
18
KLAPPE AUSWURF.
2020189
19
DECKEL33/75 F.RAD
2020062
20
SCHRAUBE
10100181
21
SCHEIBE
10200071
22
RADMANTEL 553
2020083
23
LAGER21X32 KONUS.
3030013
24
FELGE207
2020082
25
ABDECKUNG RAD.
2020128
26
RAD KPL.
00015176
27
BU.12X22X6KT. DIST.
2020088
28
FEDERSCHEIBE12 137B
1020050
29
RADHALTER
4020028
30
6KT.SHR.M10X70 931 8.8ZN.
1010116
31
BU.10X14X23 DIST.
3040118
32
HEBEL RAD.R.
4020038
32
HEBEL RAD.L.
4020039
33
BU.10X14X23 DIST.
3040118
34
KNOPF
2020077
35
SCHRAUBE M8X18 SPEZ.
1010079
36
SENKSHR.M5X20 965 4.8ZN.
1010122
37
KABELBAND
50400011
38
HALTER KABELBAND.
2020087
39
BOLZEN6X84
1080018
40
ABDECKUNG KEILRIEMEN.
2020188
41
SI.SCHEIBE 8
1060004
42
GEHŽUSE
020050101
44
6KT.SHR.M8X75
1010097
44
6KT.SHR.M8X100
1010098
44
SCHRAUBE
1010135
45
6KT.MU.M10
1050012
46
SCHEIBENFEDER
10900011
47
ROHRNABE22,4X50X105+KSHB.55
3040104
48
PROP.MESSER525X60X4 16+2X8RL
4050019
49
FEDER
11100021
50
SI.SCHEIBE10,6X16X1 SCR.
1020067
51
6KT.SHR.3/8"24UNF 82
1010128
52
VERSTEIFUNG
01032298
53
SCHRAUBE
10100241
54
MUTTER
10500021
55
MOTORABDECKUNG
2020165
56
SCHRAUBE
1010154
57
GRASFANGSACK kpl.
00010098
57
*** keine Bezeichnung vorhanden
10098
Gebrauchsanweisungen
Solo
Pflanzenschutzgeräte
Motorsägen
Motorsensen
Motorhacken
Balkenmäher
Vertikutierer
Rasenmäher
Aufsitzmäher / Rasentraktoren
576 / 576 Hydro
575 / 575 Hydro
572 / 572 Hydro
570 / 570 Hydro
562 Hydro
560 / 560 Hydro
557
556
555 / 555 Hydro
2004
2003
2002
2001
2000
ELEKTRISCHES SCHEMA 10,5 - 8,5 - 10 HP B&S - 10 HP TECUMSEH (F72 hy.)
Bedienteile
Hinterradachse + Fahrantrieb
Hinterradachse
Gesamtansicht
ELEKTRISCHES SCHEMA 10,5 - 8,5 - 10 HP B&S - 10 HP TECUMSEH (F72)
KLEBZETTEL
ZUBEHOERE NACH ANFRAGE
ELEKTRISCHETEILE F72 hy.
ELEKTRISCHETEILE F72
AUFFANGSACK
SCHNEIDWERKZEUG (2)
SCHNEIDWERKZEUG (1)
SCHNEIDWERKZEUG AUFHEBESATZ
GETRIEBE F72 hy.
GETRIEBE F72
MOTOR 10 HP TECUMSEH
MOTOR 8,5 HP B&S
MOTOR 10,5 HP B&S
GETRIEBE UND BREMSE ANTRIEB F72 hy.
LENKGETRIEBE
BREMSE UND WECHSEL ANTRIEB F72
RAHMENSATZ
KARROSSERIE F72 / F72 hy.
1999
555 PM
Benzin-Antriebs-Mäher
Benzin-Schiebe-Mäher
Elektro Rasenmäher
Blasgeräte
Multimot
Impressum
(C) by motoruf