Zurück zu
Solo
>
Motorsensen
>
Semiprofessionelle Motorsensen
>
127
>
ET 07/1996 Druck 9 127 700
>
Griff / Gasbetätigung
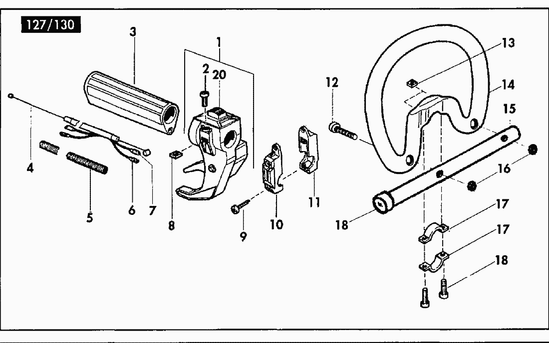
Ersatzteillisten für Solo Motorsensen Griff / Gasbetätigung
Pos.
Bezeichnung
Ersatzteilnummer
1
Gasgriff
6800306
2
Zylinderschraube M5x20 DIN 84 A
0010182
3
Griff 24x125
6063331
4
BOWDENZUG GAS1,25X484
2800345
5
Schlauch 8,5 mm
006440127
6
KABEL1,8X525 MASSE.
0084692
7
KABEL1,8X530 KURZSCHLUSS.
0084693
8
Vierkantmutter M5
0020160
9
Linsenschraube 4x25
0018357
10
Gurtbefestigung 1
2074931
11
Gurtbefestigung 2
2074932
12
Zylinderschraube M5x45
0018389
13
Vierkantmutter M5
0021241
14
Griffholm
6073584
15
Anschlag
6035975
16
Sechskantmutter M5 DIN 980
0028110
17
Schelle 24
6043438
18
Zylinderschraube M5x25
0018338
19
Verschlußstopfen 12x20
2074945
20
Kurzschlußschalter, Gasgriff
6800328
Gebrauchsanweisungen
Solo
Pflanzenschutzgeräte
Motorsägen
Motorsensen
Professionelle Motorsensen
Semiprofessionelle Motorsensen
130R / 130LR / 130 BR
132
130 H
130
127 H
127
ET 02/1998 Druck 9 127 701
ET 07/1996 Druck 9 127 700
Werkzeug / Serienausrüstung
Werkzeug / Serienausrüstung
Schaftrohr / Schutz
Getriebe / Schutz
Griffrohr/ Gasbetätigung
Motor / Gehäuse
Griff / Gasbetätigung
Leichte-Benzimotor-Sensen
Elektromotor-Sensen
Motorhacken
Balkenmäher
Vertikutierer
Rasenmäher
Blasgeräte
Multimot
Impressum
(C) by motoruf