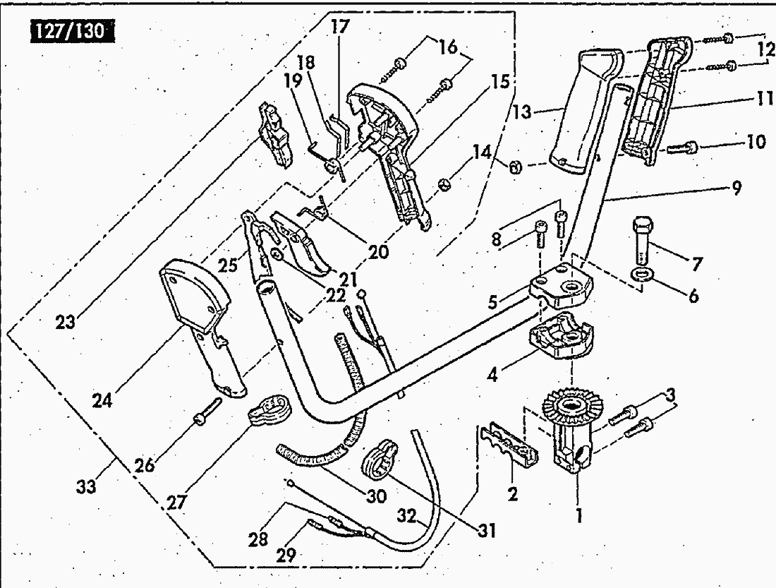
| Pos. | Bezeichnung | Ersatzteilnummer | |
| 1 | Klemmhalter, 24 mm | 6012843 |
| 2 | Gurtbefestigung | 6800264 |
| 3 | Zylinderschraube M5x20 mm | 0018337 |
| 4 | Klemmschale, für Ø 22 mm | 6012836 |
| 5 | Klemmschale, für Ø 22 mm | 6012837 |
| 6 | Scheibe 8,4 DIN 9021A | 0030128 |
| 7 | Sechskantschraube M8x65, SW19 | 0012376 |
| 8 | Zylinderschraube M5x20 mm | 0018337 |
| 9 | Bike-Griffrohr 22x1,5 | 6035370 |
| 10 | Zylinderschraube M5x30 | 0018339 |
| 11 | Griffhälfte für Ø 22 mm | 6073567 |
| 12 | Linsenschraube 4x20 | 0018356 |
| 13 | Griffhälfte für Ø 22 mm | 6073568 |
| 14 | Sechskantmutter M5 EN 27040 | 0020131 |
| 15 | Griffhälfte für Ø 22 mm | 6073570 |
| 16 | Linsenschraube 4x20 | 0018356 |
| 17 | Kontaktfeder | 0073389 |
| 18 | Kontaktfeder | 0073388 |
| 19 | Schenkelfeder 1,3x6, Schieber | 0073387 |
| 20 | Schenkelfeder 1x8, Gashebel | 0073386 |
| 21 | Gashebel | 6073573 |
| 22 | Sicherungsscheibe 4,5x0,3 | 0035158 |
| 23 | Schieber | 6073572 |
| 24 | Griffhälfte für Ø 22 mm | 6073569 |
| 25 | Sicherungshebel | 6073571 |
| 26 | Zylinderschraube M5x30 | 0018339 |
| 27 | Halter 22 Bowdenzug | 5074100 |
| 28 | KABEL1120 KURZSCHLUSS. RT. | 0084676 |
| 29 | KABEL1115 MASSE.GN. | 0084675 |
| 30 | SCHLAUCH8,5X500FFTYL WEL. | 0064401 |
| 31 | Bowdenzughalter, 24 mm | 6074527 |
| 32 | BOWDENZUG GAS1,25X1080 | 2800342 |
| 33 | GRIFF22 R. | 6800302 |