Zurück zu
Solo
>
Rasenmäher
>
Aufsitzmäher / Rasentraktoren
>
562 Hydro
>
2003
>
LENKGETRIEBE
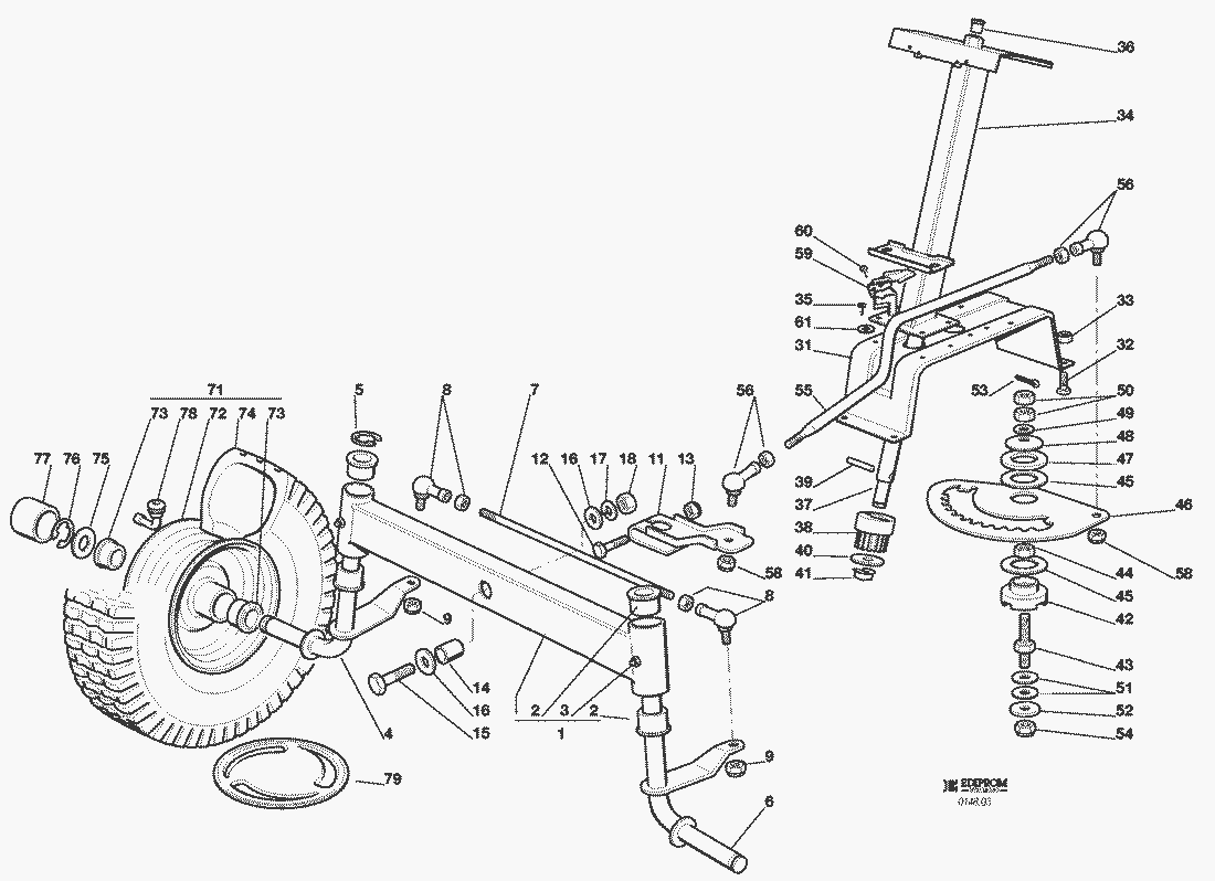
Ersatzteillisten für Solo Rasenmäher LENKGETRIEBE
Pos.
Bezeichnung
Ersatzteilnummer
1
KIPPHEBEL MIT BÜCHSE UND FETTBÜCHSE
82034008/0
2
BÜCHSE
25034002/1
3
FETTBÜCHSE
12379511/0
4
RECHTER ACHSSCHENKEL
82230355/0
5
SPRENGRING
12001000/0
6
LINKER ACHSSCHENKEL
82230357/0
7
SPANNSTANGE
25840006/0
8
GELENK
22746600/0
9
MUTTER
12156602/0
11
HEBEL
25318142/0
12
SCHRAUBE
12692390/0
13
MUTTER
12156602/0
14
ENTFERNUNGSSTÜCK
25160016/0
15
SCHRAUBE
12692695/0
16
SCHEIBE
12523100/0
17
GROWER
12587100/0
18
MUTTER
12295300/0
31
HALTER
25785101/0
32
SCHRAUBE
12792611/0
33
MUTTER
12155000/0
34
HALTER
82785101/0
35
SCHRAUBE
12735120/0
36
BÜCHSE
25038003/0
37
LENKUNGSAEULE
25520003/0
38
RITZEL
25570000/0
39
STIFT
12622650/0
40
SCHEIBE
12521370/0
41
PLATTECHEN
12436030/0
42
BÜCHSE
25040617/0
43
BOLZEN
25510065/1
44
MUTTER
12295200/0
45
SCHEIBE
25670012/0
46
LENKUNGSWELLE
25735507/0
47
SCHEIBE
25670014/0
48
FEDERSCHEIBE
22160400/0
49
SCHEIBE
12521360/0
50
MUTTER
12295200/0
51
SCHEIBE
22672150/0
52
SCHEIBE
12523080/0
53
SPLIT
12141418/0
54
MUTTER
12156602/0
55
LENKUNGSSTAB
25033025/0
56
GELENK
22746600/0
58
MUTTER
12156602/0
59
SCHUTZ (hydro)
25600036/0
60
SCHRAUBE
12727810/0
61
SCHEIBE
12521330/0
71
VORDERRAD
VORDERRAD
71
TURF SAVER CARLISLE
82680002/1
71
DELI TIRE
82680005/0
72
VORDERRAD FELGER
82000590/0
73
LAGER
25122200/2
74
REIFEN
REIFEN
74
TURF SAVER CARLISLE
25590000/0
74
DELI TIRE
25590002/0
75
SCHEIBE
25670005/1
76
SPRENGRING
12001000/0
77
RADNABE DECKEL
22110230/0
78
VENTIL
25950002/0
79
VORRDERRAD DECKEL(TCP - TCB)
82110252/0
Gebrauchsanweisungen
Solo
Pflanzenschutzgeräte
Motorsägen
Motorsensen
Motorhacken
Balkenmäher
Vertikutierer
Rasenmäher
Aufsitzmäher / Rasentraktoren
576 / 576 Hydro
575 / 575 Hydro
572 / 572 Hydro
570 / 570 Hydro
562 Hydro
2004
2003
KLEBZETTEL
ZUBEHOERE NACH ANFRAGE
ELETRISCHETEILE
SCHNEIDWERKZEUG (2)
SCHNEIDWERKZEUG (1)
SCHNEIDWERKZEUG AUFHEBESATZ
GETRIEBE 98s hydro
GETRIEBE 98s
MOTOR 13 HP TECUMSEH
MOTOR 12 - 12,5 - 13,5 HP B&S
GETRIEBE UND BREMSE ANTRIEB (98s hydro)
LENKGETRIEBE
BREMSE UND WECHSEL ANTRIEB (98s)
KARROSSERIE (JB)
KARROSSERIE (JTP)
KARROSSERIE (JT)
KARROSSERIE (JR)
KARROSSERIE (JP)
KARROSSERIE (J)
RAHMENSATZ
2000
1999
560 PM
560 / 560 Hydro
557
556
555 / 555 Hydro
Benzin-Antriebs-Mäher
Benzin-Schiebe-Mäher
Elektro Rasenmäher
Blasgeräte
Multimot
Impressum
(C) by motoruf