Zurück zu
Solo
>
Rasenmäher
>
Aufsitzmäher / Rasentraktoren
>
562 Hydro
>
2003
>
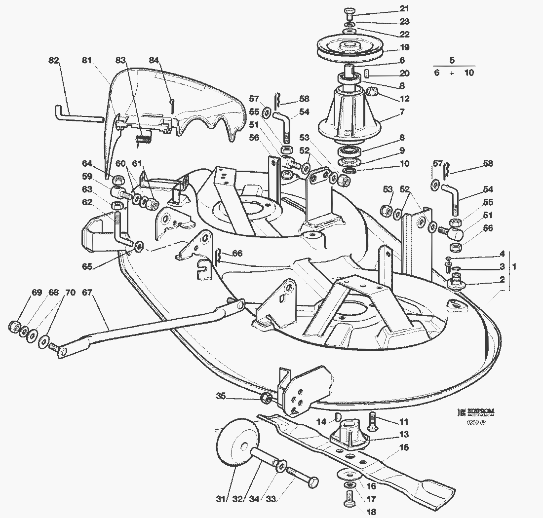
SCHNEIDWERKZEUG (2)
Ersatzteillisten für Solo Rasenmäher SCHNEIDWERKZEUG (2)
Pos.
Bezeichnung
Ersatzteilnummer
SCHNEIDWERKZEUG, KOMPLETT (008a.0, 1÷35 + 009a.0, 1÷35)
82564040/0
1
SCHNEID
82564041/0
2
WASSERANSCHLUSS
25033060/0
3
O RING
19035000/0
4
NIET
12500030/0
5
LINKE NABE, KOMPLETT (6÷10)
82207202/0
6
WELLE
25020802/0
7
MESSERWELLE
25207200/0
8
KUEGELLAGER
19216032/0
9
STAUBSCHUTSCHEIBE
25160501/0
10
SEEGER
12609260/0
11
SCHRAUBE
12818700/0
12
MUTTER
12154210/0
13
MESSERHALTER
25463200/0
14
KEIL
12139100/0
15
MESSER
82004346/0
16
FEDERSCHEIBE
22160400/0
17
SCHEIBE
12523080/0
18
SCHRAUBE
12735694/0
19
RIEMENSCHEIBE
25601571/0
20
KEIL
12139480/0
21
SCHRAUBE
12793102/0
22
SCHEIBE
25670007/0
23
GROWER
12583500/0
31
SKALPIERSCHUTZRÃDCHEN
82700002/0
32
ENTFERNUNGSSTÜCK
25510072/0
33
SCHRAUBE
12692050/0
34
SCHEIBE
12523060/0
35
MUTTER
12293201/0
51
BOLZEN
25510024/0
52
SCHEIBE
25670008/1
53
MUTTER
12156602/0
54
SPANNSTANGE
25840003/2
55
MUTTER
12295200/0
56
MUTTER
12156602/0
57
SCHEIBE
12521360/0
58
SPLIT
24487997/0
59
BOLZEN
25510024/0
60
SCHEIBE
25670008/1
61
MUTTER
12156602/0
62
SPANNSTANGE
25840012/0
63
MUTTER
12295200/0
64
MUTTER
12156602/0
65
SCHEIBE
12521360/0
66
SPLIT
24487997/0
67
KIPPHEBEL
82000474/1
68
SCHEIBE
12523060/0
69
MUTTER
12156602/0
70
SCHEIBE
25670008/1
81
AUSWURFSCHUTZ
25600056/0
82
BOLZEN
25510073/0
83
FEDER
25430242/0
84
SPLIT
12141418/0
Gebrauchsanweisungen
Solo
Pflanzenschutzgeräte
Motorsägen
Motorsensen
Motorhacken
Balkenmäher
Vertikutierer
Rasenmäher
Aufsitzmäher / Rasentraktoren
576 / 576 Hydro
575 / 575 Hydro
572 / 572 Hydro
570 / 570 Hydro
562 Hydro
2004
2003
KLEBZETTEL
ZUBEHOERE NACH ANFRAGE
ELETRISCHETEILE
SCHNEIDWERKZEUG (2)
SCHNEIDWERKZEUG (1)
SCHNEIDWERKZEUG AUFHEBESATZ
GETRIEBE 98s hydro
GETRIEBE 98s
MOTOR 13 HP TECUMSEH
MOTOR 12 - 12,5 - 13,5 HP B&S
GETRIEBE UND BREMSE ANTRIEB (98s hydro)
LENKGETRIEBE
BREMSE UND WECHSEL ANTRIEB (98s)
KARROSSERIE (JB)
KARROSSERIE (JTP)
KARROSSERIE (JT)
KARROSSERIE (JR)
KARROSSERIE (JP)
KARROSSERIE (J)
RAHMENSATZ
2000
1999
560 PM
560 / 560 Hydro
557
556
555 / 555 Hydro
Benzin-Antriebs-Mäher
Benzin-Schiebe-Mäher
Elektro Rasenmäher
Blasgeräte
Multimot
Impressum
(C) by motoruf