Zurück zu
Solo
>
Rasenmäher
>
Aufsitzmäher / Rasentraktoren
>
560 / 560 Hydro
>
2004
>
LENKGETRIEBE
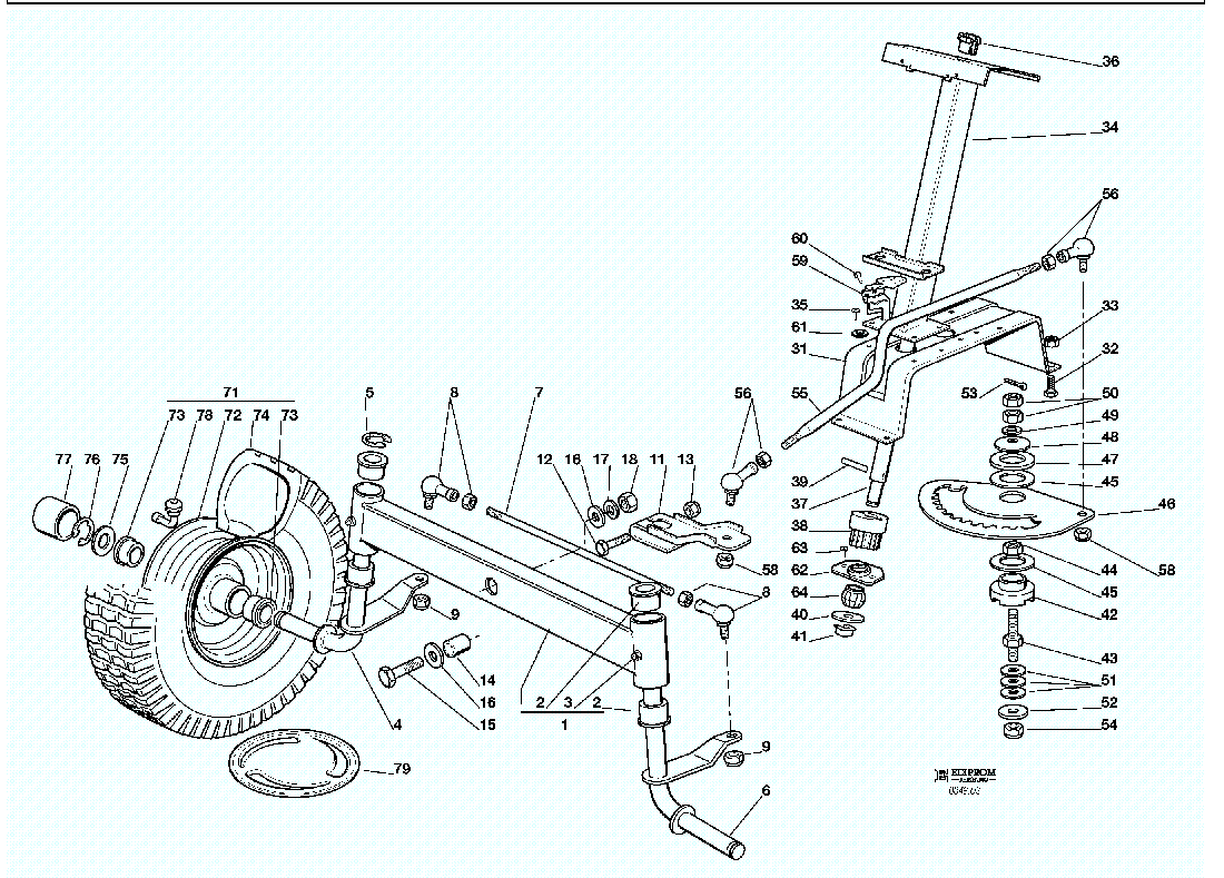
Ersatzteillisten für Solo Rasenmäher LENKGETRIEBE
Pos.
Bezeichnung
Ersatzteilnummer
1
PEDAL
82500002/1
2
BRIDEDECKEL
25110269/0
3
RECHTE PLATTE
25547039/0
4
LINKE PLATTE
25547041/0
5
SCHRAUBE
12731601/0
6
STANGE
25033036/0
7
BOLZEN
25510060/0
8
FEDER
25430236/0
9
SCHEIBE
12521360/0
10
MUTTER
12295200/0
11
ENTFERNUNGSSTÜCK
25160026/0
12
BRIDE
25774275/0
13
SCHEIBE
12523040/0
14
MUTTER
12154510/0
15
SCHEIBE
12521350/0
16
PLATTE
12436050/0
17
ACHSE
82000361/0
18
FEDER
25430234/0
19
PLATTE
25547049/0
20
SCHRAUBE
12731601/0
21
STANGE
25033043/0
22
KRONESCHEIBE
12604898/0
23
KNOPF
27395050/1
24
MUTTER
12156602/0
31
BOLZEN
25510035/0
32
MUTTER
12155010/0
33
SCHEIBE
22672151/0
34
BRIDE
82774206/0
35
HEBEL
82318134/1
36
FEDER
25430226/0
37
SCHRAUBE
12692050/0
38
MUTTER
12155000/0
39
SCHEIBE
12523060/0
40
MUTTER
12155010/0
41
WECHSEL
25394510/0
42
STANGE
25033012/0
43
GELENK
22746601/0
44
GROWER
12583500/0
45
MUTTER
12293200/0
46
HEBEL
25318128/0
47
SCHRAUBE
12689500/0
48
SCHEIBE
12521330/0
49
MUTTER
12154510/0
50
SPLIT
12141418/0
Gebrauchsanweisungen
Solo
Pflanzenschutzgeräte
Motorsägen
Motorsensen
Motorhacken
Balkenmäher
Vertikutierer
Rasenmäher
Aufsitzmäher / Rasentraktoren
576 / 576 Hydro
575 / 575 Hydro
572 / 572 Hydro
570 / 570 Hydro
562 Hydro
560 / 560 Hydro
2004
KLEBZETTEL
ZUBEHOERE NACH ANFRAGE
ELETRISCHETEILE
AUFFANGSACK (2. BEWEGLICHER TEIL)
AUFFANGSACK (1. FESTER TEIL)
SCHNEIDWERKZEUG (2)
SCHNEIDWERKZEUG (2)
SCHNEIDWERKZEUG (1)
SCHNEIDWERKZEUG AUFHEBESATZ
GETRIEBE 92 hydro
GETRIEBE 92
MOTOR 15 - 15,5 HP B&S
MOTOR 13 HP TECUMSEH
MOTOR 12 - 12,5 - 13,5 HP B&S
GETRIEBE UND BREMSE ANTRIEB
BREMSE UND WECHSEL ANTRIEB
LENKGETRIEBE
KARROSSERIE (JX)
KARROSSERIE (JB)
KARROSSERIE (JTP)
KARROSSERIE (JR)
KARROSSERIE (JT)
KARROSSERIE (JP)
KARROSSERIE (J)
RAHMENSATZ
2003
2002
2001
2000
1999
560 PM
557
556
555 / 555 Hydro
Benzin-Antriebs-Mäher
Benzin-Schiebe-Mäher
Elektro Rasenmäher
Blasgeräte
Multimot
Impressum
(C) by motoruf