Zurück zu
Solo
>
Rasenmäher
>
Aufsitzmäher / Rasentraktoren
>
560 / 560 Hydro
>
2004
>
MOTOR 15 - 15,5 HP B&S
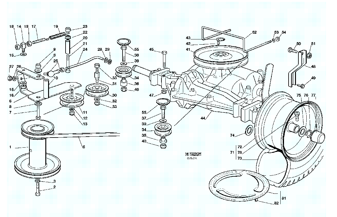
Ersatzteillisten für Solo Rasenmäher MOTOR 15 - 15,5 HP B&S
Pos.
Bezeichnung
Ersatzteilnummer
1
MOTOR
—
2
VERBINDUNGSROHR
25869027/0
3
KABELBEFESTIGUNG
18375051/1
4
KABELBEFESTIGUNG
18375053/0
5
SCHRAUBE
12735599/0
6
SCHEIBE
12540260/0
7
SCHRAUBE
12691115/0
8
MUTTER
12154221/0
9
ÖL ABFLUSS
25598051/0
10
OELVERSCHLUSS
18737849/0
11
DICHTUNG
18401001/1
12
ABGASUNGROHR, RECHTE
18738221/0
13
ABGASUNGROHR, LINKE
18738222/0
31
AUSPUFF
82750003/0
32
SCHRAUBE
12793102/0
33
SCHEIBE
12540260/0
34
MUTTER
12360425/0
35
SCHUTZE
82598005/2
36
SCHRAUBE
12792611/0
37
GROWER
12583500/0
Gebrauchsanweisungen
Solo
Pflanzenschutzgeräte
Motorsägen
Motorsensen
Motorhacken
Balkenmäher
Vertikutierer
Rasenmäher
Aufsitzmäher / Rasentraktoren
576 / 576 Hydro
575 / 575 Hydro
572 / 572 Hydro
570 / 570 Hydro
562 Hydro
560 / 560 Hydro
2004
KLEBZETTEL
ZUBEHOERE NACH ANFRAGE
ELETRISCHETEILE
AUFFANGSACK (2. BEWEGLICHER TEIL)
AUFFANGSACK (1. FESTER TEIL)
SCHNEIDWERKZEUG (2)
SCHNEIDWERKZEUG (2)
SCHNEIDWERKZEUG (1)
SCHNEIDWERKZEUG AUFHEBESATZ
GETRIEBE 92 hydro
GETRIEBE 92
MOTOR 15 - 15,5 HP B&S
MOTOR 13 HP TECUMSEH
MOTOR 12 - 12,5 - 13,5 HP B&S
GETRIEBE UND BREMSE ANTRIEB
BREMSE UND WECHSEL ANTRIEB
LENKGETRIEBE
KARROSSERIE (JX)
KARROSSERIE (JB)
KARROSSERIE (JTP)
KARROSSERIE (JR)
KARROSSERIE (JT)
KARROSSERIE (JP)
KARROSSERIE (J)
RAHMENSATZ
2003
2002
2001
2000
1999
560 PM
557
556
555 / 555 Hydro
Benzin-Antriebs-Mäher
Benzin-Schiebe-Mäher
Elektro Rasenmäher
Blasgeräte
Multimot
Impressum
(C) by motoruf