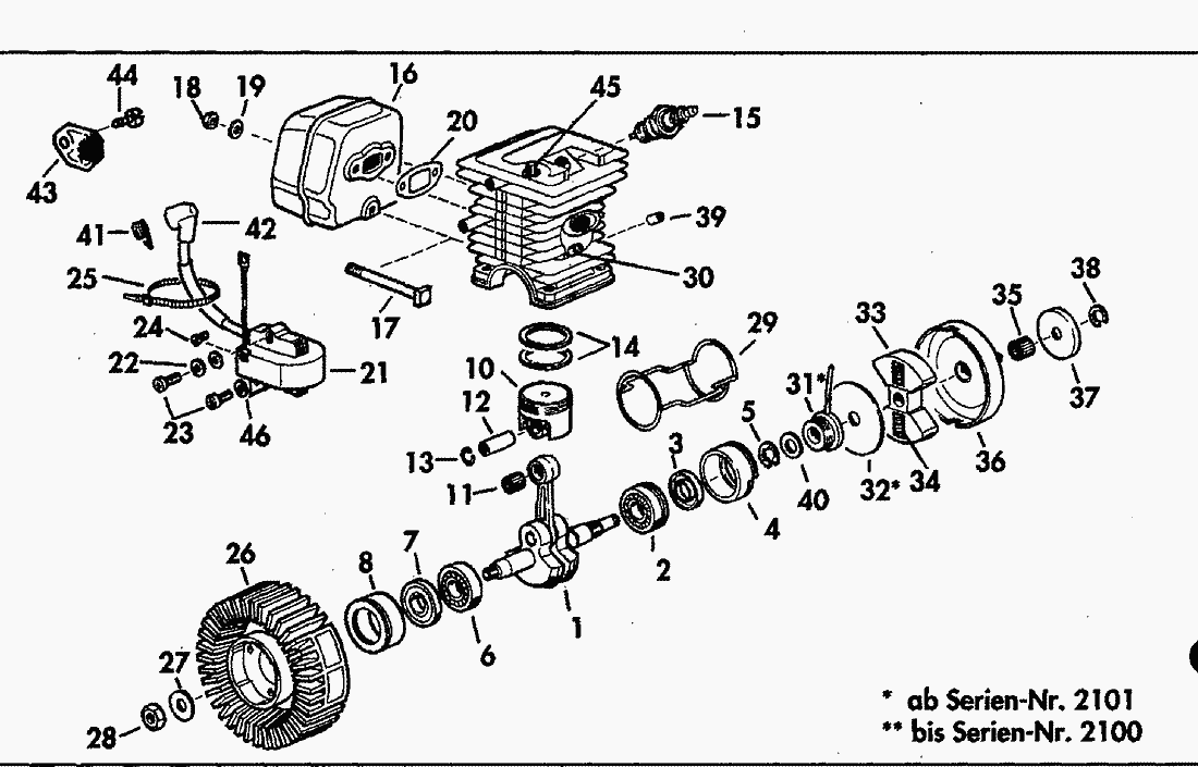
| Pos. | Bezeichnung | Ersatzteilnummer | |
| 1 | KURBELWELLE | 2200235 |
| 2 | KUG.LAG.15X35X13 C4 OHNE D-SCH | 0050188 |
| 3 | WD.RING15X29,6X4 TTO. | 0054265 |
| 4 | HUELSE34,9X45,17X19LAG.AS. | 2074293 |
| 5 | Sicherungsring 15x1 DIN 471 | 0055136 |
| 6 | KUG.LAG.15X35X11 6202 C4 | 0050102 |
| 7 | Wellendichtring 15x28x5 | 0054220 |
| 8 | Lagerhülse 34,9x45,17x17,2 | 2074294 |
| 9 | ZYL.39,00 NI. MAHLE 0Z1717/000 639O.DEKO | 2011755 |
| ZYL.42,00 NI. MAHLE 0Z1719/000 645O.DEKO | 2011754 |
| 10 | KOLBEN 39,00 F.SOLO PLEUEL | 2200240 |
| KOLBEN 42,00 | 2200242 |
| 11 | NADELKAEFIG9X13X12,5KBK0-2 | 0052226 |
| 12 | KOLBENBOLZEN9/6X28 | 2031117 |
| 13 | Sicherungsring 9x0,8 mm | 0055278 |
| 14 | KOLBENRING39X1,5 | 2048358 |
| 14 | KOLBENRING42X1,5 | 2048229 |
| 15 | ZUENDKERZE NGK-BPMR-7-A | 2300389 |
| 16 | AUSPUFF BL. | 2500665 |
| 17 | 4KT.SHR.M5X72,2 AUSPUFF | 0018379 |
| 18 | Sechskantmutter M5 | 0028137 |
| 19 | Sicherungsscheibe | 0072144 |
| 20 | DIC.AUSPUFF1,0 DICK | 2061476 |
| 21 | ZUENDMODUL PHELON 13430-03-J | 2300703 |
| 22 | Scheibe 4,3 DIN 433 | 0030101 |
| 23 | Zylinderschraube M4x20 | 0018327 |
| 24 | ZYL.SHR.M3X4 84-4.8VERZ | 0010128 |
| 25 | Kabelband 98x2,5 mm, Natur | 0066455 |
| 26 | LUEFTERRAD12 1:2,8KEG. | 2400285 |
| 27 | Scheibe 8 DIN 6796 | 0072145 |
| 28 | Sechskantmutter M8 | 0020145 |
| 29 | DIC.ZYL.FUSS.KURBELGEH. | 2063321 |
| 30 | STUTZEN4X15 SHL.IMPULS. | 0067125 |
| 31 | MITNEHMERSCHNECKE M.FEDER | 3400212 |
| 31 | MITNEHMERSCNECKE | 3400223 |
| SCHEIBE12,5X19X0,5 SNSH | 0033367 |
| 32 | SCHEIBE12X55X1 KU. | 6042817 |
| 32 | SCHEIBE12X48X0,5 KU. | 0031474 |
| 33 | KUPPLUNG M12X1,25L.FLIEHKRAFT. | 3500405 |
| 34 | Druckfeder 1,7x6,2x17,5 mm | 0071226 |
| 35 | NADELKAEFIG10X13X13 K TN | 0052257 |
| 36 | KU.GLOCKE325"7Z13D/70,2D | 3500362 |
| 37 | Sicherungsscheibe | 0055104 |
| 38 | Sicherungsscheibe | 0055104 |
| 39 | SCHLAUCH5X1,5XMT.HERCLOR | 0064319 |
| 40 | KONTAKTFEDER | 0073385 |
| 41 | KONTAKTFEDER | 0073385 |
| 42 | KERZENSTECKER | 0084600 |
| 43 | FUNKENSCHUTZ USA | 2048360 |
| 44 | ZYL.BL.SHR.4,2X9,5 7971C.ZN. | 0010370 |
| 45 | STIFTSHR.M5X11/18 | 0015282 |
| 46 | Sicherungsscheibe | 0072148 |