Zurück zu
Solo
>
Motorsägen
>
Semiprofessionelle Motorsägen
>
639 / 639 Deko
>
ET 08/1993 Druck 9 639 700
>
Vergaser
Ersatzteillisten für Solo Motorsägen Vergaser
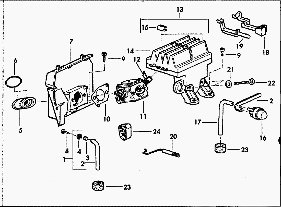
Pos.
Bezeichnung
Ersatzteilnummer
1
SCHLAUCH3X1,5X130PUR ENTLUEFT.
2500640
2
SCHLAUCH3X1,5XMT.PUR786SH.A87
0064300
3
FILTER SINTER.
3048280
4
SCHLAUCHOESE6,5/5,8X0,9X4W.KON
0073279
5
Verbindungsschlauch
6063322
6
Ringfeder
0071153
7
VERGASERSTUTZEN
2300708
8
LI.BL.SHR.3,5X19 7981C.ZN GELB
0013214
9
Linsenschraube 5x16 mm
0018274
10
DIC.VERGASERSTUTZEN 0,5 DICK
2061477
11
VERGASER HDA-127
2300709
11
VERGASER HDA126
2300704
12
RASTHEBEL
6074916
13
LUFTFILTER VS.
2500664
14
FILTERGEHAEUSE OT.
2500679
15
PROFIL 3X20 KLEMM.
0073391
16
PRIMER 188-512
2700322
17
SCHLAUCH2X1,5XMT.NBR70SH
0064407
18
HEBEL CHOKE.
6074993
19
STIFT4 HALBGAS
6074992
20
GASGESTAENGE
2800329
21
SI.SCHEIBE5VS SCR.
0034201
22
Linsenschraube 5x55
0018382
23
GI.RING5X25X20 SHL.D.FUEHRUNG
6063301
24
DUESENFUEHRUNG
2074983
Gebrauchsanweisungen
Solo
Pflanzenschutzgeräte
Motorsägen
Professionelle Motorsägen
Semiprofessionelle Motorsägen
667 SP
654 / Farmer 46
647
651 SP
644 SP
650
645
639 / 639 Deko
ET 02/2002 Druck 9 639 704
ET 01/2000 Druck 9 639 703
ET 11/1998 Druck 9 639 702
ET 03/1996 Druck 9 639 701
ET 08/1993 Druck 9 639 700
Starter
Haube
Griff / Gehäuse
Vergaser
Gehäuse
Motor
Gebrauchsanweisung Motorsäge 639/645/650 (03/2002)
633
Hobby-Motorsägen
Elektrosägen
Motorsensen
Motorhacken
Balkenmäher
Vertikutierer
Rasenmäher
Blasgeräte
Multimot
Impressum
(C) by motoruf