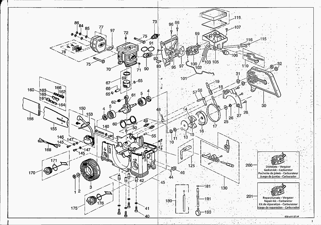
| Pos. | Bezeichnung | Ersatzteilnummer | |
| 1 | Sechskantmutter M8 | 0020145 |
| 2 | SCHEIBE9,2X18X0,7 2093B TE. | 0072141 |
| 3 | LUEFTERRAD12 1:2,8KEG. | 2400303 |
| 4 | WD.RING12X25X5 TTO SB 2 | 0054237 |
| 5 | Lagerhülse | 2100364 |
| 10 | Sicherungsring 12x1 DIN 471 | 0055134 |
| 11 | SCHEIBE12X18X0,5 988PA | 0031194 |
| 13 | SCHEIBE10X48X1,0KU | 6042828 |
| 14 | Druckfeder 1,7x6,2x17,5 mm | 0071226 |
| 15 | Fliehkraftkupplung M10x1 | 3500429 |
| 16 | KU.GLOCKE3/8"6Z12/46,5D+NDL | 3500433 |
| 17 | BREMSBAND VS. | 6200133 |
| 18 | FEDER 1,6X10,2X56 DRK. | 0070254 |
| 19 | Verstellung | 6300208 |
| 25 | Scheibe 8x14x1,2 mm | 0031396 |
| 26 | SI.SCHEIBE6 6799 MAGAZINIERT | 0055216 |
| 27 | ABDECKUNG BREMSBAND.SWZ. | 6074960 |
| 28 | Linsenschraube 5x12 mm | 0018361 |
| 30 | SCHWERTABD.RT.RAL3000 | 6100336 |
| 31 | Distanzbuchse 8,5x18,6/14,5x5,8 | 6031993 |
| 32 | Sechskantmutter M8 | 0020214 |
| 40 | Zylinderschraube M5x40 | 0018340 |
| 41 | Scheibe 5,2x12x0,5 mm | 0072140 |
| 42 | Distanzrohr 8/7,6x1,2x27,5 | 0033358 |
| 44 | SKS.STOP | 0069841 |
| 45 | HAUPTGEHAEUSE RT. | 6100396 |
| 46 | Kurzschlussschalter | 0084477 |
| 47 | BOLZEN5/5,25X12/25,5 | 6031989 |
| 46 | Drehfeder 1,3x7,1 mm | 0073381 |
| 49 | Schwertstiftschraube M8x19/41 | 0018380 |
| 50 | VENTIL RUECKSCHLAG.WEISS/GRUEN | 2700382 |
| 55 | Zylinderstift 5H 8x14 mm | 0040188 |
| 56 | Druckblech | 6300175 |
| 57 | FEDER 1,5X7X18,5 DRK. | 0070301 |
| 60 | Kurbelgehäusedichtung | 2063365 |
| 61 | KURBELWELLE | 2200198 |
| 62 | NADELKAEFIG9X13X12,5KBK0-2 | 0052226 |
| 65 | Sicherungsring 9x0,8 mm | 0055278 |
| 66 | KOLBENBOLZEN9/6X28 | 2031117 |
| 67 | KOLBEN 38,00 | 2200546 |
| 69 | Kolbenring 38x1,5 | 2048386 |
| 70 | ZYL.38,00 NI. MAHLE 636 | 2011804 |
| 71 | STUTZEN4X15 SHL.IMPULS. | 0067125 |
| 72 | STIFTSHR.M5X11/18 | 0015282 |
| 73 | Zündkerze WSR6F 200 | 2300730 |
| 75 | 4KT.SHR.M5X72,2 AUSPUFF | 0018379 |
| 77 | AUSPUFF BL.VS | 2500738 |
| 78 | FUNKENSCHUTZ SET | 0610457 |
| 84 | Scheibe 5,2x12x0,5 mm | 0072140 |
| 85 | Sicherungsscheibe | 0072144 |
| 86 | Sechskantmutter M5 | 0028137 |
| 90 | Verbindungsschlauch | 6063322 |
| 91 | Ringfeder | 0071153 |
| 92 | LI.BL.SHR.3,5X19 7981C.ZN GELB | 0013214 |
| 93 | SCHLAUCH5X1,5XMT.HERCLOR | 0064319 |
| 95 | VERGASERSTUTZEN VS. F. ET. | 2300779 |
| 96 | Linsenschraube 5x16 mm | 0018274 |
| 97 | DICHTUNG SET AUSP.VERG. | 0610458 |
| 99 | Rasthebel | 6074636 |
| 100 | VERGASER WT-513 | 2300776 |
| 101 | GASGESTAENGE | 2036400 |
| 102 | SCHLAUCH3X1,5X70 PUR786SH A87 | 0064431 |
| 103 | SCHLAUCH2X1,5XMT.NBR70SH | 0064407 |
| 105 | FILTERGEHAEUSE SWZ.RAL9005 | 6074962 |
| 106 | PRIMER 188-512 | 2700322 |
| 107 | Linsenschraube 5x16 mm | 0018274 |
| 110 | CHOKEHEBEL SET | 0610463 |
| 115 | Linsenschraube 5x55 | 0018382 |
| 116 | SI.SCHEIBE5VS SCR. | 0034201 |
| 119 | FILTERPLATTE SET | 0610459 |
| 125 | OELSCHLAUCH SET | 0610461 |
| 130 | OELPUMPE SET | 0610462 |
| 140 | SPN.SCHRAUBE SET | 0610460 |
| 145 | Zylinderschraube M4x20 | 0018327 |
| 146 | Scheibe 4,3 DIN 433 | 0030101 |
| 147 | Sicherungsscheibe | 0072148 |
| 150 | Zündspule Walbro MA26 | 2300662 |
| 153 | Kabelband 98x2,5 mm, Natur | 0066455 |
| 155 | SCHWERT14"1,1 3/8"A095 35CM | 6900930 |
| 156 | KETTENSCHUTZ 40,5CMX9,3NEUTRAL | 6071246 |
| 160 | KETTE3/8S"1,1 52E 90SG14"35CM | 6900929 |
| 161 | R.SCHNEIDER3/8S"SG | 0540304 |
| 162 | L.SCHNEIDER3/8S"SG | 0540305 |
| 163 | VERB.GL.3/8S"SG M.NIET | 0540306 |
| NIET 3/8S"1,1 SG. | 0540307 |
| 164 | VERB.GL.3/8S"SG.O.NIET | 0540308 |
| 165 | TREIBGL.3/8S"1,1 SG. | 0540309 |
| 166 | Sicherheitsverbindungsglied | 0540310 |
| 168 | KABEL182 MASSE+KURZSCHLUSS | 0084736 |
| 170 | Tankverschluß, Öl. enth. ( | 2700345 |
| 171 | O-Ring 25,2x3 mm) | 0062288 |
| 175 | TANKVERSCHL.32/35SR.GWD.SWZ.BE | 2700344 |
| 176 | O.RING30X3FPM/VITON 80SH. | 0062280 |
| 180 | SCHLAUCH3X1,5X110ENTLUEFTUNG. | 2500743 |
| 181 | SCHLAUCHOESE6,7X0,9X2W. | 0073351 |
| 190 | FILTER BENZIN.SUCHER VS. | 2700327 |
| 191 | SCHLAUCH3X149GN452 KRAFTSTO. | 6063328 |
| 200 | Dichtsatz-Vergaser WT-552 | 0510949 |
| 201 | REP.SET.WT-513 | 0510948 |