Zurück zu
Solo
>
Motorsägen
>
Hobby-Motorsägen
>
636 / 636 Deko
>
ET 01/1998 Druck 9 636 700
>
Starter
Ersatzteillisten für Solo Motorsägen Starter
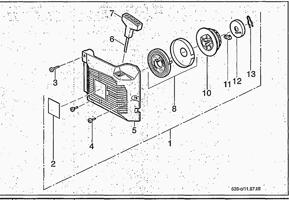
Pos.
Bezeichnung
Ersatzteilnummer
1
STARTER LL.R0T
2600303
2
SKS “SOLO”
0069889
3
Linsenschraube 5x25 mm
0018257
4
Linsenschraube 5x16 mm
0018274
5
STARTERGEHAEUSE 636 ROT
2100645
6
Starterseil
0063170
7
STARTERGRIFF
2074569
8
Federkassette
2600283
10
SEILROLLE LL.
2074137
11
Starterklinke
2074135
12
Kulisse
2074136
13
Federstecker 1,4
0073417
Gebrauchsanweisungen
Solo
Pflanzenschutzgeräte
Motorsägen
Professionelle Motorsägen
Semiprofessionelle Motorsägen
Hobby-Motorsägen
641 / Farmer 40
640
630
634 / Farmer 33
636 / 636 Deko
ET 02/2002 Druck 9 636 703
ET 12/2002 Druck 9 636 702
ET 11/1998 Druck 9 636 701
ET 01/1998 Druck 9 636 700
Bügel/Handgriff
Starter
Motor
635
Elektrosägen
Motorsensen
Motorhacken
Balkenmäher
Vertikutierer
Rasenmäher
Blasgeräte
Multimot
Impressum
(C) by motoruf