Zurück zu
Solo
>
Motorsensen
>
Leichte-Benzimotor-Sensen
>
118
>
ET 04/1996 Druck 9 118 700
>
Schaftrohr / Schutz
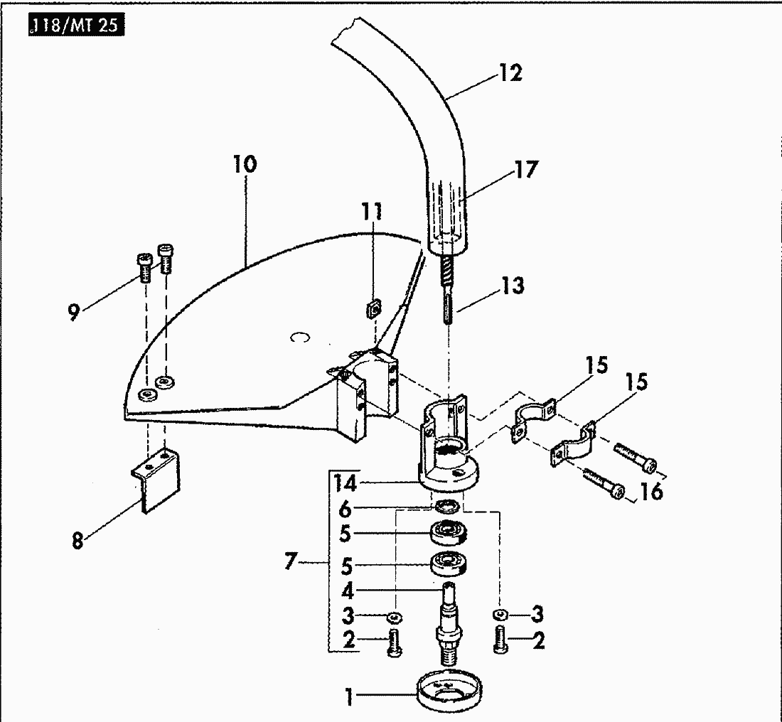
Ersatzteillisten für Solo Motorsensen Schaftrohr / Schutz
Pos.
Bezeichnung
Ersatzteilnummer
1
WICKELSCHUTZ
3043432
2
Linsenschraube 5x16 mm
0018274
3
Scheibe 5,2x12x0,5 mm
0072140
4
WELLE M10X1,25X75
3031314
5
KUG.LAG.12X28X8 6001 2RSR
0050173
6
Sicherungsring 12x1 DIN 471
0055134
7
GEHAEUSE
2100535
7
Linsenschraube 5x16 mm
0018274
7
Scheibe 5,2x12x0,5 mm
0072140
7
WELLE M10X1,25X75
3031314
7
KUG.LAG.12X28X8 6001 2RSR
0050173
7
Sicherungsring 12x1 DIN 471
0055134
7
GEHAEUSE SWZ.RAL.9005
6073583
8
Fadenbegrenzungsmesser
6900721
9
Zylinderschraube M5x25
0018338
10
SCHUTZ RT.
6073589
10
SCHUTZ
6073673
11
Vierkantmutter M5
0021241
12
Schaftrohr,gebogen, inkl.Profilstange
6300250
13
WELLE6X1325 ANT.FLEXIBEL
6035342
14
GEHAEUSE SWZ.RAL.9005
6073583
15
SCHELLE24X28 GEHAEUSE
6043423
16
Zylinderschraube M5x30
0018339
17
Fett, MOBIL Temp 78
0083147
Gebrauchsanweisungen
Solo
Pflanzenschutzgeräte
Motorsägen
Motorsensen
Professionelle Motorsensen
Semiprofessionelle Motorsensen
Leichte-Benzimotor-Sensen
128
126
124
120
MT 25
MS 25
119
118
ET 06/1998 Druck 9 118 701
ET 04/1996 Druck 9 118 700
Zubehör
Zubehör
Werkzeug / Serienausrüstung
Werkzeug / Serienausrüstung
Getriebe / Schutz
Griffrohr/ Gasbetätigung
Schaftrohr / Schutz
Griff / Gasbetätigung
Motor / Gehäuse
129
121
117
106 L / 106 B / 106 LR / 106 BR
105 L
Elektromotor-Sensen
Motorhacken
Balkenmäher
Vertikutierer
Rasenmäher
Blasgeräte
Multimot
Impressum
(C) by motoruf