Shimano RD-M6000-SGS-4301A DEORE Rear Derailleur (10-speed) Ersatzteile
RD-M6000-SGS-4301A DEORE Rear Derailleur (10-speed) RD Rear Derailleur - Schaltwerk

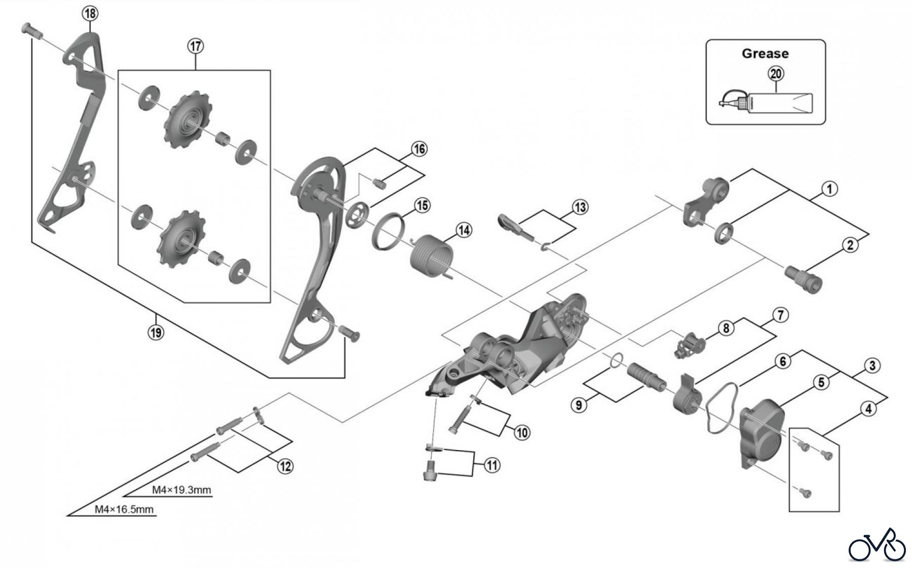
Hier finden Sie die Ersatzteilzeichnung für Shimano RD Rear Derailleur - Schaltwerk RD-M6000-SGS-4301A DEORE Rear Derailleur (10-speed). Wählen Sie das benötigte Fahrrad-Ersatzteil aus der Ersatzteilliste Ihres Shimano Fahrrads aus und bestellen Sie einfach online. Viele Shimano Ersatzteile halten wir ständig in unserem Lager für Sie bereit.


Qualitätsmanagement
Informieren Sie uns, wenn Sie einen Fehler gefunden haben.





