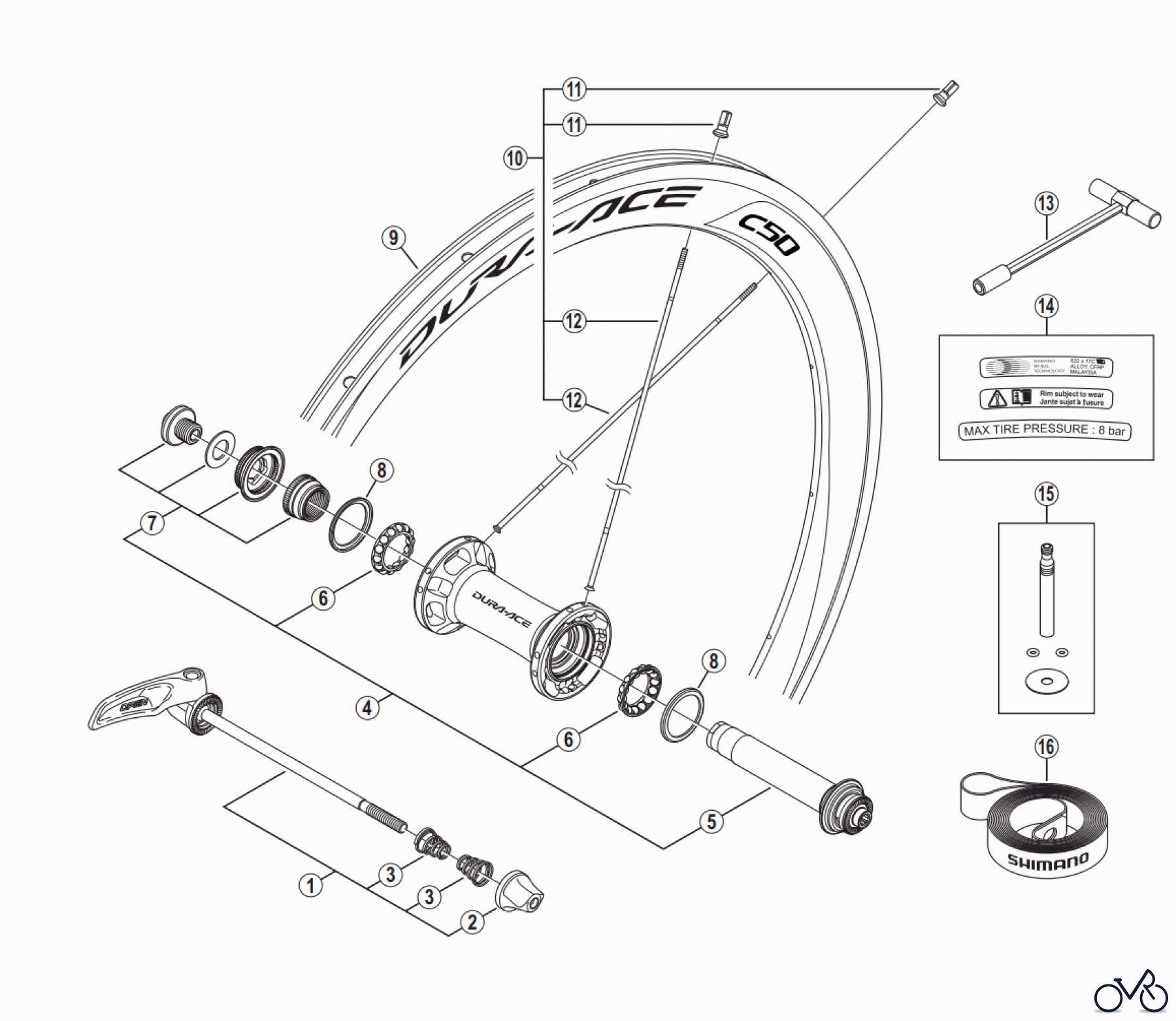
Shimano WH-9000-C50-CL-F-3341B DURA-ACE Front Wheel Ersatzteile
WH-9000-C50-CL-F-3341B DURA-ACE Front Wheel WH Wheels - Laufräder

Hier finden Sie die Ersatzteilzeichnung für Shimano WH Wheels - Laufräder WH-9000-C50-CL-F-3341B DURA-ACE Front Wheel. Wählen Sie das benötigte Fahrrad-Ersatzteil aus der Ersatzteilliste Ihres Shimano Fahrrads aus und bestellen Sie einfach online. Viele Shimano Ersatzteile halten wir ständig in unserem Lager für Sie bereit.


Qualitätsmanagement
Informieren Sie uns, wenn Sie einen Fehler gefunden haben.
