| Pos. | Bezeichnung | Ersatzteilnummer | |
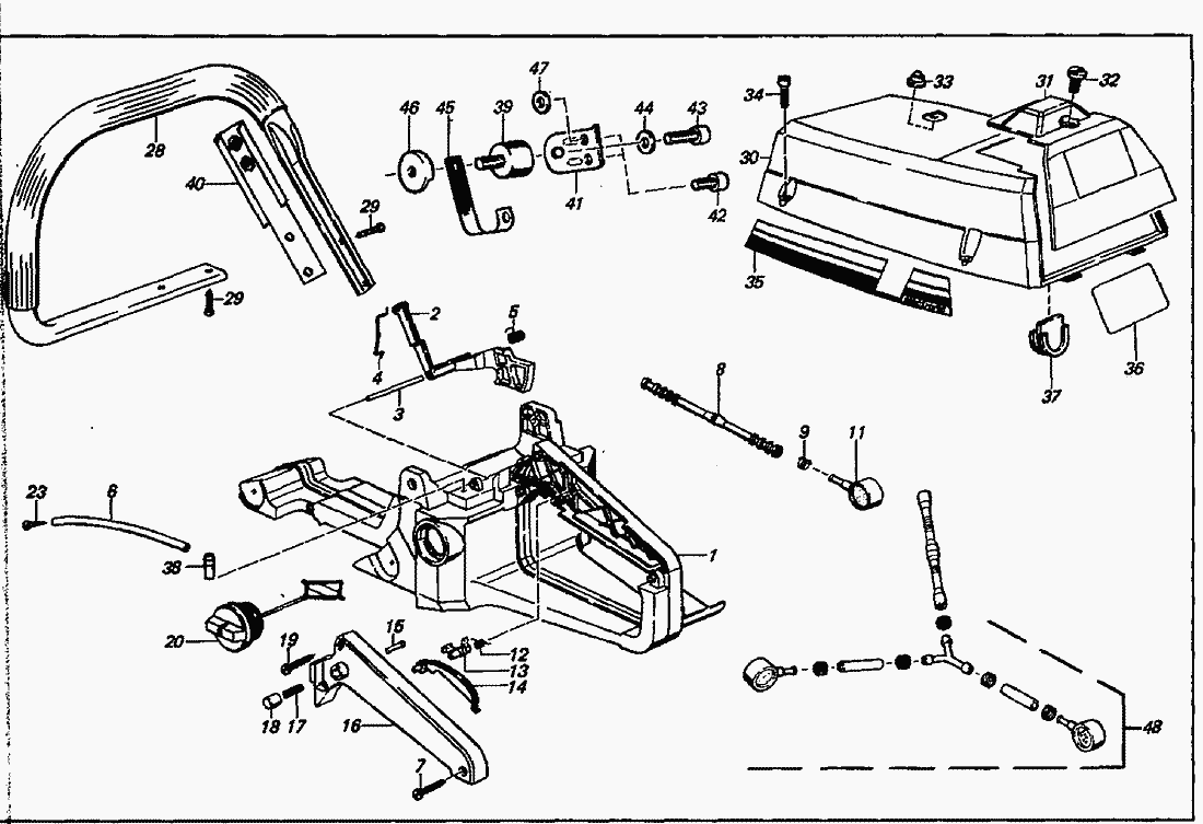
| 1 | HAUPTGEHAEUSE | 6100334 |
| 2 | GASHEBEL | 2074271 |
| 3 | ACHSE GASHEBEL. | 2031227 |
| 4 | GASGESTAENGE | 2036370 |
| 5 | FEDER 1X11 SCHENKEL.GASHEB. | 0073356 |
| 6 | SCHLAUCH3X1,5X112PUR786SH.A87 | 0064372 |
| 7 | ZYL.BL.SHR.4,2X19 7981BZ.ZN | 0010531 |
| 8 | SCHLAUCH3X149N45E2S KRAFTSTO. | 6063300 |
| 9 | SCHLAUCHOESE6,7X0,9X2W. | 0073351 |
| 11 | FILTER BENZIN.SUCHER VS. | 2700327 |
| 12 | FEDER 0,7X7,7 SCHENKEL.DREH. | 0073339 |
| 13 | HEBEL BLOCKIER. | 6074292 |
| 14 | HEBEL SI. | 6074443 |
| 15 | BOLZEN3,8/5X20/22 ARRETIER. | 6031157 |
| 16 | GRIFFSCHALE L. | 6073480 |
| 17 | FEDER 0,5X5,5X15 DRK. | 0070147 |
| 18 | ARRETIERDRUECKER | 6074381 |
| 19 | ZYL.BL.SHR.4,2X16 7971C.ZN.GB. | 0010259 |
| 20 | TANKVERSCHL.29,5/39SR.GWD.SWZ. | 2700287 |
| DIC.25X37X2 NBR 85SH VERSCHL. | 0061324 |
| 23 | ZYL.BL.SHR.3,5X19 7971BZ. VERZ | 0010446 |
| 28 | HALTEBUEGEL | 6800224 |
| 29 | Linsenschraube 5x16 mm | 0018274 |
| 30 | HAUBE SWZ. | 6100318 |
| 30 | HAUBE ROT | 6100320 |
| 31 | HAUBENDECKEL | 6073486 |
| 31 | HAUBENDECKEL ROT | 6073495 |
| 32 | SHR.M5X37,5RD.DECKEL. | 0011283 |
| 33 | GI.5,5/8,8X4,3/10DIST.FPM.SH65 | 0094252 |
| 34 | ZYL.SHR.M5X17 HAUBEN. | 0011258 |
| 35 | SKS.ELECTRONIC | 0069649 |
| 36 | Klebeschild SKS.SOLO 662 37X60 | 0069606 |
| 36 | Klebeschild 667 / 667 SP | 0069607 |
| 37 | VERSCHL. | 2074309 |
| 38 | STUTZEN3X14 SHL.IMPULS. | 0067105 |
| 39 | GI.METALL25X20M6/M6X20 | 0094271 |
| 40 | VERSTAERKUNGSBLECH | 6300212 |
| 41 | FLANSCHBLECH | 6043378 |
| 42 | ZYL.SHR.M5X10INRI-12.9 | 0018284 |
| 43 | ZYL.SHR.M6X8 912-8.8ZN | 0010560 |
| 44 | Scheibe 6mm | 0072143 |
| 45 | FANGSICHERUNG | 0098145 |
| 46 | ISOLIERTOPF | 6074468 |
| 47 | Scheibe 5,3 mm | 0030108 |
| 48 | FILTER BENZIN.SUCHER VS. | 2700337 |