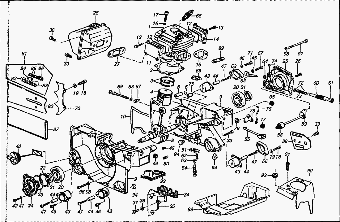
| Pos. | Bezeichnung | Ersatzteilnummer | |
| 1 | ZYL.46,00 NI.+KO.VS. | 2200991 |
| 1 | *** keine Bezeichnung vorhanden | 2200985 |
| 1 | ZYL.48,00 NI.+KO.VS. | 2200884 |
| 2 | DIC.ZYL.FUSS 0,5 DICK | 2061429 |
| 3 | KOLBENRING46X1,5 662 | 2048324 |
| 3 | KOLBENRING46,5X1,5 662 | 2048325 |
| 3 | KOLBENRING48X44X1,5 | 2048326 |
| 4 | KOLBEN 46,00 D | 2200984 |
| 4 | KOLBEN 48,00+BO.+SI.SET | 2200941 |
| 5 | KOLBENBOLZEN12/8X32 | 2031233 |
| 6 | SI.RING | 0055266 |
| 7 | NADELKAEFIG12X15X15KBK | 0052148 |
| 8 | KURBELWELLE | 2200952 |
| 9 | KURBELGEHAEUSE | 2100470 |
| 10 | DIC.KURBELGEHAEUSE 0,3DICK | 2061428 |
| 11 | UEBERSTROEMKANALD.1 | 2012801 |
| 12 | O.RING40,95X2,62FPM/VITON | 0062245 |
| 13 | 6KT.SHR.M4X12FLSH.M6SF-TT.WN78 | 0018209 |
| 14 | UEBERSTROEMKANALD.2 | 2012802 |
| 15 | DIC.VERGASERSTUTZEN 0,5 DICK | 2061430 |
| 16 | Schnorrsicherung 6 | 0034202 |
| 17 | ZYL.SHR.M6X35 912-8.8ZN GELB | 0010145 |
| 18 | ZYL.SHR.M5X12 912 POLYLOK | 0011279 |
| 19 | FEDERRING5 128A ZN VSK | 0034147 |
| 20 | KUG.LAG.17X40X12 6203 C3 | 0050104 |
| 21 | WD.RING17X28X5 AP-2S-ROLF 73 | 0054247 |
| 22 | SCHEIBE31,3X39,8/34,4X3,5/1 | 6074363 |
| 23 | O.RING34X2,3NBR F 74SH. | 0062253 |
| 24 | GENERATORAUFNAHME | 6074389 |
| 25 | PUMPENGEHAEUSE | 6400211 |
| OELPUMPE | 6400210 |
| 26 | ZYL.SHR.M5X12 912 POLYLOK | 0011279 |
| 27 | DIC.AUSPUFF0,8DICK | 2061431 |
| 28 | AUSPUFF | 2500611 |
| 30 | ZYL.SHR.M6X16INRI-10.9ZN GELB | 0018281 |
| 33 | ZYL.SHR.M5X16 912-8.8ZN GELB | 0010260 |
| 34 | VORFILTER | 2500541 |
| 35 | DECKEL VORFILTER. | 2074377 |
| 36 | SCHEIBE5,3 125 | 0030160 |
| 37 | ZYL.SHR.M5X17 HAUBEN. | 0011258 |
| 38 | KETTENSCHUTZBLECH | 6042724 |
| 39 | ZYL.BL.SHR.3,5X6,5 7971C.ZN | 0010478 |
| 40 | TANKVERSCHL.29,5/39SR.GWD.SWZ. | 2700287 |
| DIC.25X37X2 NBR 85SH VERSCHL. | 0061324 |
| 41 | Scheibe 5,2x12x0,5 mm | 0072140 |
| 42 | ZYL.SHR.M5X12 912 POLYLOK | 0011279 |
| 43 | GI.METALL27/19X20X5,1 | 6300169 |
| 44 | DIST.ST.7,5/12X12 | 6031277 |
| 45 | FEDERRING5 128A ZN VSK | 0034147 |
| 46 | ZYL.SHR.M5X12 912 8.8ZN GELB. | 0010534 |
| 47 | ZYL.SHR.M5X12 84POLYLOK | 0011267 |
| 48 | TUELLE2X10/13X3/7KABEL. | 0066188 |
| 49 | SCHEIBENFEDER3X3,7 6888C45K | 0075101 |
| 50 | SKS.STOP | 0069553 |
| 51 | ANSCHLAGSTUECK | 2200871 |
| 52 | Spax-Schraube 4x13 | 0018231 |
| 53 | O-Ring 7x1,5 mm | 0062110 |
| 54 | STIFT3/5,8X14/33,5HUB. | 6400179 |
| 55 | HEBEL CHOKE. | 6074253 |
| 56 | SCHUTZDECKEL 1 | 6074391 |
| 57 | ZYL.SHR.M5X20 912-8.8ZN GELB | 0010541 |
| 58 | SIEB OEL. | 6700124 |
| 59 | SCHLAUCH3,5X110NBR.OEL | 6063233 |
| 60 | KOLBEN 7,00 PUMPEN.14Z0,7MOD | 6031189 |
| 61 | STOPFEN11,2X5 VERSCHL. | 6074452 |
| 62 | SCHUTZDECKEL 2 | 6074393 |
| 63 | KETTENFANGBLECH | 6043285 |
| 64 | RK.RING4X9X3 70SH. | 0062237 |
| 65 | GLEITSCHUH | 6074281 |
| 66 | ZUENDKERZE NGK-BPMR-7-A | 2300389 |
| 67 | BOLZEN M6X6/9 KETTENSPN. | 6032638 |
| 68 | Sicherungsscheibe 5 mm | 0055171 |
| 69 | ZYL.SHR.M6X53/70 SPN. | 0018261 |
| 70 | ANSCHLAGKRALLE INNEN | 6042768 |
| 71 | ZYL.SHR.M5X12 912 8.8ZN GELB. | 0010534 |
| 72 | SCHEIBE7,1X10X0,3 AN. | 0031515 |
| 73 | FEDER 0,7X7,9X27 DRK. | 0070257 |
| 74 | KUG.4 5401KL.3V2A | 0052217 |
| 75 | VENTIL RUECKSCHLAG. | 2700339 |
| 76 | GESTAENGE CHOKE. | 2036373 |
| 77 | TUELLE5,5X10X2,3X14CHOKEHEBEL | 0066440 |
| 78 | HEBEL UMLENK. | 6074396 |
| 79 | SI.SCHEIBE3,2 6799 | 0055103 |
| 80 | SCHWERT16"1,5.3/8"H009.40CM | 6900368 |
| 80 | SCHWERT18"1,5.3/8"H009.45CM | 6900498 |
| 80 | SCHWERT20"1,5.3/8"D009.50CM | 6900370 |
| 81 | KETTE3/8"1,5 60E LG.16"40CM | 6900369 |
| 81 | KETTE3/8"1,5 68E LG.18"45CM | 6900499 |
| 81 | KETTE3/8"1,5 72E LG.20"50CM | 6900371 |
| 82 | L.SCHNEIDER3/8"LG. | 0540226 |
| 83 | VERB.GL.3/8"O.NIET | 0540184 |
| 84 | TREIBGL.3/8"1,5 | 0540228 |
| 85 | VERB.GL.3/8"M.NIET | 0540185 |
| 86 | R.SCHNEIDER3/8"LG. | 0540227 |
| NIET 3/8"325"1,3/1,5 | 0540188 |
| 87 | KETTENSCHUTZ 44CMX14 SOLO | 6071248 |
| 89 | STIFTSHR.M8X26,3 SCHWERT | 0018256 |
| 90 | LUFTFUEHRUNGSBLECH | 2043342 |
| 91 | 6KT.SHR.M4X10FLSH.M6SF-TT | 0018212 |
| 92 | VERSCHL.STUECK 662,667 | 6063293 |
| 93 | TUELLE4,5/9,5/14X2/10 | 0066197 |
| 94 | PUFFER5/14,5X17GI.ANSCHLAG. | 0094167 |
| 95 | Verschlußstopfen M14x1,5 | 6074401 |
| 96 | ZYL.SHR.M5X30 912-8.8ZN GELB | 0010134 |
| 97 | ZYL.SHR.M5X65 912-8.8ZN GELB | 0010559 |
| 98 | FEDERRING5 128A ZN VSK | 0034147 |
| 99 | ISOLIERKASTEN | 6074502 |