Zurück zu
Solo
>
Motorsägen
>
Professionelle Motorsägen
>
662
>
ET 11/1991 Druck 9 662 708
>
Elektronik/Griffheizung
Ersatzteillisten für Solo Motorsägen Elektronik/Griffheizung
Pos.
Bezeichnung
Ersatzteilnummer
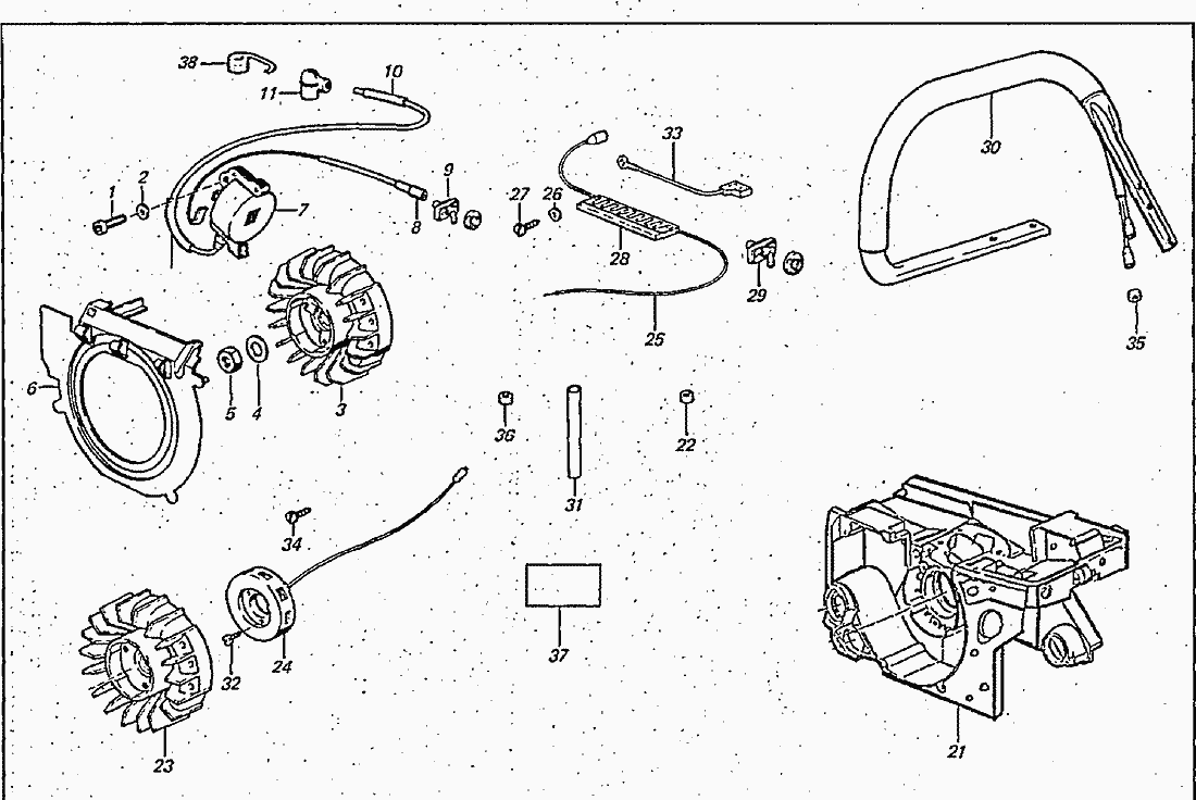
1
Sicherungsscheibe
0072144
2
ZYL.SHR.M5X22 912-8.8ZN GELB
0010112
3
LUEFTERRAD14 1:7,5KEG.PVL 662/667
2400265
4
Scheibe 8 DIN 6796
0072145
5
Sechskantmutter M8
0020145
6
LUFTFUEHRUNG
6073489
7
ZUENDMODUL PVL 105.427
2300626
8
KABEL300 KURZSCHLUSS.SWZ.
0084564
9
SCHALTER KURZSCHLUSS.
2300469
RD.MU.M12X0,75MS+603
0021232
10
SCHLAUCH6X1XMT.SILIKON
0064292
11
KERZENSTECKER
0084600
21
KURBELGEHAEUSE AS/ZS.
2100508
22
TUELLE KABEL.
0066429
23
LUEFTERRAD VS.
2400267
24
GENERATOR MAGNET.
2300646
25
FOLIENELEMENT 2 VS.
0084577
26
Scheibe 4,3 mm
0030135
27
ZYL.BL.SHR.3,5X6,5 7971C.ZN
0010478
28
UNTERLAGE14X65X3NBR SH.60 GI.
0094245
29
SCHALTER KURZSCHLUSS.
2300469
30
HALTEBUEGEL 667 H
6800225
31
SCHLAUCH5,5X1XMT.SILICON
0064384
32
ZYL.SHR.M5X12 84POLYLOK
0011267
33
KABEL55MASSE.SWZ.GENERATORAUFN
0084518
34
ZYL.BL.SHR.3,5X13 7971BZ.
0010499
35
TUELLE ISOLIER.HV 4819
0066314
36
TUELLE2X10/13X3/7KABEL.
0066188
37
SKS.SYMBOL HEIZUNG
0069725
38
KONTAKTFEDER
0073385
Gebrauchsanweisungen
Solo
Pflanzenschutzgeräte
Motorsägen
Professionelle Motorsägen
603
694
690
680
670
667
662
ET 06/1999 Druck 9 662 712
ET 06/1998 Druck 9 662 711
ET 05/1997 Druck 9 662 710
ET 11/1993 Druck 9 662 709
ET 11/1991 Druck 9 662 708
Kupplung/Starter
Vergaser
Kettenbremse
Elektronik/Griffheizung
Bügel/Handgriff
Motor
ET 11/1989 Druck 9 662 707
651
644
Semiprofessionelle Motorsägen
Hobby-Motorsägen
Elektrosägen
Motorsensen
Motorhacken
Balkenmäher
Vertikutierer
Rasenmäher
Blasgeräte
Multimot
Impressum
(C) by motoruf