Zurück zu
Solo
>
Motorsägen
>
Professionelle Motorsägen
>
644
>
ET 04/1996 Druck 9 644 705
>
Elektronik/Griffheizung
Ersatzteillisten für Solo Motorsägen Elektronik/Griffheizung
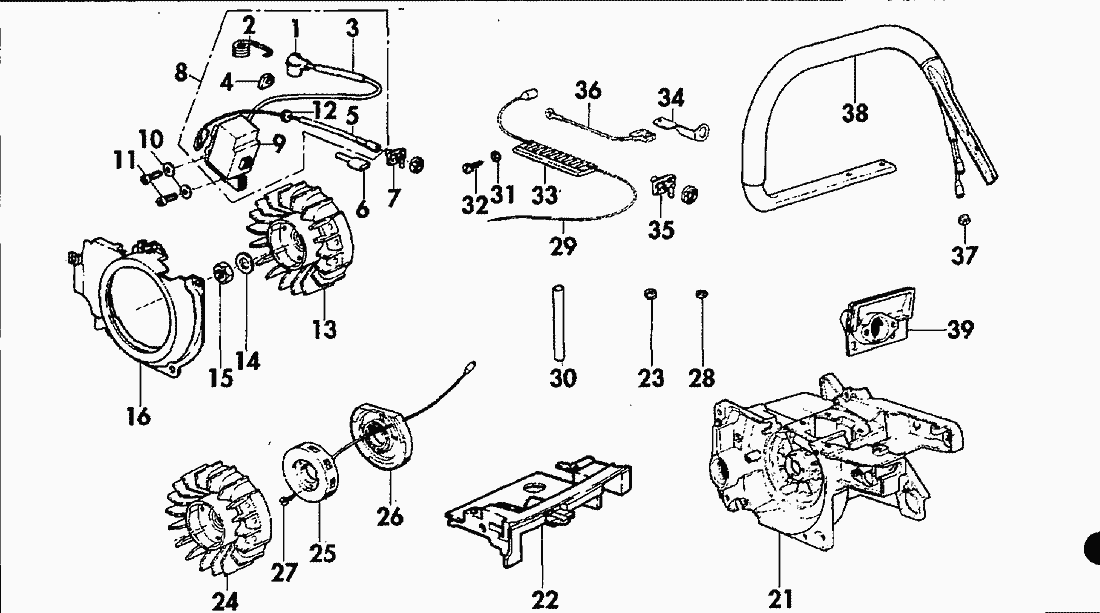
Pos.
Bezeichnung
Ersatzteilnummer
1
KERZENSTECKER
0084600
2
KONTAKTFEDER
0073385
3
SCHLAUCH6X1XMT.SILIKON
0064292
4
TUELLE6,5/9X2,2/6,2NBR.SH75
0066335
5
KABEL235 KURZSCHLUSS.SWZ.
0084702
6
TUELLE ISOLIER.HV 4819
0066314
7
SCHALTER KURZSCHLUSS.
2300469
9
ZUENDMODUL PHELON FEHLER ETL
2300718
9
ZUENDMODUL PHELON
2300752
10
Sicherungsscheibe
0072148
11
Zylinderschraube M4x20
0018327
12
TUELLE4X6/9X3/6 KABEL.
2063128
13
LUEFTERRAD1:7,5KEG.PHELON
2400289
14
Scheibe 8 DIN 6796
0072145
15
Sechskantmutter M8
0020145
16
LUFTFUEHRUNG
6073641
21
KURBELGEHAEUSE AS/ZS.644/651H
2100565
22
KONSOLE
2074464
23
TUELLE KABEL.
0066429
24
LUEFTERRAD12 1:7,5KEG.VS.644/651H
2400275
25
GENERATOR MAGNET.
2300614
26
GENERATORABDECKUNG
6074432
27
ZYL.SHR.M4X12 912
0010546
28
FEDERRING5 7980
0034151
29
FOLIENELEMENT 2
0084574
30
SCHLAUCH5,5X1XMT.SILICON
0064384
31
Scheibe 4,3 mm
0030135
32
ZYL.BL.SHR.3,5X6,5 7971C.ZN
0010478
33
UNTERLAGE14X65X3NBR SH.60 GI.
0094245
34
KONTAKTBLECH
2300648
35
SCHALTER KURZSCHLUSS.
2300469
36
KABEL55 MASSE.SWZ.
0084575
37
TUELLE4X6X3X6NBR.KABEL.
0066426
38
HALTEBUEGEL 644H/651H VS.
6800242
39
VERGASERSTUTZEN
2300647
Gebrauchsanweisungen
Solo
Pflanzenschutzgeräte
Motorsägen
Professionelle Motorsägen
603
694
690
680
670
667
662
651
644
ET 07/1999 Druck 9 644 707
ET 10/1991 Druck 9 644 706
ET 04/1996 Druck 9 644 705
Elektronik/Griffheizung
Starter
Vergaser
Kettenbremse/Kupplung
Motor
Bügel/Handgriff
ET 09/1993 Druck 9 644 704
ET 10/1991 Druck 9 644 703
ET 11/1989 Druck 9 644 702
Semiprofessionelle Motorsägen
Hobby-Motorsägen
Elektrosägen
Motorsensen
Motorhacken
Balkenmäher
Vertikutierer
Rasenmäher
Blasgeräte
Multimot
Impressum
(C) by motoruf