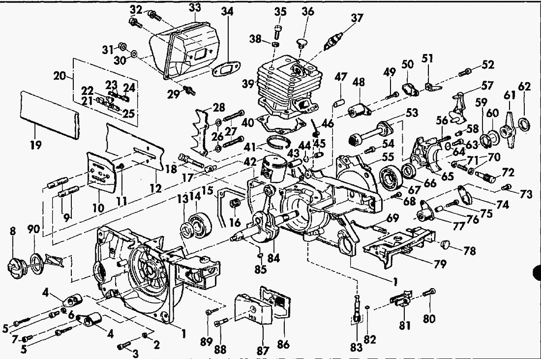
| Pos. | Bezeichnung | Ersatzteilnummer | |
| 1 | KURBELGEHAEUSE RT.VS. | 2100622 |
| 2 | FEDERRING5 7980 | 0034151 |
| 3 | ZYL.SHR.M5X25 912-8.8ZN GELB | 0010158 |
| 4 | GI.METALL20,3/10X22,5 | 6300155 |
| 5 | Linsenschraube 5x16 mm | 0018274 |
| 6 | Scheibe 3,9 mm | 0030115 |
| 7 | ZYL.SHR.M4X12KXRI.T25 8.8 | 0018280 |
| 8 | TANKVERSCHL.29,5/39SR.GWD.SWZ. | 2700353 |
| 9 | STIFTSHR.M8X16,5 SCHWERT | 0018260 |
| 9 | STIFTSHR.M8X18,5 SCHWERT | 0018398 |
| 10 | KETTENSCHUTZBLECH L. | 6043329 |
| 11 | ZYL.BL.SHR.3,5X6,5 7971C.ZN | 0010478 |
| 12 | Führungsschiene | 6900500 |
| 12 | Führungsschiene | 6900464 |
| 12 | Führungsschiene | 6900343 |
| 12 | Führungsschiene, 46 cm, (18’’), .325’’, T=1,5 | 6900861 |
| 13 | WD.RING12X19X5 | 0054252 |
| 14 | KUG.LAG.12X32X10 6201 C4 | 0050187 |
| 15 | DIC.KURBELGEHAEUSE 0,4DICK | 2061473 |
| 16 | NADELKAEFIG10X14X13,00 KBK 0-2 | 0052255 |
| 17 | BOLZEN M5X4,5/8X15,1 KETTENSPN | 6032640 |
| 18 | ZYL.SHR.M5X48 SPN. | 0018230 |
| 19 | KETTENSCHUTZ 43CMX9,3 | 6071217 |
| 20 | KETTE325"1,5 57E LG.13"33CM | 6900339 |
| 20 | KETTE325"1,5 65E LG.15"38CM | 6900344 |
| 20 | KETTE325"1,5 65E BP.15"38CM | 6900665 |
| 20 | KETTE325"1,5 73E BP.18"46CM | 6900671 |
| 21 | L.SCHNEIDER325"LG. | 0540214 |
| 21 | L.SCHNEIDER325"BP. | 0540203 |
| 22 | TREIBGL.325"1,5 | 0540218 |
| 22 | TREIBGL.325"1,5 | 0540250 |
| 23 | VERB.GL.325"M.NIET | 0540212 |
| 23 | VERB.GL.325"M.NIET | 0540249 |
| 24 | R.SCHNEIDER325"LG. | 0540215 |
| 24 | R.SCHNEIDER325"BP. | 0540204 |
| 25 | VERB.GL.325"O.NIET | 0540217 |
| 25 | VERB.GL.325"O.NIET | 0540205 |
| 26 | FEDERRING5 7980 | 0034151 |
| 27 | ZYL.SHR.M5X65 912-8.8ZN GELB | 0010559 |
| 28 | ANSCHLAGKRALLE | 6043323 |
| 29 | STIFTSHR.M5X12 BND. | 0015286 |
| 30 | Sicherungsscheibe | 0072144 |
| 31 | Sechskantmutter M5 | 0028137 |
| 32 | Zylinderschraube M5x16 | 0018336 |
| 33 | AUSPUFF | 2500604 |
| 34 | DIC.AUSPUFF1,0 DICK | 2061441 |
| 35 | ZYL.SHR.M5X20 912-8.8ZN GELB | 0010541 |
| 36 | GI.5,5/8,8X4,3/10DIST.FPM.SH65 | 0094252 |
| 37 | Zündkerze WSR6F 200 | 2300730 |
| 38 | Sicherungsscheibe | 0034100 |
| 39 | ZYL.42,00 NI. MAHLE 1Z1720/000 644 | 2011691 |
| 39 | ZYL.45,00 NI. | 2011756 |
| 40 | DIC.ZYL.FUSS 0,5 DICK | 2061478 |
| 41 | KOLBENRING42X1,5 | 2048265 |
| 41 | Kolbenring 45x1,5 | 2048357 |
| 42 | KOLBEN 42,00 | 2200888 |
| 42 | KOLBEN 45,00 | 2200244 |
| 42 | KOLBEN 45,00 | 2200265 |
| 43 | KOLBENBOLZEN10/6X28 | 2031249 |
| 44 | Sicherungsring | 0055267 |
| 45 | VENTIL RUECKSCHLAG. | 2700339 |
| 46 | Drehfeder 1,3x7,1 mm | 0073381 |
| 47 | STIFT5M6X14 6325 ZYL. | 0040190 |
| 48 | GI.METALL20,3/10X22,5 | 6300155 |
| 49 | Linsenschraube 5x16 mm | 0018274 |
| 50 | SCHUTZDECKEL SWZ. | 6074422 |
| 51 | KETTENFANGBLECH | 6043352 |
| 52 | ZYL.SHR.M4X12KXRI.T25 8.8 | 0018280 |
| 53 | SCHLAUCH3,5X88NBR.OEL | 6063329 |
| 54 | ZYL.SHR.M4X12KXRI.T25 8.8 | 0018280 |
| 55 | ABDECKUNG BREMSBAND.SWZ. | 6074999 |
| 56 | SCHLAUCH3X56,5NBR OEL DRK. | 6063299 |
| 57 | ABDECKUNG | 6074447 |
| 58 | ROHRNIET3X0,30X15 7340A MS | 0044271 |
| 59 | Sicherungsring 15x1 DIN 471 | 0055136 |
| 60 | SCHEIBE15X22X1,5 988SS | 0031209 |
| 61 | MITNEHMERSCHNECKE1G.RL. | 6074976 |
| 62 | SCHEIBE9,2X18X0,7 2093B TE. | 0072168 |
| 63 | ZYL.SHR.M4X12KXRI.T25 8.8 | 0018280 |
| 64 | O.RING4,7X1NBR/PERB 70SH. | 0062276 |
| 65 | OELPUMPE | 6400207 |
| 66 | WD.RING15X29,6X4/A10/B1FSL ( CFW ) | 0054251 |
| 66 | WD.RING15X29,6X4 TTO. | 0054265 |
| 67 | KUG.LAG.15X35X13 C4 OHNE D-SCH | 0050188 |
| 68 | LI.SHR.4X12KT.WN1442 | 0018267 |
| 69 | GASGESTAENGE1 SCHWARZ RAL9005 | 2800285 |
| 70 | SCHEIBE8X5,1X0,5 AN. | 0031529 |
| 71 | FEDER 0,5X5,7X27 DRK. | 0070265 |
| 72 | KOLBEN 9,00 PUMPEN. | 6031330 |
| 73 | ZYL.SHR.M4X12KXRI.T25 8.8 | 0018280 |
| 74 | SCHUTZDECKEL SWZ. | 6074422 |
| 75 | Linsenschraube 5x25 mm | 0018257 |
| 76 | ROHR9X1,85X9DIST. | 0033318 |
| 77 | GI.METALL20,3/10X22,5 | 6300155 |
| 78 | Verschlußstopfen M14x1,5 | 6074401 |
| 79 | KONSOLE RT. | 2074421 |
| 80 | ZYL.SHR.M4X12KXRI.T25 8.8 | 0018280 |
| 81 | ANSCHLAGSTUECK | 6074409 |
| 82 | O.RING4X1,2NBR/PERB 70SH.CA. | 0062256 |
| 83 | STIFT3/5,8X14/36,6HUB. | 6400183 |
| 84 | KURBELWELLE | 2200238 |
| 85 | Scheibenfeder 2x3,7 mm | 0075100 |
| 86 | VORFILTER | 2500582 |
| 87 | DECKEL VORFILTER.RT. | 2074416 |
| 88 | ZYL.SHR.M5X17 HAUBEN. | 0011258 |
| 89 | LI.SHR.4X12KT.WN1442 | 0018267 |
| 90 | DIC.25X37X2,2 55SH BENZIN | 0061356 |