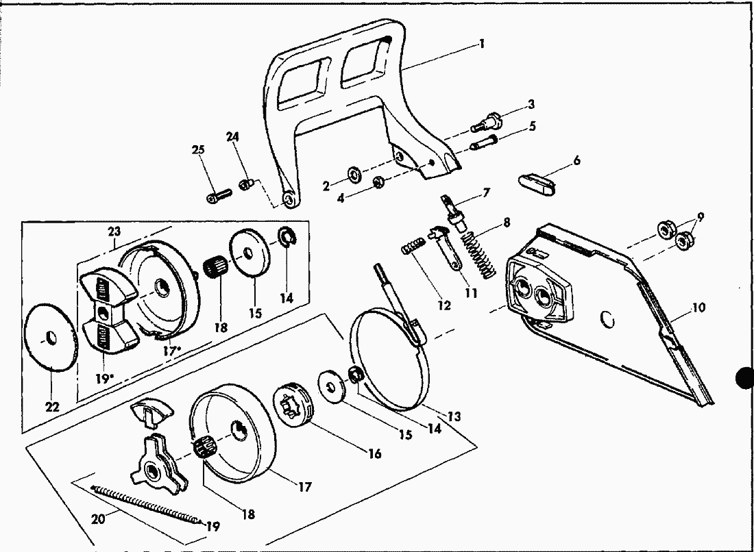
| Pos. | Bezeichnung | Ersatzteilnummer | |
| 1 | HANDSCHUTZ | 6800235 |
| 2 | Scheibe 5,2x12x0,5 mm | 0072140 |
| 3 | LI.SHR.M5X20,7X9,3 BLZ.LAG. | 6032639 |
| 4 | Sechskantmutter M4 | 0028118 |
| 5 | 6KT.SHR.M4X32,1 SW7 SCHALTBLZ. | 6032669 |
| 6 | GLEITSCHUH | 6074696 |
| 7 | Verstellung | 6300208 |
| 8 | FEDER 1,6X10,2X56 DRK. | 0070254 |
| 9 | Sechskantmutter M8 | 0020214 |
| 10 | SCHWERTABD. | 6011728 |
| 11 | Druckblech | 6300175 |
| 12 | Druckfeder 1,5x7x21,5 mm | 0070253 |
| 13 | BREMSBAND VS. | 6200131 |
| 14 | Sicherungsscheibe | 0055104 |
| 15 | SCHEIBE10X30X1 AN. | 0031534 |
| 16 | RG.KETTENRAD POW/MAT325"7Z7N | 3038420 |
| 17 | KU.GLOCKE POW/MAT7N13D | 3500372 |
| 17 | KU.GLOCKE325"7Z13D/70,2D | 3500362 |
| 18 | NADELKAEFIG10X13X13 K TN | 0052257 |
| 19 | FEDER 1,1X4X144 ZUG.KU. | 0071172 |
| 19 | Druckfeder 1,7x6,2x17,5 mm | 0071226 |
| 20 | KUPPLUNG M12X1,25L.FLIEHKRAFT. | 3500363 |
| FEDER 1,1X4X144 ZUG.KU. | 0071172 |
| 22 | SCHEIBE12X55X1 KU. | 6042817 |
| 23 | KUPPLUNG M12X1,25L.FLIEHKRAFT. | 3500405 |
| 24 | ROHRNIET6X0,75X4 7340A ST. | 0044280 |
| 25 | Zylinderschraube M4x16 mm | 0018326 |