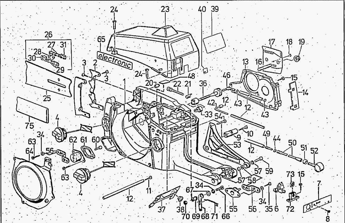
| Pos. | Bezeichnung | Ersatzteilnummer | |
| 1 | HAUPTGEHAEUSE ROT VS. | 6100262 |
| 2 | ANSCHLAGKRALLE | 6043265 |
| 3 | Zylinderschraube M4x6 mm | 0010231 |
| 4 | TANKVERSCHL.29,5/39SR.GWD.SWZ. | 2700287 |
| DIC.25X37X2 NBR 85SH VERSCHL. | 0061324 |
| ANSCHLAGSCHIENE | 6043264 |
| 6 | STUETZE CHOKEHEBEL. | 2074438 |
| 7 | TYPENSCH.647 SÄGE | 6049308 |
| 7 | TYPENSCH.647H SÄGE | 6049326 |
| 8 | ZYL.BL.SHR.2,9X9,5 7971BZ. | 0010495 |
| 9 | BOLZEN5,5X12X39 KETTENFANG. | 6031208 |
| 10 | ZYL.BL.SHR.4,2X32 7971BZ.ZN | 0010526 |
| 11 | ZYL.BL.SHR.3,5X19 7971BZ. VERZ | 0010446 |
| 12 | SCHLAUCH3X1,5XMT.PUR786SH.A87 | 0064300 |
| 13 | OELPUMPENABDECKUNG | 6074319 |
| 14 | PRALLSCHUTZ | 0094244 |
| 15 | Spax-Schraube 4x13 | 0018231 |
| 16 | STIFTSHR.M8X25 835-8.8 BRUEN. | 0015225 |
| 17 | KETTENSCHUTZBLECH L. | 6043230 |
| 18 | ZYL.BL.SHR.3,5X6,5 7971C.ZN | 0010478 |
| 19 | Sechskantmutter M8 | 0020214 |
| 20 | VENTIL RUECKSCHLAG. | 2700294 |
| 21 | BOLZEN M5X4,3/8X18 KETTENSPN. | 6032596 |
| 22 | ZYL.SHR.M5X48 SPN. | 0018230 |
| 23 | HAUBE | 6100264 |
| 23 | HAUBE ROT | 6100271 |
| 24 | ZYL.SHR.M5X17 HAUBEN. | 0011258 |
| 25 | Führungsschiene | 6900342 |
| 25 | Führungsschiene | 6900343 |
| 25 | SCHWERT18"1,5.325"A095.46CM | 6900341 |
| 25 | Führungsschiene | 6900500 |
| 25 | Führungsschiene | 6900464 |
| 25 | SCHWERT18"1,5.325"A095.46CM | 6900465 |
| 25 | SCHWERT16"1,5.3/8"A095.40CM | 6900466 |
| 25 | SCHWERT20"1,5.3/8"A095.50CM | 6900467 |
| 26 | KETTE325"1,5 57E LG.13"33CM | 6900339 |
| 26 | KETTE325"1,5 65E LG.15"38CM | 6900344 |
| 26 | KETTE325"1,5 73E LG.18"46CM | 6900345 |
| 26 | KETTE3/8"1,5 59E LG.16"40CM | 6900365 |
| 26 | *** keine Bezeichnung vorhanden | 6900567 |
| 26 | KETTE325"1,5 65E LP.15"38CM | 6900588 |
| 26 | *** keine Bezeichnung vorhanden | 6900589 |
| 26 | KETTE325"1,5 57E BP.13"33CM | 6900666 |
| 26 | KETTE325"1,5 65E BP.15"38CM | 6900665 |
| 26 | KETTE325"1,5 73E BP.18"46CM | 6900671 |
| 26 | KETTE3/8"1,5 70E LG.20"50CM | 6900367 |
| 27 | VERB.GL.325"M.NIET | 0540212 |
| 27 | VERB.GL.3/8"M.NIET | 0540185 |
| 28 | TREIBGL.325"1,5 | 0540218 |
| 28 | TREIBGL.3/8"1,5 | 0540228 |
| 29 | VERB.GL.325"O.NIET | 0540217 |
| 29 | VERB.GL.3/8"O.NIET | 0540184 |
| 30 | L.SCHNEIDER325"LG. | 0540214 |
| 30 | L.SCHNEIDER3/8"LG. | 0540226 |
| 31 | R.SCHNEIDER325"LG. | 0540215 |
| 31 | R.SCHNEIDER3/8"LG. | 0540227 |
| NIET 325"1,3/1,5 | 0540216 |
| NIET 3/8"325"1,3/1,5 | 0540188 |
| 33 | SIEB OEL. | 6700124 |
| 34 | Scheibe 4,3 mm | 0030135 |
| 35 | H.RD.SHR.4,0X20SPAX | 0018243 |
| 36 | SCHLAUCH3X80NBR.OEL | 6063281 |
| 37 | ZW.PLATTE | 2100505 |
| 38 | Kappe 11/16x6,5 | 5074159 |
| 39 | SKS.SOLO 647 | 0069519 |
| 39 | SKS.SOLO 654 | 0069520 |
| 40 | SKS.CHOKE | 0069525 |
| 42 | ROHR4X0,5X50,5 OEL | 2035209 |
| 43 | SCHLAUCHOESE6,7X0,9X2W. | 0073351 |
| 44 | Schlauchöse | 0073352 |
| 46 | STUTZEN4X17,5 SHL.WS4W.POM. | 0066390 |
| 48 | FILZ8X18X1,5 SK.2 | 0061332 |
| 49 | STUTZEN3,7X25,5 SHL.DP.GS. | 0067114 |
| 50 | Kraftstoffschlauch 3x107 mm | 2063212 |
| 51 | GEWICHT ROHR7,2X15X8 | 2035227 |
| 52 | FILTER BENZIN.SUCHER VS. | 2700327 |
| 53 | SEITENSCHUTZ | 6073462 |
| 54 | H.RD.SHR.4,0X20SPAX | 0018243 |
| 55 | GI.METALL19X20M5X10 | 6300183 |
| 56 | FANGSICHERUNG | 0098137 |
| 57 | Scheibe 5,2x12x0,5 mm | 0072140 |
| 58 | 6KT.MU.M5 10HOCH | 0021234 |
| 59 | LI.ZYL.SHR.M5X10 85 4.8 | 0010514 |
| 60 | ZYL.SHR.M5X12 912 POLYLOK | 0011279 |
| 61 | ZW.ST. | 6074351 |
| 62 | GI.METALL27/19X20X5,1 | 6300169 |
| 63 | ZYL.BL.SHR.4,2X22 7981BZ. VERZ | 0010512 |
| 64 | LUFTFUEHRUNG SWZ. | 6073427 |
| 65 | SKS.ELECTRONIC | 0069528 |
| 66 | ZYL.SHR.M4X30 84A-5.8 | 0010268 |
| 67 | Scheibe 3,9 mm | 0030115 |
| 68 | HEBEL UMLENK. | 6042719 |
| 69 | HUELSE4,3/8X11,5/15,5LAG. | 6031228 |
| 70 | 6KT.MU.M4 27040 ZN | 0020178 |
| 71 | GASGESTAENGE | 2036372 |
| 72 | ZUGLAGERUNG | 2074411 |
| 73 | 4KT.MU.M5 | 0021235 |
| 75 | KETTENSCHUTZ 43CMX9,3 | 6071217 |