| Pos. | Bezeichnung | Ersatzteilnummer | |
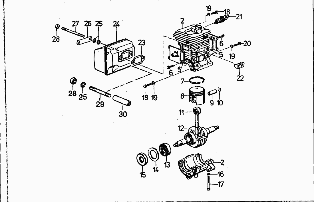
| 2 | ZYL.42,00 BU.+KGH.VS. | 2100409 |
| 2 | ZYL.42,50 BU.+KGH VS. | 2100478 |
| 2 | ZYL.45,00 NI.+KO.+KGH.VS. | 2100406 |
| UEBERSTROEMKANALD.1 | 2012799 |
| UEBERSTROEMKANALD.2 | 2012800 |
| 5 | O.RING34X2,5 ACM CA. 70 SH. | 0062224 |
| 6 | 6KT.SHR.M4X12FLSH.M6SF-TT.WN78 | 0018209 |
| 7 | KOLBENRING42X1,5 | 2048229 |
| 7 | KOLBENRING42,5X39,5X1,5 | 2048248 |
| 7 | KOLBENRING45X1,5X41,2 | 2048268 |
| 8 | KOLBEN 42,00+BO.+SI.SET | 2200872 |
| 8 | KOLBEN 42,50+BO.+SI.SET | 2200873 |
| 8 | KOLBEN 45,00+BO.+SI.SET | 2200874 |
| 9 | KOLBENBOLZEN10/6X32 | 2031238 |
| 10 | SI.RING10X0,8A SPRG. | 0055144 |
| 11 | NADELKAEFIG10X13X14,5KBK0-2 | 0052206 |
| 12 | KURBELWELLE 2TLG. 647/654 | 2200826 |
| 13 | KUG.LAG.15X35X11 6202 C4 | 0050102 |
| 14 | SCHEIBE26X37X1 988PA ZN. | 0031502 |
| 15 | Wellendichtring 12x22x5 mm | 0054258 |
| 16 | FEDERRING5 128A ZN VSK | 0034147 |
| 17 | ZYL.SHR.M5X45 912-8.8ZN GELB | 0010317 |
| 18 | 6KT.SHR.M5X23 | 0011269 |
| 19 | Scheibe 5,2x12x0,5 mm | 0072140 |
| 20 | 6KT.SHR.M5X18 POLYLOK | 0011262 |
| 21 | ZUENDKERZE NGK-BPMR-7-A | 2300389 |
| 22 | EINLASSKANAL-EINSATZ | 2012741 |
| 23 | DIC.AUSPUFF 0,8 DICK. | 2061409 |
| 24 | AUSPUFF BL. | 2500599 |
| 25 | Scheibe 6mm | 0072143 |
| 26 | SI.BLECH6,5X0,5 | 6042481 |
| 27 | STIFTSHR.M6X86 835-10.9 | 0015264 |
| 28 | 6KT.MU.M6 FS-8 400GRAD ZN | 0028140 |
| 29 | STIFTSHR.M6X43 | 0015269 |
| 30 | ROHR10X1,8X32,9 DIST. | 0033324 |