| Pos. | Bezeichnung | Ersatzteilnummer | |
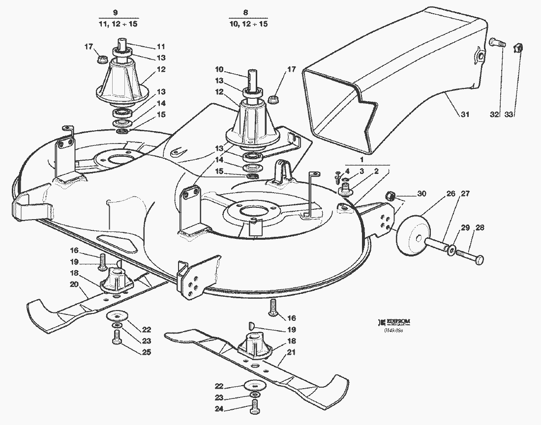
| 1 | SCHNEIDWERKZEUG (MIT 2 - 3 - 4) (mod. 102) | 82565025/0 |
| 1 | SCHNEIDWERKZEUG (MIT 2 - 3 - 4) (mod. 102) | 82565026/0 |
| 2 | WASSERANSCHLUSS | 25033060/0 |
| 3 | O RING | 19035000/0 |
| 4 | NIET | 12500030/0 |
| 8 | MASSERWELLEHAPTPRINCIPALE SATZ (10, 12÷15) | 82207200/1 |
| 9 | MASSERWELLE ZWEITERSECONDARIO SATZ (11, 12÷15) | 82207201/2 |
| 10 | HAUP MESSERWELLE | 25020800/1 |
| 11 | ZWEITE MESSERWELLE | 25020801/2 |
| 12 | MESSERWELLE | 25207200/0 |
| 13 | KUEGELLAGER | 19216032/0 |
| 14 | STAUBSCHUTSCHEIBE | 25160501/0 |
| 15 | SEEGER | 12609260/0 |
| 16 | SCHRAUBE | 12818700/0 |
| 17 | MUTTER | 12154210/0 |
| 18 | MESSERHALTER | 25463200/0 |
| 19 | KEIL | 12139100/0 |
| 20 | RECHTER MESSER (mod. 102) | 82004348/0 |
| 20 | RECHTER MESSER (mod. 122) | 82004350/0 |
| 21 | LINKER MESSER (mod. 102) | 82004347/0 |
| 21 | LINKER MESSER (mod. 122) | 82004349/0 |
| 22 | FEDERSCHEIBE | 22160400/0 |
| 23 | SCHEIBE | 12523080/0 |
| 24 | SCHRAUBE | 12735694/0 |
| 25 | SCHRAUBE | 12735695/1 |
| 26 | SKALPIERSCHUTZRÃDCHEN | 82700002/0 |
| 27 | ENTFERNUNGSSTÜCK | 25510072/0 |
| 28 | SCHRAUBE | 12692050/0 |
| 29 | SCHEIBE | 12523060/0 |
| 30 | MUTTER | 12293201/0 |
| 31 | HINTERLEITBLECHSATZ | 25108009/0 |
| 32 | SCHRAUBE | 25510051/0 |
| 33 | MUTTER | 12360425/0 |
| SCHNEIDWERKZEUG,ASSEMBLATO (mod. 102)(008, 1÷62 + 009a, 1÷30) | 82565023/0 |
| SCHNEIDWERKZEUG,ASSEMBLATO (mod. 102)(008, 1÷62 + 009a, 1÷30) | 82565024/0 |
| SCHNEIDWERKZEUG,ASSEMBLATO (mod. 102)(008, 1÷62 + 009a, 1÷30) | 82565027/0 |
| SCHNEIDWERKZEUG,ASSEMBLATO (mod. 102)(008, 1÷62 + 009a, 1÷30) | 82565028/0 |