Zurück zu
Solo
>
Rasenmäher
>
Aufsitzmäher / Rasentraktoren
>
560 / 560 Hydro
>
2003
>
LENKGETRIEBE
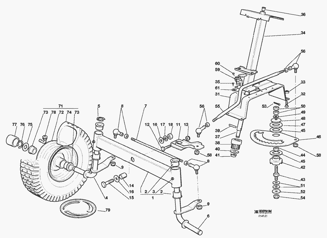
Ersatzteillisten für Solo Rasenmäher LENKGETRIEBE
Pos.
Bezeichnung
Ersatzteilnummer
1
KIPPHEBEL MIT BÜCHSE UND FETTBÜCHSE
82034008/0
2
BÜCHSE
25034002/1
3
FETTBÜCHSE
12379511/0
4
RECHTER ACHSSCHENKEL
82230355/0
5
SPRENGRING
12001000/0
6
LINKER ACHSSCHENKEL
82230357/0
7
SPANNSTANGE
25840006/0
8
GELENK
22746600/0
9
MUTTER
12156602/0
11
HEBEL
25318142/0
12
SCHRAUBE
12692390/0
13
MUTTER
12156602/0
14
ENTFERNUNGSSTÜCK
25160016/0
15
SCHRAUBE
12692695/0
16
SCHEIBE
12523100/0
17
GROWER
12587100/0
18
MUTTER
12295300/0
31
HALTER
25785101/0
32
SCHRAUBE
12792611/0
33
MUTTER
12155000/0
34
HALTER
82785101/0
35
SCHRAUBE
12735120/0
36
BÜCHSE
25038003/0
37
LENKUNGSAEULE
25520003/0
38
RITZEL
25570000/0
39
STIFT
12622650/0
40
SCHEIBE
12521370/0
41
PLATTECHEN
12436030/0
42
BÜCHSE
25040617/0
43
BOLZEN
25510065/1
44
MUTTER
12295200/0
45
SCHEIBE
25670012/0
46
LENKUNGSWELLE
25735507/0
47
SCHEIBE
25670014/0
48
FEDERSCHEIBE
22160400/0
49
SCHEIBE
12521360/0
50
MUTTER
12295200/0
51
SCHEIBE
22672150/0
52
SCHEIBE
12523080/0
53
SPLIT
12141418/0
54
MUTTER
12156602/0
55
LENKUNGSSTAB
25033025/0
56
GELENK
22746600/0
58
MUTTER
12156602/0
59
SCHUTZ (hydro)
25600036/0
60
SCHRAUBE
12727810/0
61
SCHEIBE
12521330/0
71
VORDERRAD
VORDERRAD
71
TURF SAVER CARLISLE
82680002/1
71
DELI TIRE
82680005/0
72
VORDERRAD FELGER
82000590/0
73
LAGER
25122200/2
74
REIFEN
REIFEN
74
TURF SAVER CARLISLE
25590000/0
74
DELI TIRE
25590002/0
75
SCHEIBE
25670005/1
76
SPRENGRING
12001000/0
77
RADNABE DECKEL
22110230/0
78
VENTIL
25950002/0
79
VORRDERRAD DECKEL(TCP - TCB)
82110252/0
Gebrauchsanweisungen
Solo
Pflanzenschutzgeräte
Motorsägen
Motorsensen
Motorhacken
Balkenmäher
Vertikutierer
Rasenmäher
Aufsitzmäher / Rasentraktoren
576 / 576 Hydro
575 / 575 Hydro
572 / 572 Hydro
570 / 570 Hydro
562 Hydro
560 / 560 Hydro
2004
2003
KLEBZETTEL
ZUBEHOERE NACH ANFRAGE
ELETRISCHETEILE
AUFFANGSACK (2. BEWEGLICHER TEIL)
AUFFANGSACK (1. FESTER TEIL)
SCHNEIDWERKZEUG (2)
SCHNEIDWERKZEUG (2)
SCHNEIDWERKZEUG (1)
SCHNEIDWERKZEUG AUFHEBESATZ
GETRIEBE 92 hydro
GETRIEBE 92
MOTOR 15 - 15,5 HP B&S
MOTOR 13 HP TECUMSEH
MOTOR 12 - 12,5 - 13,5 HP B&S
GETRIEBE UND BREMSE ANTRIEB
BREMSE UND WECHSEL ANTRIEB
LENKGETRIEBE
KARROSSERIE (JB)
KARROSSERIE (JTP)
KARROSSERIE (JR)
KARROSSERIE (JT)
KARROSSERIE (JP)
KARROSSERIE (J)
RAHMENSATZ
2002
2001
2000
1999
560 PM
557
556
555 / 555 Hydro
Benzin-Antriebs-Mäher
Benzin-Schiebe-Mäher
Elektro Rasenmäher
Blasgeräte
Multimot
Impressum
(C) by motoruf