Zurück zu
Solo
>
Rasenmäher
>
Aufsitzmäher / Rasentraktoren
>
560 / 560 Hydro
>
2003
>
SCHNEIDWERKZEUG (1)
Ersatzteillisten für Solo Rasenmäher SCHNEIDWERKZEUG (1)
Pos.
Bezeichnung
Ersatzteilnummer
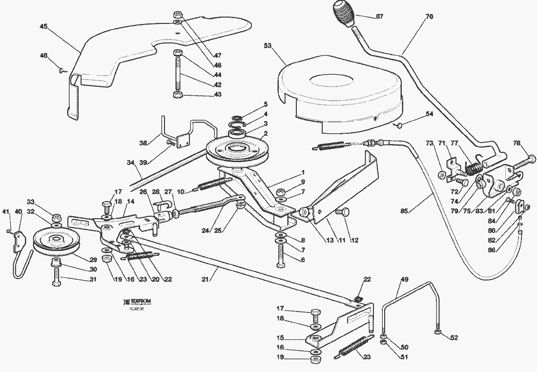
1
HEBEL
82318141/1
2
RIEMENSCHEIBE
25601564/0
3
KUEGELLAGER
19216033/1
4
SEEGER
12610800/0
5
SEEGER
12609200/0
6
SCHRAUBE (13”)
12691700/0
7
SCHEIBE
12523070/0
8
SCHEIBE
22672152/0
9
MUTTER
12155000/0
10
FEDER
22450500/0
11
BRIDE
82774215/2
12
SCHRAUBE
12792611/0
13
MUTTER
12293201/0
14
RECHTE HEBEL
82318143/2
15
LINKE HEBEL
82318148/0
16
SCHEIBE
22672152/0
17
SCHRAUBE
12792611/0
18
BÜCHSE
22041980/0
19
MUTTER
12293201/0
20
SCHEIBE
25670011/0
21
TAB
25033024/0
22
PLATTE
12436050/0
23
FEDER
25430229/1
24
STAB
82000499/0
25
PLATTE
12436050/0
26
GABEL
18399000/0
27
MUTTER
12292100/0
28
SPERRBOLZEN
18210200/0
29
RIEMENSCHEIBE
25601555/0
30
DISTANZRING
25160007/0
31
SCHRAUBE
12691100/0
32
SCHEIBE
12523060/0
33
MUTTER
12155000/0
34
KEILRIEMEN
35065700/0
38
RIEMENFÜHRUNG
25270301/0
39
SCHRAUBE
12729601/0
40
RIEMENFÜHRUNG
25270304/1
41
SCHRAUBE
12731601/0
42
STIFTSCHEIBE
25580007/0
43
MUTTER
12293201/0
44
MUTTER
12293201/0
45
BLECH
25060102/0
46
SCHEIBE
12523060/0
47
MUTTER
12155000/0
48
SCHRAUBE
12735110/0
49
RIEMENFÜHRUNG
25270316/0
50
MUTTER
12293201/0
51
MUTTER
12155000/0
52
MUTTER
12292102/0
53
BLECH
25060103/0
54
SCHRAUBE
12735110/0
71
HALTER
82785073/0
72
SCHRAUBE
12792611/0
73
MUTTER
12293201/0
74
SCHEIBE
22672151/0
75
BRIDE
82774204/1
76
HEBEL
82318135/0
77
FEDER
25430227/0
78
SCHRAUBE
12692050/0
79
MUTTER
12155000/0
80
BUGEL BOLZEN
22061337/0
81
SCHRAUBE
12791213/0
82
MUTTER
12154510/0
83
SCHEIBE
12523060/0
84
MUTTER
12155010/0
85
KABEL
82004604/3
86
SCHEIBE
12523060/0
87
WECHSEL
25394510/0
Gebrauchsanweisungen
Solo
Pflanzenschutzgeräte
Motorsägen
Motorsensen
Motorhacken
Balkenmäher
Vertikutierer
Rasenmäher
Aufsitzmäher / Rasentraktoren
576 / 576 Hydro
575 / 575 Hydro
572 / 572 Hydro
570 / 570 Hydro
562 Hydro
560 / 560 Hydro
2004
2003
KLEBZETTEL
ZUBEHOERE NACH ANFRAGE
ELETRISCHETEILE
AUFFANGSACK (2. BEWEGLICHER TEIL)
AUFFANGSACK (1. FESTER TEIL)
SCHNEIDWERKZEUG (2)
SCHNEIDWERKZEUG (2)
SCHNEIDWERKZEUG (1)
SCHNEIDWERKZEUG AUFHEBESATZ
GETRIEBE 92 hydro
GETRIEBE 92
MOTOR 15 - 15,5 HP B&S
MOTOR 13 HP TECUMSEH
MOTOR 12 - 12,5 - 13,5 HP B&S
GETRIEBE UND BREMSE ANTRIEB
BREMSE UND WECHSEL ANTRIEB
LENKGETRIEBE
KARROSSERIE (JB)
KARROSSERIE (JTP)
KARROSSERIE (JR)
KARROSSERIE (JT)
KARROSSERIE (JP)
KARROSSERIE (J)
RAHMENSATZ
2002
2001
2000
1999
560 PM
557
556
555 / 555 Hydro
Benzin-Antriebs-Mäher
Benzin-Schiebe-Mäher
Elektro Rasenmäher
Blasgeräte
Multimot
Impressum
(C) by motoruf