Zurück zu
Solo
>
Rasenmäher
>
Aufsitzmäher / Rasentraktoren
>
560 / 560 Hydro
>
2003
>
RAHMENSATZ
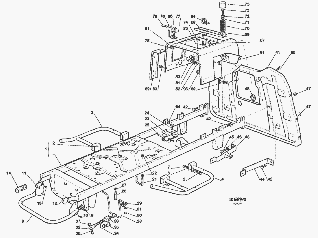
Ersatzteillisten für Solo Rasenmäher RAHMENSATZ
Pos.
Bezeichnung
Ersatzteilnummer
AUSPUFFSCHUTZ
82869006/1
1
RAHMENSATZ
82800071/0
2
BÜCHSE
25034001/0
3
RECHTE FUSSBRETTHALTER
82800019/0
4
LINKE FUSSBRETTHALTER
82800021/0
5
SCHRAUBE
12815240/0
6
SCHEIBE
12523040/0
7
MUTTER
12154510/0
8
AUSPUFFSCHUTZ
82869011/0
9
PFROPFEN
18566110/0
10
SCHRAUBE
12734995/0
11
RECHTE PLATTE
25547089/0
12
LINKE PLATTE
25547091/0
13
SCHRAUBE
12731580/0
14
PLATTE (JB)
25547109/0
21
RIEMENFÜHRUNG
25580019/0
22
MUTTER
12292102/0
23
PLATTE
25547101/0
24
SCHRAUBE
12793102/0
25
MUTTER
12155000/0
26
RIEMENFÜHRUNG (mech.)
25580023/0
27
MUTTER
12360425/0
28
RIEMENFÜHRUNG
25270318/0
29
PLATTE
25774299/0
30
SCHRAUBE
12734995/0
31
SCHEIBE
12523040/0
32
SPANNSTANGE
82000505/0
33
GABEL
18399000/0
34
MUTTER
12292100/0
35
SPERRBOLZEN
18210200/0
36
SCHRAUBE
12793102/0
37
MUTTER
12154210/0
41
PLATTE
82547021/2
42
SCHRAUBE
12792611/0
43
RECHTE PLATTE-
82650201/0
44
LINKE PLATTE-
25650046/0
45
SCHRAUBE
12792611/0
46
SCHEIBE
12540260/0
47
MUTTER
12293201/0
48
TANKVERSCHLUSS
22110275/0
61
SITZHALTER
25785119/1
62
PLATTEVERSTAERKUG
25650055/0
63
SCHRAUBE
12790780/0
64
MUTTER
12292102/0
65
SCHRAUBE
12790781/0
67
MUTTER
12292102/0
68
PLATTEVERSTAERKUNG
25650056/0
69
SCHEIBE
12523060/0
70
FEDER
25430205/0
71
SCHEIBE
12521350/0
72
MUTTER
12293201/0
73
SCHRAUBE
25943001/0
74
MUTTER
12360420/0
75
SCHUTZKASTEN
25122000/1
76
WINKEL
25755008/0
77
SCHRAUBE
12792610/0
78
MUTTER
12293201/0
79
BOLZEN
22524970/2
80
MUTTER
12155010/0
81
WINKEL
25755016/0
82
SCHRAUBE
12789000/0
83
MUTTER
12154330/0
84
WINKEL
25755025/1
85
SCHRAUBE
12731580/0
91
HALTER
25785057/0
92
SCHRAUBE
12790780/0
93
MUTTER
12292102/0
Gebrauchsanweisungen
Solo
Pflanzenschutzgeräte
Motorsägen
Motorsensen
Motorhacken
Balkenmäher
Vertikutierer
Rasenmäher
Aufsitzmäher / Rasentraktoren
576 / 576 Hydro
575 / 575 Hydro
572 / 572 Hydro
570 / 570 Hydro
562 Hydro
560 / 560 Hydro
2004
2003
KLEBZETTEL
ZUBEHOERE NACH ANFRAGE
ELETRISCHETEILE
AUFFANGSACK (2. BEWEGLICHER TEIL)
AUFFANGSACK (1. FESTER TEIL)
SCHNEIDWERKZEUG (2)
SCHNEIDWERKZEUG (2)
SCHNEIDWERKZEUG (1)
SCHNEIDWERKZEUG AUFHEBESATZ
GETRIEBE 92 hydro
GETRIEBE 92
MOTOR 15 - 15,5 HP B&S
MOTOR 13 HP TECUMSEH
MOTOR 12 - 12,5 - 13,5 HP B&S
GETRIEBE UND BREMSE ANTRIEB
BREMSE UND WECHSEL ANTRIEB
LENKGETRIEBE
KARROSSERIE (JB)
KARROSSERIE (JTP)
KARROSSERIE (JR)
KARROSSERIE (JT)
KARROSSERIE (JP)
KARROSSERIE (J)
RAHMENSATZ
2002
2001
2000
1999
560 PM
557
556
555 / 555 Hydro
Benzin-Antriebs-Mäher
Benzin-Schiebe-Mäher
Elektro Rasenmäher
Blasgeräte
Multimot
Impressum
(C) by motoruf