Zurück zu
Solo
>
Rasenmäher
>
Aufsitzmäher / Rasentraktoren
>
555 / 555 Hydro
>
2003
>
SCHNEIDWERKZEUG (1)
Ersatzteillisten für Solo Rasenmäher SCHNEIDWERKZEUG (1)
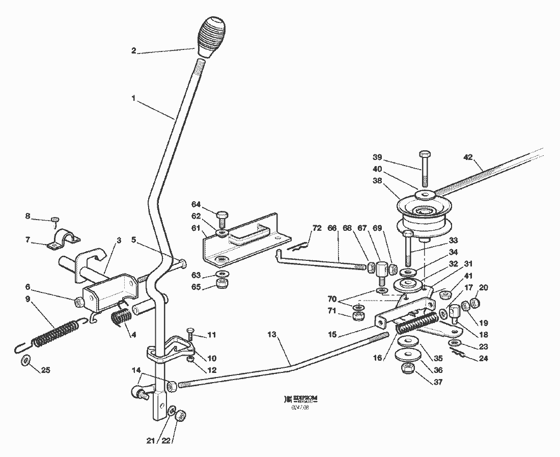
Pos.
Bezeichnung
Ersatzteilnummer
1
HEBEL
84317069/0
2
WECHSEL
25394510/0
3
ACHSE
84001007/0
4
FEDER
25430226/0
5
SCHRAUBE
12692050/0
6
MUTTER
12155000/0
7
PLATTE
25547049/0
8
SCHRAUBE
12731601/0
9
FEDER
25430571/0
10
GLEITBLOCK
27487000/0
11
SCHRAUBE
12791200/0
12
MUTTER
12154510/0
13
STAB
27034078/0
14
GELENK
22746601/0
15
BRIDE
27772143/0
16
FEDER
25430576/0
17
SCHEIBE
12521350/0
18
BOLZEN
27510113/0
19
MUTTER
12293200/0
20
MUTTER
12155000/0
21
GROWER
12583500/0
22
MUTTER
12293200/0
23
SCHEIBE
25670008/1
24
SPLIT
24487997/0
25
SCHEIBE
25670006/0
31
HEBEL
84317083/0
32
BÜCHSE
27047000/0
33
SCHRAUBE (räder 15”)
12691200/0
34
SCHEIBE
12523060/0
35
SCHEIBE
22672152/0
36
SCHEIBE
12523070/0
37
MUTTER
12155000/0
38
RIEMENSCHEIBE
27604008/0
39
SCHRAUBE
12691600/0
40
SCHEIBE
12523060/0
41
MUTTER
12293201/0
42
RIEMEN
35061423/0
61
BREMSE
84220501/0
62
BÜCHSE
22041980/0
63
SCHEIBE
22672152/0
64
SCHRAUBE
12793102/0
65
MUTTER
12155010/0
66
STAB
27034077/0
67
BOLZEN
25510040/1
68
MUTTER
12293200/0
69
MUTTER
12155000/0
70
SCHEIBE
25670011/0
71
MUTTER
12155000/0
72
SPLIT
24487997/0
Gebrauchsanweisungen
Solo
Pflanzenschutzgeräte
Motorsägen
Motorsensen
Motorhacken
Balkenmäher
Vertikutierer
Rasenmäher
Aufsitzmäher / Rasentraktoren
576 / 576 Hydro
575 / 575 Hydro
572 / 572 Hydro
570 / 570 Hydro
562 Hydro
560 / 560 Hydro
557
556
555 / 555 Hydro
2004
2003
KLEBZETTEL
ZUBEHOERE NACH ANFRAGE
ELETRISCHETEILE
AUFFANGSACK
SCHNEIDWERKZEUG (2)
SCHNEIDWERKZEUG (1)
SCHNEIDWERKZEUG AUFHEBESATZ
GETRIEBE F72 hydro
GETRIEBE F72
MOTOR 10 HP TECUMSEH
MOTOR 10-10,5-11-11,5-12-12,5 HP B&S
GETRIEBE UND BREMSE ANTRIEB
BREMSE UND WECHSEL ANTRIEB
LENKGETRIEBE
KARROSSERIE
RAHMENSATZ
2002
2001
2000
1999
555 PM
Benzin-Antriebs-Mäher
Benzin-Schiebe-Mäher
Elektro Rasenmäher
Blasgeräte
Multimot
Impressum
(C) by motoruf