Zurück zu
Solo
>
Rasenmäher
>
Aufsitzmäher / Rasentraktoren
>
555 / 555 Hydro
>
2003
>
SCHNEIDWERKZEUG (2)
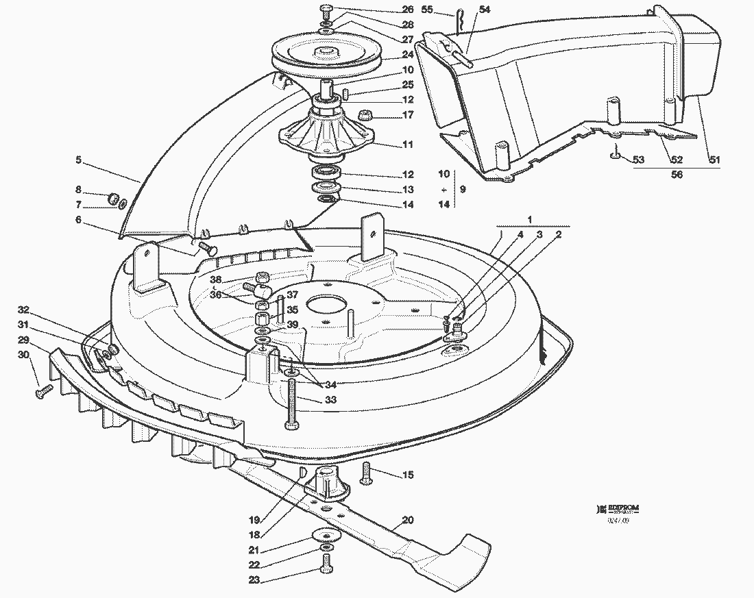
Ersatzteillisten für Solo Rasenmäher SCHNEIDWERKZEUG (2)
Pos.
Bezeichnung
Ersatzteilnummer
SCHNEIDWERKZEUG, KOMPLETT (008, 31÷72 + 009, 1÷39)
84564099/0
1
SCHNEID
84564097/0
2
WASSERANSCHLUSS
25033060/0
3
O RING
19035000/0
4
NIET
12500030/0
5
BLECHSATZEINGANG
27045000/0
6
SCHRAUBE
12815210/0
7
SCHEIBE
12523040/0
8
MUTTER
12154510/0
9
NABE, KOMPLETT (10÷14)
84207250/0
10
WELLE
27023000/0
11
FLANSCH
27208402/0
12
KUEGELLAGER
19216032/0
13
STAUBSCHUTSCHEIBE
25160501/0
14
SEEGER
12609260/0
15
SCHRAUBE
12818700/0
17
MUTTER
12154210/0
18
MESSERHALTER
25463200/0
19
KEIL
12139100/0
20
MESSER
84109503/0
21
FEDERSCHEIBE
22160400/0
22
SCHEIBE
12523080/0
23
SCHRAUBE
12735694/0
24
RIEMENSCHEIBE
27604009/0
25
KEIL
12139480/0
26
SCHRAUBE
12793102/0
27
SCHEIBE
25670007/0
28
GROWER
12583500/0
29
ANSAUGGITTER
27488000/0
30
SCHRAUBE
12815200/0
31
SCHEIBE
12521340/0
32
MUTTER
12154510/0
33
SCHRAUBE
12794970/0
34
SCHEIBE
12523080/0
35
MUTTER
12154250/0
36
BOLZEN
25510007/1
37
MUTTER
12295200/0
38
MUTTER
12156602/0
39
GROWER
12585100/0
51
BLECHSATZ
27107501/0
52
ABWEISER
27140051/1
53
SCHRAUBE
12735402/0
54
BOLZEN
27510097/1
55
SPLIT
24487997/0
56
BLECHSATZ, KOMPLETT (51, 52, 53)
84108051/0
Gebrauchsanweisungen
Solo
Pflanzenschutzgeräte
Motorsägen
Motorsensen
Motorhacken
Balkenmäher
Vertikutierer
Rasenmäher
Aufsitzmäher / Rasentraktoren
576 / 576 Hydro
575 / 575 Hydro
572 / 572 Hydro
570 / 570 Hydro
562 Hydro
560 / 560 Hydro
557
556
555 / 555 Hydro
2004
2003
KLEBZETTEL
ZUBEHOERE NACH ANFRAGE
ELETRISCHETEILE
AUFFANGSACK
SCHNEIDWERKZEUG (2)
SCHNEIDWERKZEUG (1)
SCHNEIDWERKZEUG AUFHEBESATZ
GETRIEBE F72 hydro
GETRIEBE F72
MOTOR 10 HP TECUMSEH
MOTOR 10-10,5-11-11,5-12-12,5 HP B&S
GETRIEBE UND BREMSE ANTRIEB
BREMSE UND WECHSEL ANTRIEB
LENKGETRIEBE
KARROSSERIE
RAHMENSATZ
2002
2001
2000
1999
555 PM
Benzin-Antriebs-Mäher
Benzin-Schiebe-Mäher
Elektro Rasenmäher
Blasgeräte
Multimot
Impressum
(C) by motoruf