Zurück zu
Solo
>
Rasenmäher
>
Aufsitzmäher / Rasentraktoren
>
570 / 570 Hydro
>
1999
>
AUSHEBEVORRICHTUNG UND VOLLKORBEINRICHTUNG
Ersatzteillisten für Solo Rasenmäher AUSHEBEVORRICHTUNG UND VOLLKORBEINRICHTUNG
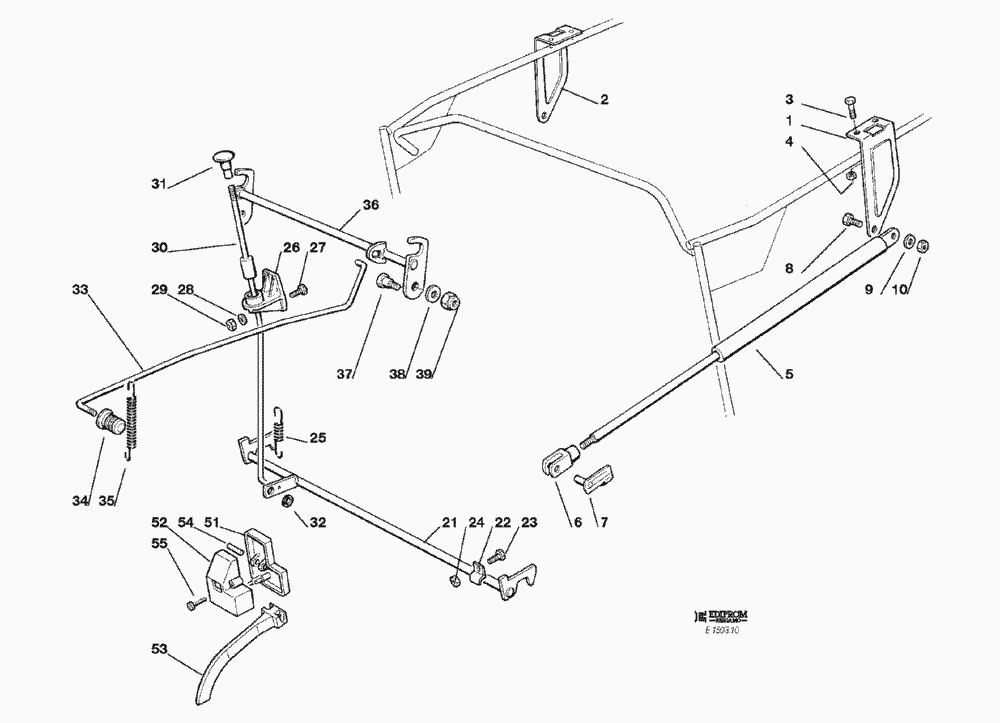
Pos.
Bezeichnung
Ersatzteilnummer
1
LINKE PLATTE
25547005/0
2
RECHTE PLATTE
25547007/0
3
SCHRAUBE
12792611/0
4
MUTTER
12293201/0
5
GASFEDER
18564600/0
6
GABEL
18399000/0
7
SPERRBOLZEN
18210200/0
8
SCHRAUBE
12793101/0
9
SCHEIBE
12521350/0
10
MUTTER
12155000/0
21
UNTERE KUPPLUNGSTANGE
82000357/0
22
BRIDE
25774220/0
23
SCHRAUBE
12791200/0
24
MUTTER
12292102/0
25
FEDER (mod. 122)
25430220/0
26
HALTER
25785055/0
27
SCHRAUBE
12791200/0
28
SCHEIBE
12521330/0
29
MUTTER
12154510/0
30
ENTKUPPLUNGSTANGE
82000462/0
31
GRIFF
82394507/0
32
KRONESCHEIBE
12604898/0
33
KLEMENSTANGE
25033015/0
33
KLEMENSTANGE (hydro)
25033018/0
34
KNOPF
25394500/1
35
FEDER
25430213/0
36
OBERE KUPLUNGSTANGE
82000355/0
37
BOLZEN
25510038/0
38
SCHEIBE
12521350/0
39
MUTTER
12155000/0
51
SHUTZ
25600040/0
52
SCHUTZ
25600039/0
53
HEBEL
25318112/0
54
STIFT
12400030/0
55
SCHUTZ
12728440/0
Gebrauchsanweisungen
Solo
Pflanzenschutzgeräte
Motorsägen
Motorsensen
Motorhacken
Balkenmäher
Vertikutierer
Rasenmäher
Aufsitzmäher / Rasentraktoren
576 / 576 Hydro
575 / 575 Hydro
572 / 572 Hydro
570 / 570 Hydro
2004
2003
2002
2001
2000
1999
ELEKTRISCHES SCHEMA 16 - 18 - 20 HP B&S (TC102 hy. / TCP102 hy. / TCP122 hy.)
ELEKTRISCHES SCHEMA 15,5 HP B&S (TC102 hy. / TCP102 hy.)
ELEKTRISCHES SCHEMA 12,5 - 13 HP B&S / 13 - 15 HP TECUMSEH (TC102 hy. / TCP102 hy. / TC122 hy.)
ELEKTRISCHES SCHEMA 16 - 18 - 20 HP B&S (TC102 / TCP102)
ELEKTRISCHES SCHEMA 15,5 HP B&S (TC102 / TCP102)
ELEKTRISCHES SCHEMA 12,5 - 13 HP B&S / 13 - 15 HP TECUMSEH (TC102 / TCP102)
ZUBEHOERE NACH ANFRAGE
ELEKTRISCHETEILE (TC102 hy. / TCP102 hy. / TC122 hy. / TCP122 hy.)
ELEKTRISCHETEILE (TC102 / TCP102)
AUFFANGSACK
SCHNEIDWERKZEUG (2)
AUSHEBEVORRICHTUNG UND VOLLKORBEINRICHTUNG
SCHNEIDWERKZEUG (1)
SCHNEIDWERKZEUG AUFHEBESATZ
GETRIEBE (TC102 hy. / TCP102 hy. / TC122 hy. / TCP122 hy.)
GETRIEBE (TC102 / TCP 102)
MOTOR 15 HP TECUMSEH (TC102 / TC102 hy.)
MOTOR 13 HP TECUMSEH (TC102 / TC102 hy.)
MOTOR 20 HP B&S (TCP122 hy.)
MOTOR 15,5 HP B&S (TC102 / TC102 hy. / TCP102 / TCP102 hy.)
MOTOR 16 - 18 HP B&S (TC102 / TC102 hy. / TCP102 / TCP102 hy. / TCP122 hy.)
MOTOR 12,5 - 13 HP B&S (TC102 / TC102 hy. / TCP102 / TCP102 hy.)
GETRIEBE UND BREMSE ANTRIEB (TC hy. / TCP hy. / TC122 hy. /TCP122 hy.)
BREMSE UND WECHSEL ANTRIEB (TC102 / TC102)
LENKGETRIEBE
KONSOLE UND SITZ
KARROSSERIE UND GEHÄUSE
570 PM
562 Hydro
560 / 560 Hydro
557
556
555 / 555 Hydro
Benzin-Antriebs-Mäher
Benzin-Schiebe-Mäher
Elektro Rasenmäher
Blasgeräte
Multimot
Impressum
(C) by motoruf