Zurück zu
Solo
>
Rasenmäher
>
Aufsitzmäher / Rasentraktoren
>
570 / 570 Hydro
>
1999
>
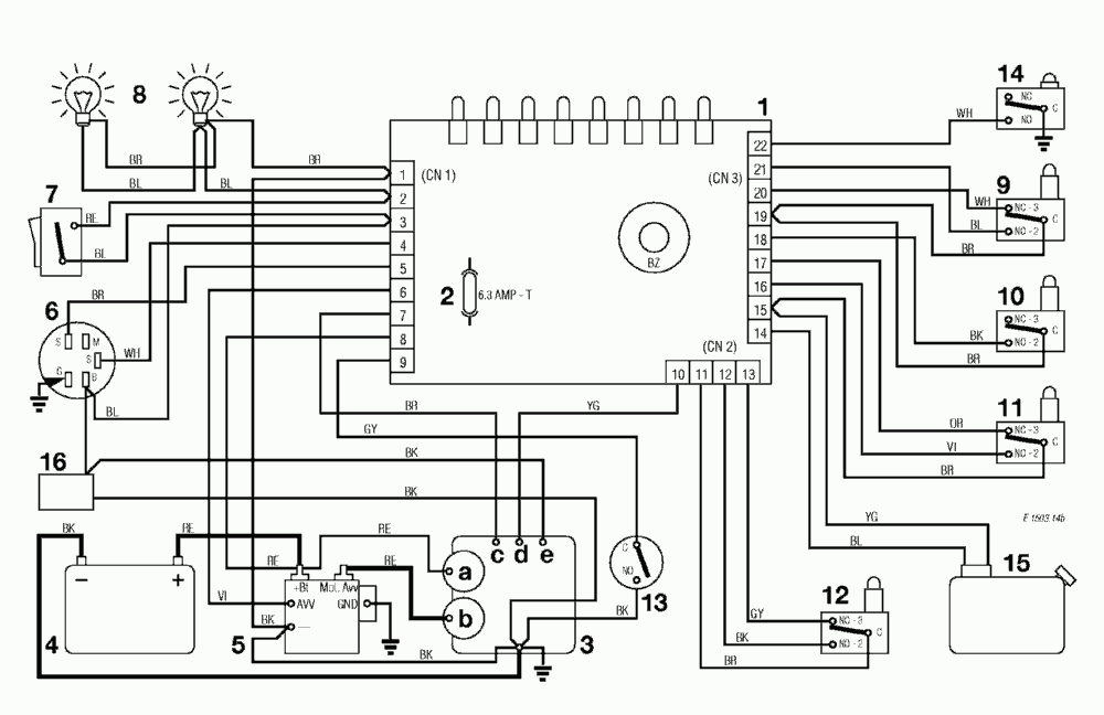
ELEKTRISCHES SCHEMA 16 - 18 - 20 HP B&S (TC102 / TCP102)
Ersatzteillisten für Solo Rasenmäher ELEKTRISCHES SCHEMA 16 - 18 - 20 HP B&S (TC102 / TCP102)
Pos.
Bezeichnung
Ersatzteilnummer
1
ELECTRONISCHE KARTE MIT BUZZER
ELECTRONISCHE KARTE MIT BUZZER
2
SICHERUNG 6,3 Amp. T
SICHERUNG 6,3 Amp. T
3
MOTOR
MOTOR
3a
Generator
Generator
3b
Anlasser
Anlasser
3c
Motor abstellung
Motor abstellung
3d
Öl
Öl
3e
Vergaser
Vergaser
4
BATTERIE
BATTERIE
5
ANLASSER RELAIS
ANLASSER RELAIS
6
SCHLÜSSELSCHALTER
SCHLÜSSELSCHALTER
7
LICHTSCHALTER
LICHTSCHALTER
9
MESSER MIKROSCHALTER
MESSER MIKROSCHALTER
10
BREMSE MIKROSCHALTER
BREMSE MIKROSCHALTER
11
SITZMIKROSCHALTER
SITZMIKROSCHALTER
12
GRASFANGEINRICHTUNG MIKROSCHALTER
GRASFANGEINRICHTUNG MIKROSCHALTER
13
ANTRIEB MICROSCHALTER
ANTRIEB MICROSCHALTER
14
VOLLKORB VORRICHTUNG
VOLLKORB VORRICHTUNG
15
TANK
TANK
16
BETRIEBESSTUNDENZÄHLER (TCP)
BETRIEBESSTUNDENZÄHLER (TCP)
Gebrauchsanweisungen
Solo
Pflanzenschutzgeräte
Motorsägen
Motorsensen
Motorhacken
Balkenmäher
Vertikutierer
Rasenmäher
Aufsitzmäher / Rasentraktoren
576 / 576 Hydro
575 / 575 Hydro
572 / 572 Hydro
570 / 570 Hydro
2004
2003
2002
2001
2000
1999
ELEKTRISCHES SCHEMA 16 - 18 - 20 HP B&S (TC102 hy. / TCP102 hy. / TCP122 hy.)
ELEKTRISCHES SCHEMA 15,5 HP B&S (TC102 hy. / TCP102 hy.)
ELEKTRISCHES SCHEMA 12,5 - 13 HP B&S / 13 - 15 HP TECUMSEH (TC102 hy. / TCP102 hy. / TC122 hy.)
ELEKTRISCHES SCHEMA 16 - 18 - 20 HP B&S (TC102 / TCP102)
ELEKTRISCHES SCHEMA 15,5 HP B&S (TC102 / TCP102)
ELEKTRISCHES SCHEMA 12,5 - 13 HP B&S / 13 - 15 HP TECUMSEH (TC102 / TCP102)
ZUBEHOERE NACH ANFRAGE
ELEKTRISCHETEILE (TC102 hy. / TCP102 hy. / TC122 hy. / TCP122 hy.)
ELEKTRISCHETEILE (TC102 / TCP102)
AUFFANGSACK
SCHNEIDWERKZEUG (2)
AUSHEBEVORRICHTUNG UND VOLLKORBEINRICHTUNG
SCHNEIDWERKZEUG (1)
SCHNEIDWERKZEUG AUFHEBESATZ
GETRIEBE (TC102 hy. / TCP102 hy. / TC122 hy. / TCP122 hy.)
GETRIEBE (TC102 / TCP 102)
MOTOR 15 HP TECUMSEH (TC102 / TC102 hy.)
MOTOR 13 HP TECUMSEH (TC102 / TC102 hy.)
MOTOR 20 HP B&S (TCP122 hy.)
MOTOR 15,5 HP B&S (TC102 / TC102 hy. / TCP102 / TCP102 hy.)
MOTOR 16 - 18 HP B&S (TC102 / TC102 hy. / TCP102 / TCP102 hy. / TCP122 hy.)
MOTOR 12,5 - 13 HP B&S (TC102 / TC102 hy. / TCP102 / TCP102 hy.)
GETRIEBE UND BREMSE ANTRIEB (TC hy. / TCP hy. / TC122 hy. /TCP122 hy.)
BREMSE UND WECHSEL ANTRIEB (TC102 / TC102)
LENKGETRIEBE
KONSOLE UND SITZ
KARROSSERIE UND GEHÄUSE
570 PM
562 Hydro
560 / 560 Hydro
557
556
555 / 555 Hydro
Benzin-Antriebs-Mäher
Benzin-Schiebe-Mäher
Elektro Rasenmäher
Blasgeräte
Multimot
Impressum
(C) by motoruf