Zurück zu
Solo
>
Rasenmäher
>
Aufsitzmäher / Rasentraktoren
>
555 / 555 Hydro
>
2002
>
GETRIEBE F72 hy.
Ersatzteillisten für Solo Rasenmäher GETRIEBE F72 hy.
Pos.
Bezeichnung
Ersatzteilnummer
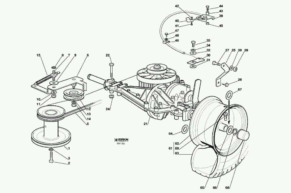
1
RIEMENSCHEIBE
27604003/1
2
SCHRAUBE
12737310/0
3
SCHEIBE
12543000/0
5
RIEMEN
35061403/0
6
HEBEL
84317067/0
7
BOLZEN
27510096/0
8
SCHEIBE
12540260/0
9
SCHEIBE
22672151/0
10
SCHEIBE
25670011/0
11
MUTTER
12155010/0
12
RIEMENSCHEIBE
25601554/0
13
SCHEIBE
12523060/0
14
MUTTER
12155000/0
15
FEDER
22446402/0
21
HINTERACHSE
18400935/0
22
SCHRAUBE
12691800/0
24
MUTTER
12154210/0
25
BRIDE
27772115/0
26
SCHRAUBE
12735150/0
27
SCHRAUBE
12793301/0
28
SCHEIBE
12521350/0
29
MUTTER
12155000/0
30
HEBEL
27315089/0
31
SCHEIBE
12521370/0
32
SCHEIBE
12523050/0
33
SCHRAUBE
12735520/0
34
GROWER
12582100/0
39
ENTSPERREN HEBEL
81007092/0
40
GRIFF
22399801/0
41
SCHRAUBE
12726388/0
42
MUTTER
12290800/0
43
ENTFERNUNGSSTÜCK
25160012/0
44
SCHRAUBE
12674550/0
45
MUTTER
12154510/0
46
PLATTE
27546023/0
47
SCHRAUBE
12731601/0
48
SCHEIBE
12523020/0
61
TURF SAVER CARLISLE
84680050/0
61
DELI TIRE
84680053/0
62
HINTRERRAD FELGER
84044001/0
63
TURF SAVER CARLISLE
27590051/0
63
DELI TIRE
27590053/0
64
SCHEIBE
12521410/0
65
SCHEIBE
25670005/1
66
SPRENGRING
12001010/0
67
SCHEIBE
12520010/0
68
RADNABE DECKEL
22110230/0
69
VENTIL
25950000/0
Gebrauchsanweisungen
Solo
Pflanzenschutzgeräte
Motorsägen
Motorsensen
Motorhacken
Balkenmäher
Vertikutierer
Rasenmäher
Aufsitzmäher / Rasentraktoren
576 / 576 Hydro
575 / 575 Hydro
572 / 572 Hydro
570 / 570 Hydro
562 Hydro
560 / 560 Hydro
557
556
555 / 555 Hydro
2004
2003
2002
KLEBZETTEL F72 / F72 hy.
ZUBEHOERE NACH ANFRAGE F72 / F72 hy.
ELEKTRISCHETEILE F72 / F72 hy.
AUFFANGSACK F72 / F72 hy.
SCHNEIDWERKZEUG (2) F72 / F72 hy.
SCHNEIDWERKZEUG (1) F72 / F72 hy.
SCHNEIDWERKZEUG AUFHEBESATZ F72 / F72 hy.
GETRIEBE F72 hy.
GETRIEBE F72
MOTOR F72 / F72 hy. 10 HP TECUMSEH
MOTOR F72 / F72 hy. 10 - 10,5 - 11 - 11,5 - 12 - 12,5 HP B&S
GETRIEBE UND BREMSE ANTRIEB F72 hy.
BREMSE UND WECHSEL ANTRIEB F72
LENKGETRIEBE F72 / F72 hy.
KARROSSERIE F72 / F72 hy.
RAHMENSATZ F72 / F72 hy.
2001
2000
1999
555 PM
Benzin-Antriebs-Mäher
Benzin-Schiebe-Mäher
Elektro Rasenmäher
Blasgeräte
Multimot
Impressum
(C) by motoruf