Zurück zu
Solo
>
Rasenmäher
>
Aufsitzmäher / Rasentraktoren
>
555 / 555 Hydro
>
2002
>
SCHNEIDWERKZEUG (1) F72 / F72 hy.
Ersatzteillisten für Solo Rasenmäher SCHNEIDWERKZEUG (1) F72 / F72 hy.
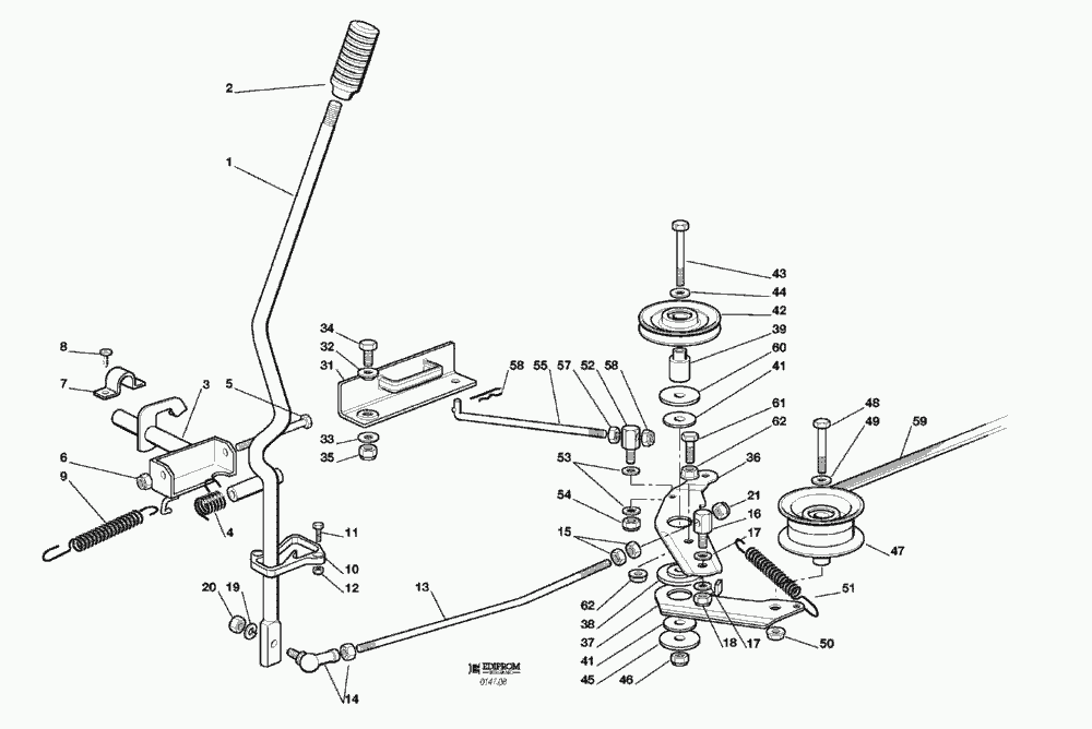
Pos.
Bezeichnung
Ersatzteilnummer
1
HEBEL
84317069/0
2
WECHSEL
25394510/0
3
ACHSE
84001007/0
4
FEDER
25430226/0
5
SCHRAUBE
12692050/0
6
MUTTER
12155000/0
7
PLATTE
25547049/0
8
SCHRAUBE
12731601/0
9
FEDER (mod. 122)
25430220/0
10
GLEITBLOCK
27487000/0
11
SCHRAUBE
12791200/0
12
MUTTER
12154510/0
13
STAB
27034061/1
14
GELENK
22746601/0
15
MUTTER
12293200/0
16
BOLZEN
25510040/1
17
SCHEIBE
25670011/0
18
MUTTER
12155000/0
19
GROWER
12583500/0
20
MUTTER
12293200/0
21
MUTTER
12155000/0
31
BREMSE
84220501/0
32
BÜCHSE
22041980/0
33
SCHEIBE
22672152/0
34
SCHRAUBE
12793102/0
35
MUTTER
12155010/0
36
HEBEL
27315059/1
37
HEBEL
27315107/0
38
BÜCHSE
27047000/0
39
ENTFERNUNGSSTÜCK
27160051/1
41
SCHEIBE
22672152/0
42
RIEMENSCHEIBE
81000772/2
43
SCHRAUBE
12692080/0
44
SCHEIBE
12521350/0
45
SCHEIBE
12523070/0
46
MUTTER
12155000/0
47
RIEMENSCHEIBE
27604002/0
48
SCHRAUBE
12691900/0
49
SCHEIBE
12523060/0
50
MUTTER
12293201/0
51
FEDER
25430210/0
52
BOLZEN
25510040/1
53
SCHEIBE
25670011/0
54
MUTTER
12155000/0
55
STAB
27034051/0
56
SPLIT
24487997/0
57
MUTTER
12293200/0
58
MUTTER
12155000/0
59
RIEMEN
35061423/0
60
SCHEIBE
12523070/0
61
SCHRAUBE
12691900/0
62
MUTTER
12293201/0
Gebrauchsanweisungen
Solo
Pflanzenschutzgeräte
Motorsägen
Motorsensen
Motorhacken
Balkenmäher
Vertikutierer
Rasenmäher
Aufsitzmäher / Rasentraktoren
576 / 576 Hydro
575 / 575 Hydro
572 / 572 Hydro
570 / 570 Hydro
562 Hydro
560 / 560 Hydro
557
556
555 / 555 Hydro
2004
2003
2002
KLEBZETTEL F72 / F72 hy.
ZUBEHOERE NACH ANFRAGE F72 / F72 hy.
ELEKTRISCHETEILE F72 / F72 hy.
AUFFANGSACK F72 / F72 hy.
SCHNEIDWERKZEUG (2) F72 / F72 hy.
SCHNEIDWERKZEUG (1) F72 / F72 hy.
SCHNEIDWERKZEUG AUFHEBESATZ F72 / F72 hy.
GETRIEBE F72 hy.
GETRIEBE F72
MOTOR F72 / F72 hy. 10 HP TECUMSEH
MOTOR F72 / F72 hy. 10 - 10,5 - 11 - 11,5 - 12 - 12,5 HP B&S
GETRIEBE UND BREMSE ANTRIEB F72 hy.
BREMSE UND WECHSEL ANTRIEB F72
LENKGETRIEBE F72 / F72 hy.
KARROSSERIE F72 / F72 hy.
RAHMENSATZ F72 / F72 hy.
2001
2000
1999
555 PM
Benzin-Antriebs-Mäher
Benzin-Schiebe-Mäher
Elektro Rasenmäher
Blasgeräte
Multimot
Impressum
(C) by motoruf