Zurück zu
Solo
>
Rasenmäher
>
Aufsitzmäher / Rasentraktoren
>
555 / 555 Hydro
>
2002
>
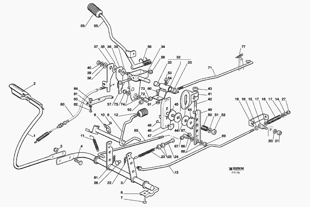
GETRIEBE UND BREMSE ANTRIEB F72 hy.
Ersatzteillisten für Solo Rasenmäher GETRIEBE UND BREMSE ANTRIEB F72 hy.
Pos.
Bezeichnung
Ersatzteilnummer
1
PEDAL
84503001/0
2
BRIDEDECKEL
25110267/0
3
ACHSE
84001015/1
4
SCHRAUBE
12793301/0
5
MUTTER
12155000/0
6
PLATTE
27546015/1
7
SCHRAUBE
12731350/0
8
ACHSE
84001011/2
9
PLATTE
25547049/0
10
SCHRAUBE
12731601/0
11
FEDER
27430552/0
12
KNOPF
27395050/1
13
STANGE
27034060/0
14
MUTTER
12293200/0
15
BOLZEN
27510103/0
16
FEDER
25430236/0
17
SCHEIBE
12521350/0
18
ENTFERNUNGSSTÜCK
22171001/0
19
BRIDE
25774275/0
20
SCHEIBE
12523050/0
21
MUTTER
12154510/0
22
SPLIT
24487997/0
23
FEDER (mod. 122)
25430220/0
24
SCHRAUBE
22943005/0
25
MUTTER
12293200/0
26
GUMMI
27275000/0
27
MUTTER
12155000/0
32
BRIDE MIT LAGERN
84773568/0
33
LAGER
27045080/0
34
HEBEL
84773561/0
35
SCHEIBE
22672151/0
36
BRIDE
27772101/0
37
BRIDE
27772103/0
38
SCHEIBE
22672152/0
39
SCHEIBE
12523060/0
40
MUTTER
12155010/0
41
SEKTOR
27734055/0
42
SCHRAUBE
12794900/0
43
MUTTER
12155020/0
44
SCHEIBE
27158000/0
45
SCHEIBE
27670053/0
46
BRIDE
84773565/0
47
NOCKEN
27063020/0
48
SCHRAUBE
12735110/0
49
HEBEL
84773563/0
50
FEDER
27430560/0
51
SCHEIBE
25670008/0
52
MUTTER
12155020/0
53
FETTBÜCHSE
12379511/0
54
SCHEIBE
12521330/0
55
HEBEL
84317051/2
56
FEDER
25430226/0
57
SCHRAUBE
12692050/0
58
MUTTER
12155000/0
59
WECHSEL
82394508/0
60
SCHRAUBE
12793301/0
61
MUTTER
12293201/0
71
STANGE
27034062/0
72
BOLZEN
25510040/1
73
MUTTER
12293200/0
74
SCHEIBE
25670011/0
75
MUTTER
12155010/0
77
SPLIT
24487997/0
80
KABEL
84207101/1
81
BRIDE
27772105/0
82
SCHRAUBE
12791400/0
83
SCHEIBE
12521330/0
84
MUTTER
12292102/0
85
STANGE
27034058/0
86
BOLZEN
25510040/1
87
MUTTER
12293200/0
88
SCHEIBE
25670011/0
89
MUTTER
12155010/0
91
SPLIT
24487997/0
92
MUTTER
12155000/0
Gebrauchsanweisungen
Solo
Pflanzenschutzgeräte
Motorsägen
Motorsensen
Motorhacken
Balkenmäher
Vertikutierer
Rasenmäher
Aufsitzmäher / Rasentraktoren
576 / 576 Hydro
575 / 575 Hydro
572 / 572 Hydro
570 / 570 Hydro
562 Hydro
560 / 560 Hydro
557
556
555 / 555 Hydro
2004
2003
2002
KLEBZETTEL F72 / F72 hy.
ZUBEHOERE NACH ANFRAGE F72 / F72 hy.
ELEKTRISCHETEILE F72 / F72 hy.
AUFFANGSACK F72 / F72 hy.
SCHNEIDWERKZEUG (2) F72 / F72 hy.
SCHNEIDWERKZEUG (1) F72 / F72 hy.
SCHNEIDWERKZEUG AUFHEBESATZ F72 / F72 hy.
GETRIEBE F72 hy.
GETRIEBE F72
MOTOR F72 / F72 hy. 10 HP TECUMSEH
MOTOR F72 / F72 hy. 10 - 10,5 - 11 - 11,5 - 12 - 12,5 HP B&S
GETRIEBE UND BREMSE ANTRIEB F72 hy.
BREMSE UND WECHSEL ANTRIEB F72
LENKGETRIEBE F72 / F72 hy.
KARROSSERIE F72 / F72 hy.
RAHMENSATZ F72 / F72 hy.
2001
2000
1999
555 PM
Benzin-Antriebs-Mäher
Benzin-Schiebe-Mäher
Elektro Rasenmäher
Blasgeräte
Multimot
Impressum
(C) by motoruf