Zurück zu
Solo
>
Rasenmäher
>
Aufsitzmäher / Rasentraktoren
>
555 / 555 Hydro
>
2002
>
KARROSSERIE F72 / F72 hy.
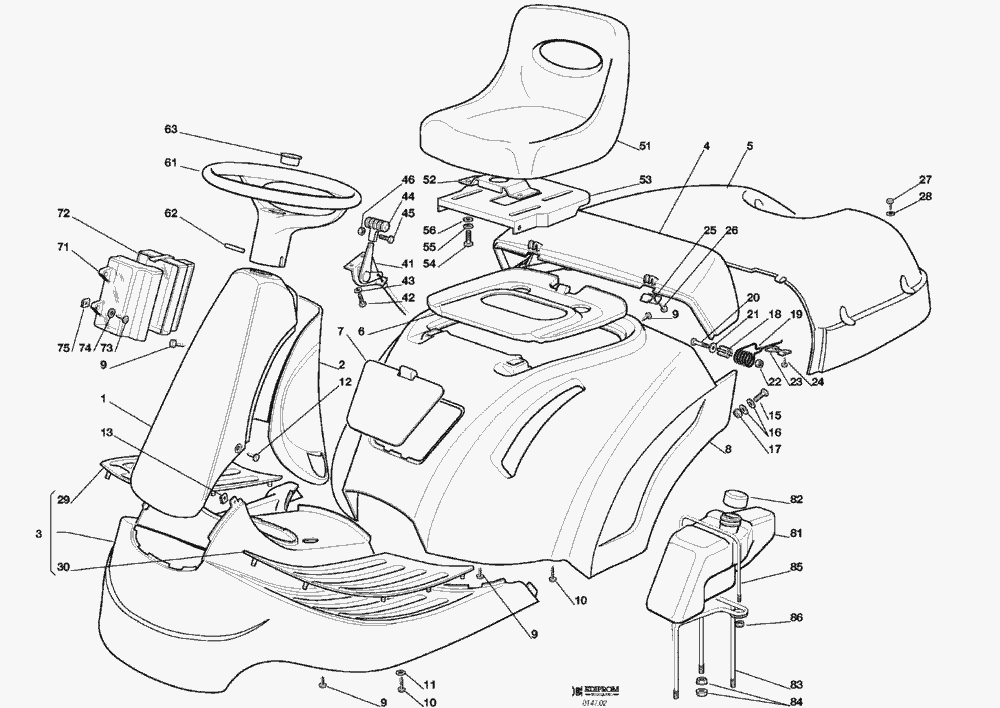
Ersatzteillisten für Solo Rasenmäher KARROSSERIE F72 / F72 hy.
Pos.
Bezeichnung
Ersatzteilnummer
1
ROT
84598064/0
2
ROT
27600091/0
3
ROT
84110117/1
4
ROT
27110302/1
5
ROT
27110303/0
6
MOTORKAPPE
27110306/0
7
ROT
27109501/0
8
RADENKAPPE ROT
84110100/1
8
RADENKAPPE ROT (hydro)
84110107/1
9
SCHRAUBE
12735402/0
10
SCHRAUBE
12735410/0
11
SCHEIBE
12523040/0
12
SCHRAUBE
12735598/0
13
PLATTE
12437503/0
15
SCHRAUBE
12791200/0
16
SCHEIBE
12523040/0
17
MUTTER
12154510/0
18
BUCHSE
27047003/0
19
FEDER
27430551/1
20
SCHRAUBE (räder 15”)
12691200/0
21
SCHEIBE
12523070/0
22
MUTTER
12155000/0
23
PLATTE
27546001/0
24
SCHRAUBE
12735402/0
25
PLATTE
27546003/0
26
SCHRAUBE
12735402/0
27
SCHRAUBE
12729601/0
28
SCHEIBE
12521331/0
29
RECHTE FUSSBRETTDECKEL
27110304/0
30
LINKE FUSSBRETTDECKEL
27110305/0
41
GAS ZUG
84000250/0
42
SCHRAUBE
12788512/0
43
GROWER
12581200/0
44
GRIFF
25394501/0
45
SCHRAUBE
12726388/0
46
MUTTER
12290800/0
51
SITZ
25722453/1
52
HALTER
25785114/0
53
PLATTE
25547033/0
54
SCHRAUBE
12793101/0
55
GROWER
12583500/0
56
SCHEIBE
12523060/0
61
LENKRAD
25961201/0
62
STIFT
12620299/0
63
STOPFEN
25120230/0
71
OBERSCHUTZ
25600020/0
72
UNTERSCHUTZ
25600021/1
73
SCHRAUBE
12728460/0
74
SCHEIBE
12521320/0
75
MUTTER
12437502/0
81
TANK
27733000/2
82
TANKVERSCHLUSS
25795000/0
83
HALTER
84783005/1
84
MUTTER
12293201/0
85
STAB
27034056/0
86
MUTTER
12154510/0
Gebrauchsanweisungen
Solo
Pflanzenschutzgeräte
Motorsägen
Motorsensen
Motorhacken
Balkenmäher
Vertikutierer
Rasenmäher
Aufsitzmäher / Rasentraktoren
576 / 576 Hydro
575 / 575 Hydro
572 / 572 Hydro
570 / 570 Hydro
562 Hydro
560 / 560 Hydro
557
556
555 / 555 Hydro
2004
2003
2002
KLEBZETTEL F72 / F72 hy.
ZUBEHOERE NACH ANFRAGE F72 / F72 hy.
ELEKTRISCHETEILE F72 / F72 hy.
AUFFANGSACK F72 / F72 hy.
SCHNEIDWERKZEUG (2) F72 / F72 hy.
SCHNEIDWERKZEUG (1) F72 / F72 hy.
SCHNEIDWERKZEUG AUFHEBESATZ F72 / F72 hy.
GETRIEBE F72 hy.
GETRIEBE F72
MOTOR F72 / F72 hy. 10 HP TECUMSEH
MOTOR F72 / F72 hy. 10 - 10,5 - 11 - 11,5 - 12 - 12,5 HP B&S
GETRIEBE UND BREMSE ANTRIEB F72 hy.
BREMSE UND WECHSEL ANTRIEB F72
LENKGETRIEBE F72 / F72 hy.
KARROSSERIE F72 / F72 hy.
RAHMENSATZ F72 / F72 hy.
2001
2000
1999
555 PM
Benzin-Antriebs-Mäher
Benzin-Schiebe-Mäher
Elektro Rasenmäher
Blasgeräte
Multimot
Impressum
(C) by motoruf